Регуляторы напряжения СРН-8А установлены на электропоездах ЭР2 первых выпусков. На электропоездах ЭР2 с № 1101 эти регуляторы напряжения не применяют. Для регулирования напряжения предназначен блок БРЗГ (полупроводниковый регулятор напряжения).
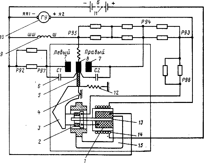
Регулятор СРН-8А служит для стабилизации напряжения генератора управления. Регулятор напряжения вибрационного типа с угольными контактами имеет литой магнитопровод 15 (рис. 115), на сердечнике которого установлена неподвижная катушка 1, поверх которой имеется еще катушка 16, имеющая 13 витков и включенная в цепь заряда батареи.
В кольцевом зазоре, образованном расточкой магнитопровода и сердечником неподвижной катушки /, помещена подвижная катушка 3, подвешен-. ная на алюминиевом коромысле 4, которое качается на призматическом шарнире 5. К коромыслу посредством биметаллической пластины 6 прикреплен подвижной угольный контакт 9. Также к коромыслу прикреплена пружина 13, усилие которой регулируется винтом 14. Неподвижные угольные контакты 7, 11 установлены на изоляционной колодке 12 и закреплены фигурными скобами 8, 10, допускающими удобную регулировку их положения. На коромысле помещен упор 2, предохраняющий подвижную катушку от соприкосновения с магнитопроводом при регулировании напряжения. При работе регулятора на коромысло действуют две взаимно уравновешивающие силы: сила натяжения пружины и сила магнитного взаимо-
действия подвижной катушки с неподвижной.
Контакты регулятора изготовлены из электрографитового прессованного угля с малой зольностью (не более 0,03 %), имеют диаметр 35 мм и рассчитаны на наибольший ток коммутации 7 А. Наибольшее напряжение на разомкнутых контактах 28 В. Ток равновесия регулятора, т. е. ток последовательно включенных катушек, при котором подвижной контакт 8 (рис. 116) занимает равновесное положение между неподвижными контактами 7, не касаясь ни одного из них, составляет 1,7—1,8 А. Этому току

Рис. 115. Регулятор напряжения СРН-8А
соответствует заданная уставка регулятора по напряжению (около 50 В). Напряжение генератора управления поддерживается близким к 50 В благодаря введению и выведению трубчатых резисторов, включенных в цепь обмотки параллельного возбуждения генератора. Подвижная и неподвижная катушки включены последовательно и действуют согласно.
Регулятор напряжения СРН-8А работает следующим образом. При обесточенных катушках, а также в период пуска средний угольный контакт усилием пружины прижат к правому угольному контакту. В этом случае обмотка возбуждения генератора включена последовательно двум параллельно соединенным трубчатым резисторам сопротивлением 4 Ом каждый (общее сопротивление 2 Ом). Это обеспечивает при пуске генератора достаточно быстрый рост напряжения на его зажимах.
После запуска генератора благодаря взаимодействию магнитных потоков катушек регулятора появляется электродинамическое усилие, которое притягивает подвижную катушку к неподвижной. Это усилие между катушками будет расти и противодействовать усилию пружины. При напряжении 50 В усилие пружины и катушек должно уравновеситься. Тогда подвижной контакт займет среднее положение, при котором не будет касаться ни правого, ни левого контакта. В цепь обмотки возбуждения будет введено дополнительно сопротивление 4 Ом (два параллельно соединенных трубчатых резистора по 4 Ом соединены последовательно еще с двумя параллельно соединенными трубчатыми резисторами по 4 Ом).
При возрастании напряжения на генераторе свыше 50 В увеличивается ток в подвижной и неподвижной катушках. Усилие между катушками преодолеет усилие пружины и тогда подвижной контакт притянется к левому неподвижному. В этом случае обмотка возбуждения генератора шунтируется цепью сопротивлением 2 Ом. Происходит уменьшение тока в обмотке возбуждения, а следовательно, и некоторое уменьшение напряжения на зажимах генератора.

Рис. і 16. Принципиальная схема регулятора напряжения СРН-8А:
/ — неподвижная катушка; 2 — подвижная катушка; 3 — коромысло; 4 — призматический упор; 5 - биметаллическая пластина; 6 - конденсаторы; 7 - неподвижные контакты; 8- подвижной контакт- 9 — обмотка возбуждения генератора; 10 — генератор управления; 11 батарея; и — пружина; 13 — сердечник; 14 — наружная неподвижная катушка; 15 — магиитопровод
При понижении напряжения генератора ниже 50 В усилие пружины преодолеет усилие между катушками. Подвижной контакт при этом притянется к правому неподвижному контакту, шунтируя цепь сопротивлением 4 Ом. Ток в обмотке возбуждения увеличится, а следовательно, увеличится напряжение на генераторе.
Практически во время работы генератора подвижной контакт регулятора напряжения не останется ни в одном из перечисленных выше положений; он будет все время вибрировать около одного из неподвижных контактов с большой частотой. В большинстве случаев подвижной контакт работает у левого контакта.
Технические данные рег\.пиора напряжения СРН-8А
Раствор контактов, мм............ 0,5—1,0
Сопротивление катушек при 20 °С, Ом........2,3/0,96*
Диаметр провода, мм............1,0/0,55
Число витков.............. 825/145
* В числителе — для неподвижной катушки, в знаменателе — для подвижной.
Конденсаторы С1 и С2 емкостью по 0,5 мкФ служат для уменьшения искрения на угольных контактах. При полностью заряженной батарее ток заряда 1—2 А, что практически не влияет на работу регулятора напряжения. При разряженной батарее, когда ток заряда достигает 25—30 А, магнитный поток токовой катушки регулятора, включенной в цепь заряда батареи, добавляется к магнитному потоку неподвижной катушки и тем самым регулируемое напряжение снижается до 48 В, ограничивая дальнейший рост тока заряда батареи.
|
|