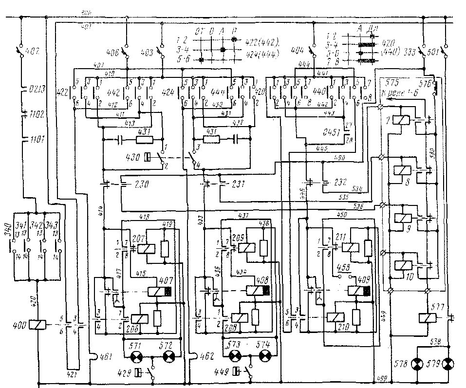
Цепи управления вспомогательными машинами обеспечивают включение и выключение электродвигателей компрессоров и вентиляторов тяговых двигателей. Напряжение к этим цепям поступает от провода 401 (рис. 17), который в свою очередь подключен к общему проводу 800 через пару последовательно соединенных замыкающих контактов специального промежуточного реле 400. Следовательно, вспомогательные машины могут быть включены лишь при подаче напряжения на катушку реле 400 по цепи АЗ В 402, блок-контакты 0213 быстродействующего выключателя, размыкающие контакты 1102 реле минимального н замыкающие 1101 реле максимального напряжения, контакты 13-14 переключателей токоприемников 340—343. Такое построение схемы позволяет исключить опускание токоприемников под нагрузкой при работе вспомогательных машин, а также обеспечивает их выключение в случае выхода напряжения контактной сети за пределы 2200—4000 В и выключения БВ.
Управление каждым мотор-компрессором индивидуальное, осуществляется из первой кабины переключателями 422 и 424,

Рис. 17. Схема цепей управления вспомогательными машинами
а из второй — переключателями 442 и 444. Напряжение ко всем четырем переключателям от провода 401 подводится через общий АЗВ 403. Включение двигателей компрессоров может быть автоматическое и ручное. Первому режиму соответствует положение А переключателей 422 (442) и 424 (444), при котором замкнуты их контакты 3-4 н напряжение к проводу 413 (432) подается через контакты реле давления 430 (параллельно контактам включена цепочка из резистора и конденсатора для облегчения разрыва тока). В режиме ручного (положение Р) пуска замкнуты контакты 1-2 переключателя и в провод 413 (432) подается напряжение в обход контактов реле давления. Дальнейшая цепь ■— общая для обоих режимов.
Двухступенчатый пуск двигателя компрессора начинается включением на первой ступени контактора 206 (208). Питание к его катушке от провода 413 (432) подается через размыкающие контакты защитного теплового реле 230 (231) и размыкающие контакты реле времени 407 (408). Включившись, контактор 206 (208) замыкает цепь самоподпнтки блок-контактами 3-4. Одновременно питание от провода 414.(433) через размыкающие блок-контакты контактора 207 (209) поступает к катушке реле времени, имеющего замедление на включение 3 с. Следовательно, через 3 с после пуска мотор-компрессора с полностью введенным демпферным резистором замыкаются контакты реле 407 (408) и напряжение поступает к катушке контактора 207 (209) по цепи: провод 414 (433), замыкающие контакты реле 407 (408), блок-контакты 1-2 контактора 206 (208), провод 419 (438). После включения контактора размыкаются его блок-контакты 7-8 в цепи питания катушки реле времени и одновременно замыкаются блок-контакты 1-2, обеспечивая питание катушки контактора по цепи самоподпнтки: провод 414 (433), контакты 3-4 контактора 206 (208), провод 418 (437), последовательно соединенные блок-контакты 1-2 контакторов 207 (209) и 206 (208), провод 419 (438). Контролируют работу компрессоров по сигнальным лампам 571, 572 (573, 574), которые загораются при включении контактора 207 (209) и повышении давления масла в системе смазки до 2—3 кгс/см2 (замыкаются контакты реле давления 429, 449).
Нагревательные элементы 461, 462 в картерах компрессоров получают питание при установке переключателей 422 (442) и 424 (444) в положение От, при котором замыкаются контакты 5-6, а остальные — размыкаются. Напряжение к этим контактам подводится от провода 800 через АЗВ 406.
Управление двигателями вентиляторов тяговых двигателей производится переключателем 420 (440), напряжение к которому подводится от провода 401 через АЗВ 404. Возможно их включение как автоматическое, так и ручное. Автоматически двигатели вентиляторов включаются, как только групповой переключатель 045 перейдет из нулевого положения в любое другое тягового или тормозного режима: замыкаются его блок-контакты 27-28 в цепи питания катушек контакторов 210 и 211.
Напряжение от провода 411 через контакты 3-4 переключателя, замкнутые в нулевом положении А переключателя 420 (440), блок-контакты 27-28, размыкающие контакты теплового реле 232 и реле времени 409 подводится к катушке контактора 210. Включившись, контактор становится на самоподпитку. Одновременно с этим блок-контактами 7-8 контактора 211 и контактами переключателя 458 сезонного регулирования производительности вентиляторов, замкнутыми в летнем режиме вентиляции, создается цепь питания катушки реле времени 409. С выдержкой 3 с, достаточной для спадания пускового тока двигателей на первой ступени, замыкаются контакты реле 409 и напряжение подается на провод 449, обеспечивая включение контактора 211. Включившись, контактор замыкает свои блок-контакты 1-2 и катушка его получает питание в обход контактов реле времени, которое обесто-чится после размыкания блок-келгактов 7-8 контактора 211.
После возвращения группового переключателя в нулевое положение, несмотря на размыкание его контактов 27-28, работа вентиляторов не прекращается, так как катушки контакторов получают питание от провода 441 через блок-контакты 5-6 контактора 210 и последовательно соединенные контакты 5-6 переключателей 420, 440.
Чтобы выключить вентиляторы, устанавливают один из переключателей в крайнее положение, в котором размыкаются все его контакты, разрывая цепь самоподпитки катушек контакторов.
При ручном включении двигателей вентиляторов переключатель 420 (440) устанавливают в положение Дл, в котором замыкаются его контакты 1-2, создавая описанную выше цепь питания катушек контакторов в обход контактов 27-28 группового переключателя.
В зимний режим работы вентиляторы переключают, размыкая контакты переключателя 458 специальным ключом. Вследствие этого прекращается подача напряжения на катушку реле времени 409 и, следовательно, контактор 211 остается все время выключенным — в цепь двигателей вентиляторов постоянно введен демпферный резистор.
При аварийном выключении двигателей компрессоров и вентиляторов под воздействием тепловых реле 230—232 одновременно с размыканием их контактов в цепи катушек соответствующих, контакторов, вторая пара контактов этих реле замыкается. Создается цепь питания катушек сигнальных реле 7—9 блока 575 от провода 490 с последующим переходом на самоподпитку от провода 580. Размыкающие контакты сигнальных реле прерывают питание катушки промежуточного реле 577, после выключения которого замыкаются его контакты в цепи сигнальных ламп 578, 579 на пультах управления в кабинах. Выпавший флажок сигнального реле показывает, что сработало тепловое реле соответствующего ему двигателя. При нажатии кнопки 576 реле возвращается в исходное положение.
Жалюзи пуско-тормозных
резисторов 050 и 051 (рис. 18) открываются с помощью пневматических приводов при возбуждении вентилей 453 и 454 соответственно для одного и другого блоков.
Основное назначение жалюзи — предотвратить попадание осадков в виде снега и дождя внутрь блоков при отстое или длительной стоянке электровоза.
В схеме управления с этой целью предусмотрено питание катушек вентилей 453, 454 через контакты 9-10 реверсивного барабана ЗОН (3012), разомкнутые в его пулевом положении.
Имеются различия в схеме цепей управления жалюзи на электровозах ЧС2т-945-М024 и ЧС2т-1025-М062.
На электровозах первого выпуска напряжение от провода 300 (см. рис. 18) через блокировку 923/1 (923/2) кранов машиниста, контакты 9-10 реверсивного барабана, замкнутые в одном из его рабочих положений, поступает на контакты переключателя 412, расположенного в кузове. Последний специальным ключом устанавливается в положение, соответствующее либо постоянно открытым жалюзи, либо их автоматическому открытию и закрытию соответственно на реостатных ц безреостатных ступенях. В первом случае замкнуты контакты 1-2 переключателя 412 и вентили 453, 454 возбуждаются, как только реверсивные рукоятки устанавливаются в положение «Вперед» или «Назад». Во втором случае замкнуты контакты 3-4 переключателя и вентили получают питание через контакты 43-44 промежуточного контроллера 303, которые замкнуты на всех реостатных позициях и разомкнуты на безреостатных — 20, 33 и 42-й.
В режиме реостатного торможения жалюзи открываются также автоматически в момент установки группового переключателя 045 в положение Т. Цепь питания катушек вентилей следующая: провод 400, блок-контакты 3-4 группового переключателя, провод 674, диод 381, провод 395 (см. рис. 20 и 18).
В связи с тем, что протекание тока по пуско-тормозным резисторам при закрытых жалюзи недопустимо, предусмотрены цепи контроля и сигнализации их положения. Функцию реле защиты в этом случае выполняет промежуточное реле 411, замыкающие контакты которого включены в цепь питания реле 331 (режим тяги) и реле 324 (режим реостатного торможения). Нормально реле 411 всегда включено — питание к его катушке поступает от провода 300 через размыкающие контакты реле времени 410. Последнее включается только в том случае, если на катушки вентилей 453, 454 подается питание (провод 395 под на-

Рис. 18. Схема цепей управления жалюзи пуско-тормозных резисторов на электровозах ЧС2Т-945-М 024

пряжением), а жалюзи по какой-либо причине не открылись. Реле 410 получает питание от провода 395 через один из четырех параллельно с о един е н н ы х блок- конта ктов 455, 456 жалюзи. Через 3 с после момента включения реле времени размыкаются его контакты в цепи питания катушки реле 411. Уставкой реле времени учтена задержка размыкания блок-контактов 455, 456 относительно момента возбуждения катушек 453, 454, вызванная определенной инерционностью механизма открытия жалюзи, особенно при низких температурах.
О выключении реле 411 сигнализирует, загораясь, лампа 519.
На электровозах ЧС2Т-1025-М 062 управление приводами жалюзи осуществляется переключателями 530, 531, установленными на пультах в кабинах машиниста (рис. 19). Если замкнуты контакты 5-6 обоих переключателей, то напряжение к катушкам вентилей 453, 454 жалюзи будет подаваться в течение всего времени нахождения одного из реверсивных барабанов ЗОН, 3021 в рабочем положении — это так называемый режим постоянно открытых жалюзи, соответствующий нулевому положению переключателей 530, 531. При установке переключателя 530 (531) в положение автоматического управления замыкаются его контакты 11-12. В режиме тяги на реостатных ступенях цепь питания катушек вентилей создается замыканием контактов 43-44 промежуточного контроллера 303, а в режиме торможения — замыканием контактов 5-6 группового переключателя 045 в положении Т. Напряжение к катушкам вентилей 453, 454 в обоих режимах управления жалюзи поступает при установке переключателей 530, 531 в любое возможное положение, в том числе в предназначенное для включения автоматической подачи песка и вспомогательного мотор-компрессора. Это позволяет сохранить нормальный режим работы жалюзи независимо от ошибочных действий машиниста.
Функции и цепи питания промежуточного реле 411 и реле времени 410 не изменились. Однако дополнительно введена цепь кон-
Ряс 19. Схема цепей управления жалюзи пуско-тормозных резисторов на электровозах ЧС2т-1024-М062
троля работы мотор-вентиляторов пуско-тормозных резисторов. Наличие потока охлаждающего воздуха на всасывающей стороне блоков контролируется воздухоструйными реле 413, 414, размыкающие контакты которых соединены параллельно и образуют две самостоятельные цепи питания катушки реле времени 410.
О положении жалюзи сигнализируют лампы 527, 528, а о наличии потока охлаждающего воздуха — лампы 523, 524, которые установлены на пультах управления в кабинах.
|
|