3.9 Цепи управления разъединителями, заземлителями и токоприемниками
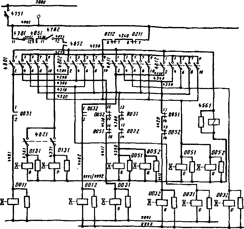
Управление разъединителями, заземлителями и токоприемниками осуществляется с помощью командо-аппаратов 480 и 481, которые имеют следующие положения:
1. «Отключено»;
2. «Подъем токоприемника»;
3. «Включение разъединителя»;
4. «Заземление».
Включение разъединителей происходит при постановке командо-аппаратов 480 или 481 в положение «3». При этом образуется цепь: провод 5000, АЗВ 4751, провод 4001, обратные (размыкающие) блок-контакты 7 - 8 БВ 0211, провод 4260, блок-контакты 7 - 8 БВ 0212, контакты 9 - 10 командо-аппаратов 480 и 481, провод 4320, катушки отключающих вентилей заземлителей 0051 и 0052. При подаче напряжения на катушки вентилей 005, заземлители устанавливаются в разомкнутое положение, размыкая при этом свои прямые (замыкающие) блок-контакты 3 - 4 в цепи электромагнитных защелок 484 ВВК, а своими обратными блок-контактами 15 - 16 (13 - 14) замыкают цепь катушки включающего вентиля разъединителя 003.
Цепь включения разъединителя секции №1:
- провод 4270, контакты 3-4 командо-аппарата 480, провод 4290, обратные блок-контакты 15 - 16 заземлителей 0051 и 0052, провод 4411, катушка включающего вентиля разъединителя 0031, провод 9991.

Рис.57 Схема цепей управления разъединителями, заземлителями и токоприемниками
После включения разъединителя 0031 размыкаются его обратные блок-контакты 13 - 14 в цепи катушек включающих вентилей заземлителя 005 и замыкаются прямые блок-контакты 1 -2 в цепи катушки вентиля токоприемника ООН (4991 на электровозах серии Е9).
Цепь включения разъединителя секции №2:
- провод 4270, контакты 3-4 командо-аппарата 481, провод
4340, обратные блок-контакты 13 - 14 заземлителей 0051 и
0052, провод 4412, катушка включающего вентиля
разъединителя 0032, провод 9992. После включения разъединителя 0032 размыкаются его обратные блок-контакты 13 - 14 в цепи катушек включающих вентилей заземлителя 005 и замыкаются его блок-контакты 1 - 2 в цепи катушки вентиля токоприемника 0012 (4992 на электровозах серии Е9).
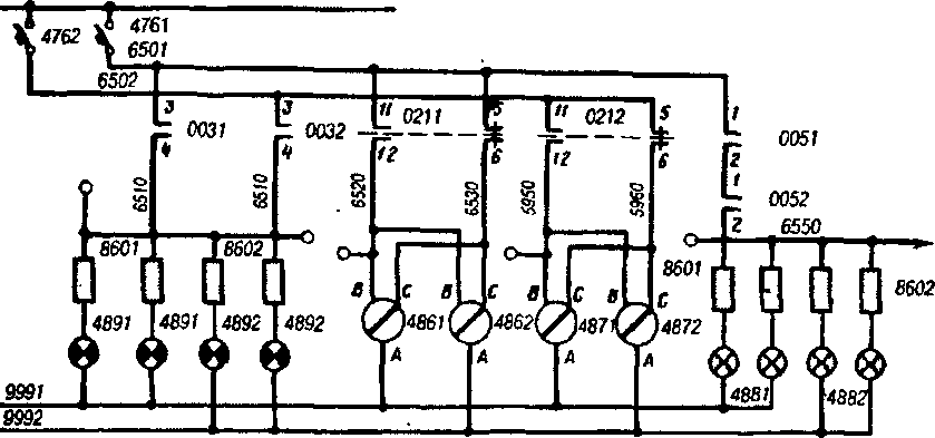
В кузове машинного отделения при этом загораются красные сигнальные лампы, которые получают питание по цепи (рис. 13):
- провод 5000, АЗВ 476, провод 650, блок-контакты 3-4 разъединителя 003, провод 6570, добавочный резистор 860, сигнальная лампа 489, провод 999.
При этом разомкнутся их контакты 1 - 2, 3 - 4, 9 - 10, И - 12 и замкнутся контакты 5 - 6, 7 - 8. В результате теряют питание провода 4280, 4330 и, следовательно, катушки вентилей токоприемников.
При замыкании контактов 5-6 командо-аппаратов 480, 481 от провода 4270 подаётся питание соответственно на провода 4300, 4350 и на катушки отключающих вентилей крышевых разъединителей 003.
При замыкании контактов 7-8 командо-аппаратов 480, 481 образуется цепь:
- провод 4270, контакты 7-8 командо-аппаратов 480 или 481, провод 4310, обратные блок-контакты 13-14 разъединителей 0031 и 0032, провод 4390, катушки включающих вентилей заземлителей 0051 и 0052.
Заземлители включаются и замыкают свои прямые блок-контакты 3 - 4. В результате образуется цепь:
- АЗВ 4751, провод 4001, блок-контакты 3-4 заземлителей 0051 и 0052, провод 4470, электромагнитные защелки 454 щитов и дверей ВВК.

Рис.58 Схема 'цепей сигнальных ламп разъединителей, заземлителей и сигнализаторов включения БВ
При этом получают питание сигнальные лампы зеленого цвета в машинном отделении по цепи:
- провод 5000, АЗВ 4761, провод 6501, блок-контакты 1 - 2 за-землителей 0051 и 0052, провод 6550, добавочный резистор 560, сигнальные лампы 488, провод 999.
Одновременно от провода 6550 получает питание сигнальная лампа «а7» на панелях световой сигнализации 827 и 828.
Для отключения одного из разъединителей соответствующий командо-аппарат 480 или 481 необходимо установить в положение «4» (левое). При этом подается питание на катушку отключающего вентиля данного разъединителя и он устанавливается в разомкнутое положение.
3.10 Цепи управления после включения выключателя управления 301
|
|