3.10 Цепи управления после включения выключателя управления 301
Выключатель управления (ВУ) 301 имеет три положения:
1. «Отключено»;
2. «Включение ВУ 301»;
3. «Включение БВ 0211 и 0212».
При постановке ВУ 301 в положение «2» происходит включение: На электровозах серии Е5 - Е6
- реле 323, 457, 322 и получает питание катушка электромагнитной защелки 304.
На электровозах серии Е7 - Е9
- реле 457, 458, 322 и получает питание катушка электромагнитной защелки 304 (рис.59 а);
- реле нулевого тока 323 - 324 получают питание при включении аккумуляторной батареи.
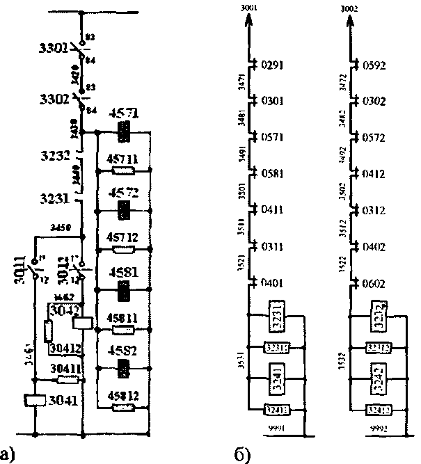
Напряжение на катушку реле нулевого тока 323, контролирующего отключение линейных контакторов на нулевой позиции, подается по цепи (рис.59 6):
- провод 5000, АЗВ 3001, провод 3001, контакты 5 - 6 ВУ 3011, провод ЗОЮ, далее две цепи:
в секции №1:
- обратные блок-контакты ЛК 0291, 0301, 0571, 0581, 0411, 0311, 0401, провод 3531, катушка реле 3231, провод 999;
е секции Ns2:
- обратные блок-контакты ЛК 0592, 0302, 0572,
0412, 0312, 0402, 0602, провод 3532, катушка реле 3232, провод 999;
Реле нулевого тока 323 не контролирует:
|
в секции №1 |
отключенное положение Л К 0591, 0601 |
|
в секции №2 |
отключенное положение ЛК 0292, 0582 |
Цепь включения реле 457
(457 - 458 на электровозах серии Е7- Е9):
- провод 5000, АЗВ 300, провод 300, контакты 5 - 6 ВУ 301, провод 3010, блок-контакты 83 - 84 ПБК 3301 и 3302 (замкнутые на нулевой позиции), провод 3430, катушки реле 4571 и 4572 (45 7 - 458 на электровозах серии Е7- Е9), провод 999.
Катушка электромагнитной защелки 304 реверсивной рукоятки КМЭ 305 получает питание по цепи (см. рис.59):
- провод 5000, АЗВ 300, провод 300, контакты 5 - 6 ВУ 301, провод 3010, блок-контакты 83 - 84 ПБК 3301 и 3302 (замкнутые на нулевой позиции), провод 3430, блок-контакты реле 3232, провод 3440, блок-контакты реле 3231, провод 3450.

Рис.59 Схема цепей питания реле 457 - 458, электромагнитной защёлки 304 (а) и реле 323 - 324 (б)
Далее две аналогичные цепи, которые зависят от включённого положения ВУ 301, контакты 11 - 12 ВУ 301, катушка электромагнитной защелки 304, провод 999.
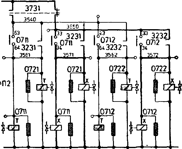
После включения реле 323 получают питание катушки вентилей «Ход» переключателей «X - Т» 071, 072 по цепи (рис.60): На электровозах серии Е5 - Е6
- провод ЗОЮ, обратные блок-контакты реле 3731, провод 355, прямые блок-контакты реле 323, провод 357, катушки электропневматических вентилей «Ход» переключателей «X -Т» 071, 072, провод 999.
На электровозах серии Е7 - Е9
- провод ЗОЮ, обратные блок-контакты реле 3731, провод 3550, прямые блок-контакты реле 323, провод 3570 (1640), катушки электропневматических вентилей «Ход» переключателей «X -Т» 071, 072, провод 999.

Рис.60 Схема цепей управления переключателей «Х- Т» 071, 072
Переключатель «X - Т» 071, 072, переводится в положение^ моторного режима. При этом катушка вентиля «Ход» получает питание через блок-контакты 33 - 34 переключателя «X - Т», замыкающиеся в положении «Ход», т.к. на позициях реле «0» тока 323 обесточено и его блок-контакты разомкнуты.
Цепи включения шагового реле 322 При нахождении КМЭ 305 в положении «X» включается шаговое реле 322 по цепи (см. рис. 61):
- провод 5000, АЗВ 300, контакты I - 2 ВУ 301, провод 302, кнопка маневрового управления «Набор» 326 (контакты замкнуты), провод 305, контакты 21-22 КМЭ 305, замкнутые при нахождении штурвала в положении «X», провод 311, провод 804, ограничивающий резистор, катушка шагового реле 322, провод 999.

Рис.61 Схема цепей питания реле 3191, 3201, 3211, 3221 электровоза серии Е5 - Е7

Рис.62 Схема цепей питания реле 3191, 3201, 3211, 3221 электровоза серии Е9
Шаговое реле включается и становится на самопитание по цепи: - контакты 5-6 ВУ 301, провод ЗОЮ, прямые блок-контакты 8 - 1 шагового реле 322, провод 306. Далее по двум цепям.
Первая цепь:
- контакты 11-12 привода ПБК^ 330, провод 805, провод 307, контакты кнопки маневрового управления «Сброс» 325, провод ,309, контакты 23 - 24 КМЭ 305 (замкнутые при нахождении штурвала в положении «X»), провод 311, провод 804, ограничивающий резистор, катушка шагового реле 322, провод 999.
Вторая цепь:
- контакты 13-14 привода ПБК 330, провод 806, провод 308, контакты кнопки маневрового управления «Набор» 326, провод 310, контакты 27 - 28 КМЭ 305 (замкнутые при нахождении штурвала в положении «X»), провод 311, провод 804, ограничивающий резистор, катушка шагового реле 322, провод 999.
3.11 Цепи включения быстродействующего выключателя
|
|