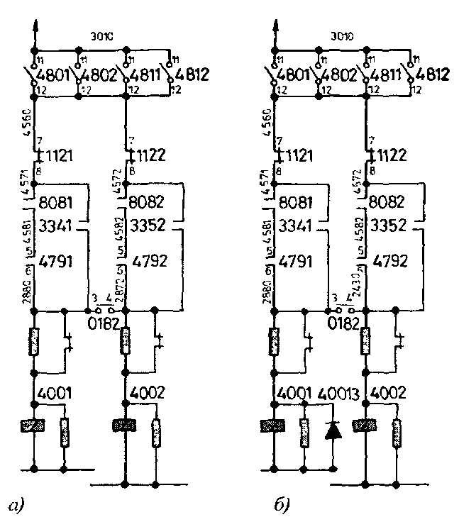
3.12 Цепи включения контакторов 400
После включения контактора 479 образуется цепь:
- провод 5000, АЗВ 3001, контакты 5 - 6 ВУ 301J, провод ЗОЮ, контакты 11-12 командо-аппарата 480 или 481, провод 4560, обратные блок-контакты 7-8 реле напряжения 112 (размыкаются при напряжении в контактной сети более 4000 В), провод 457, прямые блок-контакты реле 808 (замыкаются при напряжении более 2200 В), провод 458, контакты 5-6 контактора управления 479, далее:
на электровозах серии Е5 -ЕЛ
- провод 2880 (2872), обратные блок-контакты контак гора 400, катушка контактора 400, провод 999;
на электровозах серии Е9 в секции №1
- провод 2880, обратные блок-контакты контактора 400, провод 1241, катушка контактора 4001, параллельно катушке подключенные дугогасительное сопротивление 560 Ом и разрядный диод 40013, провод 999;
в секции №2
- провод 2430, обратные блок-контакты контактора 4002, провод 1242, катушка контактора 4002, параллельно катушке подключенное дугогасительное сопротивление 560 ~)м, провод 999.

Рис.66 Схема цепи включения контакторов 400 электровозов серии Е5 - Е7 (а) и Е9 (б)
После включения контакторов 400 размыкаются их обратные блок-контакты и, в цепь катушки вводится добавочный резистор 150 Ом для уменьшения её нагрева.
В режиме ЭДТ блок-контакты реле 808 и контактора 479 шунтируются блок-контактами реле 3341 или 3352. Блок-контакты 3-4 переключателя 0182 обеспечивают включение контакторов 400 при положении переключателя 0182 в положении «Авария БВ».
3.13 Цепи включения мотор-компрессоров
|
|