3.21 Цепи управления электропневматическими вентилями привода ПБК 330 при наборе позиций
Набор позиций постановкой штурвала КМЭ 305 в положение «+1»
После перемещения штурвала КМЭ 305 с положения «X» в иоложение (рис.61, 62):
- размыкаются контакты КМЭ 21 - 22, 27 - 28, 31 - 32;
- замыкаются контакты 25 - 26;
- остаются замкнутыми контакты 23 - 24.
Реле «Набора 320» получает питание по цепи (приводится описание цепей секции №1, описание цепей секции №2 аналогичное):
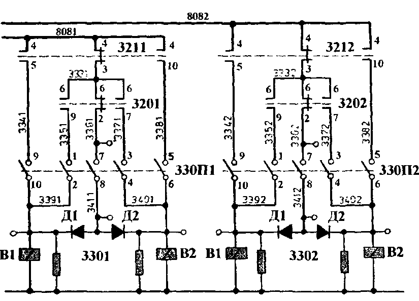
- провод 5000, контакты 5-6 ВУ ЗОН, провод ЗОЮ, блок-контакты 8 - I шагового реле 3221, контакты 11-12 привода барабана промежуточного контроллера 330 П1, провод 8051, провод 3071, контакты кнопки «Сброс» 3251 маневрового пульта управления, провод 3091, контакты 23 - 24 КМЭ 3051, контакты 25 - 26 КМЭ 3051, провод 3131, провод 8031, контакты 57 - 58 барабана промежуточного контроллера 330 Б1, замкнутые с нулевой до 55-й позиции, провод 3971, блок-контакты ножа разъединителя 2261, замкнутые в положении «НЭ», провод 3181, ограничивающий резистор катушки реле «Набора» 3201, провод 9991.
Реле «Набора» 3201 включается, замыкая свои прямые блок-контакты в цепи питания катушек вентилей привода ПБК 330. В результате образуется цепь:
- провод 5000, АЗВ 3001, контакты 1 - 2 ВУ ЗОН, контакты 9221 блокировки усл. № 367 (в схеме электровоза не задействованы), провод 3021, провод 8081, обратные блок-контакты 4-3 реле «Сброса» 3211, провод 3331, прямые блок-контакты 6 - 9 реле «Набора» 3201, провод 3351, контакты
1 - 2 привода 330 П1, провод 3391, катушка вентиля «В1», провод 9991.
Привод ПБК 3301 переходит из положения «I» в положение «II». В положении «II» привода получает питание катушка вентиля «В2» по цепи:
- провод 8081, обратные блок-контакты 4-3 реле «Сброса» 3211, провод 3331, прямые блок-контакты 6-7 реле «Набора» 3201, провод 3371, контакты 3-4 привода 330 П1, провод 3401, катушка вентиля «В2», провод 999.
Привод ПБК 3301 переходит в положение «III». В момент движения привода из положения «II» в положение «III» размыкаются контакты 11-12 привода 330 П1, при этом цепь шагового реле 3221 и реле «Набора» 3201 разрывается, но вентили «В1» и «В2» остаются под напряжением, которое подводится по цепи:
- провод 8081, обратные блок-контакты 4-3 реле «Сброса»
3211, провод 3331, обратные блок-контакты 6-2 реле «Набора» 3201, провод 3361, контакты 7-5 привода 330 Ш, провод 3411, далее две параллельные цепи:
- диод Д1, провод 3391, катушка вентиля «В1», провод 9991;
- диод Д2, провод 3401, катушка вентиля «В2», провод 9991. В положении «III» привода собирается силовая цепь 1-й позиции.

Рис.81 Схема питания цепей вентилей «В1» и «В2» ПБК 330
Переход на 2-ю позицию ПБК 330 осуществляется после перемещения штурвала КМЭ 305 в положение «X» и постановки его затем вновь в положение При возвращении КМЭ 305 в
положение «X»' получает питание шаговое реле 3221 по цепи, описанной в разделе «Цепи включения реле шагового 322». Кроме того, реле «Шаговое» получает питание и по другой цепи:
- провод 3021, кнопка «Набора» 3261 маневрового пульта управления, провод 3051, контакты 32-31 КМЭ 305, замкнутые в положениях «X» и «+», провод 3151, провод 8021, контакты 53-54 барабана промежуточного контроллера 330 Б1, замкнутые на всех позициях, кроме ходовых, провод 3141, диод 3171, провод 8041, ограничивающий резистор, катушка реле «Шагового» 3221, провод 9991. Включившись, реле «Шаговое» 3221 замыкает свои прямые блок-
контакты 8 - 1 в цепи катушки реле «Набора», но реле «Набора» 3201 не включается, так как контакты 25 - 26 КМЭ 305 разомкнуты.
При постановке штурвала КМЭ 305 в положение «+1» контакты 25 - 26 КМЭ 305 замыкаются, и получает питание катушка реле «Набора» 3201. После размыкания обратных блок-контактов 6-2 реле «Набора» 3201, катушка вентиля «В1» теряет питание, так как в положении «III» привода 330 П1 контакты 1 - 2 его разомкнуты. Привод переходит в положение «IV». В положении «IV» теряет питание вентиль «В2», поскольку размыкаются блок-контакты 3-4 привода 330 П1. Привод продолжает вращаться и приходит в положение «I», но между положениями «IV» и «I» теряет питание шаговое реле 3221, размыкаются его прямые блок-контакты 8-ій отключается реле «Набора» 3201. Привод останавливается в положении «I», при этом оба вентиля «В1» и «В2» обесточены. Это положение привода соответствует 2-й позиции ПБК 330. Таким образом, можно производить по одной набор всех позиций и выйти на ходовые.

Рис.82 Развёртка замыкания КЭ ПБК 330 ПІ и 330 П2
Набор позиций постановкой штурвала КМЭ 305 в положение «+»
Для быстрого достижения ходовых позиций в ведущей секции штурвал КМЭ переводят в положение «+» (рис.61, 62).
В положении «+» постоянно замкнуты контакты 31-32 КМЭ 305 и постоянно включены реле «Шаговое» 322 и реле «Набор» 320; привод ПБК 330 перемещается в сторону набора без остановки до ближайшей ходовой позиции. Размыкание КЭ 53 - 54 ПБК 330 останавливает привод на ходовой позиции. Для дальнейшего набора необходимо штурвал КМЭ 305 установить в положение «X»
для включения реле «Шагового» 322 и затем вновь перевести в положение «+». Чтобы ПБК 330 не ушел дальше 56-й позиции, на 55-й позиции размыкаются КЭ 57 - 58 барабана ПБК 330, разрывая цепь питания катушки реле «Набора» 320.
Набор переходных позиций ПБК 330
Для перехода с «С» соединения на «СП» соединение необходимо штурвал КМЭ 305 перевести из положения «X» в положение «+1». Привод ПБК, как описано выше, перейдет из положения «I» в положение «III» (положение «I» привода соответствует нулевой и четным позициям силовой схемы, положение «III» - нечетным позициям), но реле «Шаговое 322» не отключится, так как его катушка будет получать питание от провода 807 через контакты 61 - 62 ПБК 330Б, замкнутые на 21 -й и 39-й переходных позициях. Это позволит приводу ПБК перейти в положение «I», т.е. на 22-ю позицию силовой схемы.
Переход с «СП» на «П» соединение аналогичен переходу с «С» на «СП» соединение.
На электровозах серии Е9 произведено изменение в схеме цепей питания реле «Набора» 320 и реле «Сброса» 321, так как на 21 позиции происходит остановка ПБК в связи с неточной работой схемы во время управления КМЭ 305 положением «+1» и «+». Это изменение заключается в установке дополнительного реле 387 параллельно реле «Сброса» 321. Блок-контакт, этого реле включён между проводами 317-318. Провод 318 получает питание через КЭ 61-62 ПБК 330 на переходных позициях. Вследствие этого, реле «Набора» 320 или реле «Сброса» 321 остаются под питанием во включённом положении, даже при кратковременном импульсе штурвала КМЭ 305 положением «+1» или «+». Для достижения более точного и спокойного хода пневматического привода ПБК в схему цепей управления введён диод 329, который ограничивает случайные неточности при установке или износе кулачков пневматического привода ПБК 330.
На электровозах серии Е9 до №297 диод 329 в схеме реле 387 отсутствует, поэтому при получении питания реле «Сброса» 321 и реле 387 через блок-контакт реле 387 получает питание и реле «Набора» 320, то есть происходит одновременное питание реле «Сброса» 321 и «Набора» 320. Но так как в создании цепей питания вентилей «В1» и «В2» реле «Сброса» 321 имеет преимущество, то реле «Набора» 320 в этом случае никакой работы не выполняет.
Набор позиций маневровой кнопкой 326
При нажатии кнопки 326 разрывается цепь питания реле «Шагового» 322 (рис.61, 62):
- провод 302, разомкнутые контакты кнопки 326, провод 305, контакты 21-22 КМЭ 305, провод 311.
Реле «Шаговое» 322 получает питание и по другой цепи:
- провод ЗОЮ, прямые блок-контакты 8 - 1 реле «Шагового» 322, провод 306, контакты 11-12 привода ПБК 330 П1 (330 П2), провод 805, провод 307, контакты кнопки «Сброса» 325, провод 309, контакты 23 - 24 КМЭ 305, провод 311, провод 804, ограничивающий резистор, катушка реле «Шагового» 322, провод 999.
Параллельно контактам 25 - 26 КМЭ 305 замыкаются контакты кнопки «Набора» 326, и получает питание катушка реле «Набора» 320 по цепи:
- провод 313, провод 803, КЭ 57 - 58 ПБК 330 Б1, провод 397, блок-контакты ножа разъединителя 2261, замкнутые в положении «НЭ» (расположены только в секции №1), провод 318, ограничивающий резистор, катушка реле «Набора» 320.
Привод ПБК 330 перемещается в сторону набора. После поворота привода на одну позицию прекратится питание катушек реле «Шагового» 322 и реле «Набора» 320 из-за размыкания контактов 11-12 привода ПБК 330 П1 (330 П2), и, привод остановится. Таким образом, можно произвести набор позиций по одной, нажимая и отпуская кнопку 326. При отпускании кнопки подается питание на катушку реле «Шагового» 322, которое после включения становится на самопитание собственными блок-контактами 8 - 1.
3.22 Цепи управления электропневматическими вентилями привода ПБК 330 при сбросе позиций
|
|