3.22 Цепи управления электропневматическими вентилями привода ПБК 330 при сбросе позиций
Сброс позиций можно производить следующим образом (рис.61, 62):
- постановкой штурвала КМЭ 305:
- в положение «-1» происходит сброс позиций по одной;
- в положение «-^» происходит сброс до нулевой позиции;
- кнопкой «СП - С» 327 происходит сброс на низшую ходовую позицию или нулевую;
- кнопкой «Сброса» 325 происходит сброс позиций при маневровом режиме управления локомотивом.
Сброс позиций постановкой штурвала КМЭ 305 в положение «-1л
При переводе штурвала КМЭ 305 в положение (рис.61,
62):
- остаются замкнутыми контакты 27 - 28;
- размыкаются контакты 23 - 24 и 32 - 31;
- замыкаются 29 - 30;
при этом получает питание катушка реле «Сброса» 321 по цепи:
- провод 300, контакты 5 - 6 ВУ 301, провод ЗОЮ, провод 807, прямые блок-контакты 8 - 1 реле «Шагового» 322, провод 306, контакты 13-14 привода 330 П1 (330 П2), провод 806, провод 308, контакты «+1» кнопки 326 маневрового пульта управления, провод 310, контакты 27 - 28 КМЭ 305, провод 311, контакты 29 - 30 КМЭ 305, провод 304, контакты 59 - 60 ПБК 330 Б1 (330 Б2), провод 317, ограничивающий резистор, катушка реле «Сброса» 321, провод 999.
Реле «Сброса» включается, при этом размыкая свои обратные блок-контакты 4 - 3 и замыкая прямые блок-контакты 4-5и4 - 10 в цепи питания вентилей «В1» и «В2» (см. рис. 81).
Реле «Шаговое» 322 включилось, когда штурвал находился в положении «X», получив питание по цепи:
- провод 302, кнопка 326, провод 305, контакты 21-22 КМЭ 305, провод 311, провод 804, ограничивающий резистор, катушка реле «Шагового» 322, провод 999.
После замыкания блок-контактов 8 - 1, реле «Шаговое» 322 становится на самопитание.
После включения реле «Сброса» 321 получает питание катушка вентиля «В2» по цепи:
- АЗВ 300, контакты 1 - 2 ВУ 301, провод 302, провод 808, прямые блок-контакты 4 - 10 реле «Сброса» 321, провод 338, прямые блок-контакты 5-6 привода 330 П1 (330172), провод 340, катушка вентиля «В2», провод 999.
Привод переходит в положение «IV», и получает питание вентиль «В1» по цепи:
- провод 808, прямые блок-контакты 4-5 реле «Сброса» 321, провод 334, контакты 9-10 привода 330 Ш (330 П2), провод 339, катушка вентиля «В1», провод 999.
Привод переходит в положение «III».
В момент Движения привода из положения «IV» в положение «III» теряет питание из-за размыкания контакта 13-14 привода
ПБК330П1 (330 П2):
- реле «Шаговое» 322 и реле «Сбросав 321.
При этом размыкаются блок-контакты 4 - 5 и 4 - 10 реле «Сброса» 321, но вентили «В1» и «В2» остаются под напряжением, которое подаётся по цепи:
- провод 808, обратные блок-контакты 6-2 реле «Набора» 320, провод 336, контакты 7-8 привода 330 П1Ш0 172), провод 341, диоды «Д1» и «Д2», катушки вентилей «В1» и «В2», провод 999.
Для сброса еще одной позиции необходимо штурвал КМЭ 305 перевести в положение «X», тем самым восстанавливается питание катушки реле «Шагового» 322. Затем вновь перевести в положение «-1», что приведет к подаче питания через контакты 29 - 30 КМЭ 305 на катушку реле «Сброса» 321. Привод начнет движение в сторону сброса, так как обесточится вентиль «В2», и перейдет в положение «II». При этом обесточится вентиль «В1» и привод перейдёт в положение «I», реле «Шаговое» 322 и реле «Сброса» 321 отключатся, привод остановится в положении «I», вентили «ВЬ> и «В2» будут обесточены.
Сброс позиций постановкой штурвала КМЭ 305 в положение «—»
Для быстрого сброса позиций штурвал КМЭ 305 переводят в положение «-» (рис.6], 62). В этом положении постоянно замкнуты контакты 29 - 30, 21 - 22 КМЭ 305, которые обеспечивают питание катушек реле «Шагового» 322 и реле «Сброса» 321. В результате происходит непрерывный сброс позиций ПБК 330 до нулевой. При этом размыкаются контакты 59 - 60 ПБК 330 Б1 (330 Б2) и обесточиваются реле «Шаговое» 322 и реле «Сброса» 321. Сброс позиций можно прекратить постановкой штурвала КМЭ 305 в положение «-1» или «X».
Сброс позиций кнопкой «СП - С» 327
При кратковременном нажатии на кнопку «СП - С» 327 происходит сброс позиций до ходовой позиции предыдующего соединения или до нулевой при сбросе позиций с «С» соединения (рис.6J, 62). Через замкнувшиеся контакты кнопки 327 получает питание катушка реле 319 по цепи:
- провод 302, кнопка сброса «СП - С» 327, провод 316, провод
800, катушка реле 319, провод 999, Включение реле 319 приводит к образованию цепи:
- провод 302, контакты кнопки «+1» 326 пульта маневрового управления, провод 305, контакты 32 - 31 КМЭ 305 (замкнутые при положении «X» штурвала), провод 315, провод 802, контакты 53 - 54 ПБК 330 Б1 (330 Б2) (замкнутые на всех позициях, кроме ходовых и нулевой), провод 314, прямые блок-контакты реле 319, провод 800. катушка реле 319, провод 999.
Таким образом, реле 319 становится на самопитание. При этом постоянно получает питание катушка реле «Шагового» 322 по цепи:
- провод 314, диод 317, провод 804, ограничивающий резистор, катушка шагового реле 322, провод 999.
Одновременно подается напряжение на катушку реле «Сброса» 321 по цепи:
- провод 314, прямые блок-контакты реле 319, провод 800, прямые блок-контакты реле 319, провод 801, контакты 59 - 60 ПБК 330 Б1 (330 Б2), провод 317, ограничивающий резистор, катушка реле «Сброса 321, провод 999.
При включении реле «Сброса» 321 замыкаются его прямые блок-контакты:
- «4 - 5» между проводами 808 - 334;
- «4 - 10» между проводами 808 - 336;
в цепи вентилей «В1» и «В2» привода ПБК 330, который переходит в режим сброса. Сброс позиций происходит до размыкания контактов 53 - 54 ПБК 330 Б1 (330 Б2), которые замкнуты на всех позициях, кроме 56-й, 38-й, 20-й и нулевой.
Сброс позиций маневровой кнопкой «325»
При нажатии кнопки 325 пульта маневрового управления получает питание реле «Сброса» 321 по цепи (рис. 61, 62):.
- АЗВ 300, контакты 1 - 2 ВУ 301, провод 302, контакты кнопки 325, провод 304, провод 801, контакты 59-60 барабана 330 Б1 (330 Б2)(замкнутые с 1-й по 56-ю позицию), провод 317, ограничивающий резистор, катушка реле «Сброса» 321, провод 999.
Сброс позиции будет происходить до тех пор, пока нажата кнопка 325, и прекратится при отпуске кнопки или на нулевой позиции из-за размыкания контактов 59 - 60 барабана 330 Б1 (3330 Б2).
Кнопкой 325 можно производить сброс позиций, даже если штурвал КМЭ 305 находится в положении или «+», так как она своими контактами разрывает цепь катушки реле «Набора» 320 между проводами 307 и 309.
Цепи включения реле «Сброса» 321 при нарушении нормальных режимов работы
1. При замыкании обратных блок-контактов ключа ЭПК-150
(при отключении ЭПК) по цепи (рис.61, 62):
- АЗВ 300, провод 300, контакты 9221 блокировки усл. № 367 (в схеме электровоза не задействованы), провод 319, контакты 3-4 ВУ 301, провод 303, обратные блок-контакты ЭПК-150, провод 304, провод 801, контакты 59 - 60 барабана 330 Б1 (330 Б2), провод 317, ограничивающий резистор, катушка реле «Сброса» 321, провод 999.
При этом сброс позиций происходит до тех пор, пока замкнуты блок-контакты ключа ЭПК-150, без задержки на ходовых позициях.
2.'При замыкании прямых блок-контактов реле 425 по цепи:
- АЗВ 300, провод 300, контакты 5 - 6 ВУ 301, провод ЗОЮ, контакты ножа 2261 (расположены в цепи реле сброса только секции №1), провод 3951 (только в секции №1), контакты реле 425, провод 304, провод 801, контакты 59 - 60 ПБК 330 Б1 (330 Б2), провод 317, ограничивающий резистор, катушка реле «Сброса» 321, провод 999.
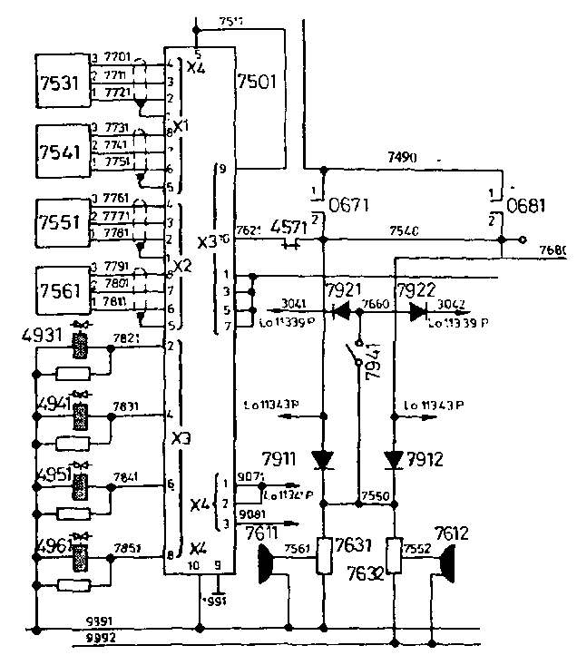
3. При срабатывании реле боксования по цепи (рис. 61. 62, 83): (в секции №1)
- АЗВ 7521, провод 7490, контакты 1 - 2 РБ 0671 или 0681, провод 7540, диод 7911, провод 7550, контакты выключателя 7941, провод 7660, диоды 792, провод 304 и далее на катушку реле «Сброса» 321.
(в секции №2)
- АЗВ 7522, провод 7502, контакты 1 - 2 РБ 0672 или 0682, провод 7680, диод 7912, провод 7550, контакты выключателя 7941, провод 7660, диоды 792, провод 304 и далее на катушку реле «Сброса» 321.
4. При срабатывании блока ПБЗ 750 по цепи (см. рис. 83): (в секции №1)
- АЗВ 7521, провод 7490, контакты 1 - 2 выключателя ПБЗ 7501, жоксовое соединение ХЗ клемма 9, блок ПБЗ 7501, жоксовое соединение ХЗ клемма 10, провод 7621, обратные блок-
контакты реле 4571, провод 7540, диод 7911, провод 7550, контакты выключателя 7941, провод 7660, диоды 792, провод 304 и далее на катушку реле «Сброса» 321.

Рис.83 Схема питания цепей сброса ПБК 330 при срабатывании блока ПБЗ 750
(в секции №2)
- АЗВ 7522, провод 7502, контакты 1 - 2 выключателя ПБЗ 7502, жоксовое соединение ХЗ клемма 9, блок ПБЗ 7502, жоксовое соединение ХЗ клемма 10, провод 7622, обратные блок-контакты реле 4572, провод 7680, диод 7912, провод 7550, контакты выключателя 7941, провод 7660, диоды 792, провод 304 и далее на катушку реле «Сброса» 321.
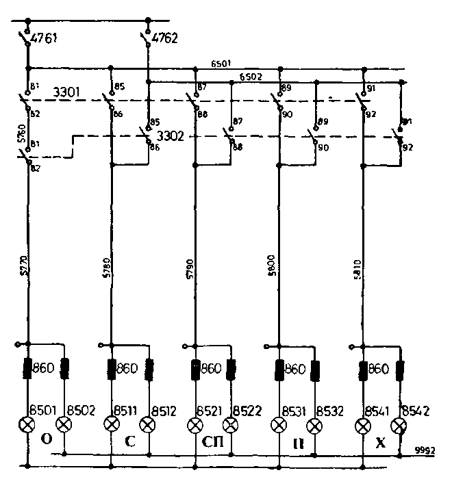
Сигнализация положения ПБК 330
Электровозов серии Е5 — Е6
На пульте управления расположены пять сигнальных ламп
указателя положения ПБК 330, которые горят при нахождении ПБК (рис. 84):
- лампа «0» - на нулевой позиции;
- лампа «X» - на ходовых позициях;
- лампа «С» - на позициях последовательного «С» соединения тяговых электродвигателей;
- лампа «СП» - на позициях последовательно-параллельного «СП» соединения;
- лампа «П» - на позициях параллельного «П» соединения.
Цепь питания сигнальной лампы «0»
Электровозов серии Е5
- АЗВ 4761, провод 6501, КЭ 81 - 82 ПБК 3301, провод 5760, КЭ 81-82 ПБК 3302, провод 5770, резистор 860, сигнальные лампы «0» 8501 и 8502, провод 999 (рис.84).

Рис.84 Цепи сигнальных ламп указателя положения промежуточного контроллера ПБК 330 на электровозах серии Е5
Цепь питания сигнальной лампы «С»:
- АЗВ 476, провод 650, КЭ 85 - 86 ПБК 330, провод 5780, резис-. тор 860, лампы 8511 и 8512, провод 999.
Цепь питания сигнальной лампы «СП»:
- АЗВ 476, провод 650, КЭ 87 - 88 ПБК 330, провод 5790, резистор 860, лампы 8521 и 8522, провод 999.
Цепь питания сигнальной лампы «П»:
- АЗВ 476, провод 650, КЭ 89 - 90 ПБК 330, провод 5800, резистор 860, лампы 8531 и 8532, провод 999.
Цепь питания сигнальной лампы «X»:
- АЗВ 476, провод 650, КЭ 91 - 92 ПБК 330, провод 5810, резистор 860, лампы 8541 и 8542, провод 999.
Электровозов серии Е6 - Е9
Над верхней плитой ПБК 330 имеется сильсин-датчик, который передаёт сигнал цифровому индикатору (указатель степеней 898) о положении позиций ПБК на пульт машиниста в кабине управления проводом 650, через жоксовое соединение X12 клемму 12. Цепь питания сигнального.светодиода «0»:
- АЗВ 4761, провод 650, КЭ 81 - 82 ПБК 3301, провод 5760, КЭ 81-82 ПБК 3302, провод 5760, КЭ 81 - 82 ПБК 3302, провод 5770, указатель степеней 898, жоксовое соединение Х2 клемма 5 (провод 5770), жоксовое соединение Х2 клемма 6, провод 999.
Цепь питания сигнального светодиода «X»:
- АЗВ 476, провод 650, КЭ 91 - 92 ПБК 330, провод 5810, указатель степеней 898, жоксовое соединение Х2 клемма 4 (провод 5810), жоксовое соединение Х2 клемма 6, провод 999.
При постановке ступеней ослабления поля возбуждения ТЭД на указателе степеней 898 загорается светодиод «Ш». Цепь питания сигнального светодиода «Ш»:
- АЗВ 431, провод 292, контакты 3-4 контактора 333, провод 361, КЭ 77 - 78 ПБК 330, провод 3820, блок-контакты 33 - 34 КМЭ 306 ослабления поля, провод 3910, указатель степеней 898, жоксовое соединение Х2 клемма 3 (провод 3910), жоксовое соединение Х2 клемма 6, провод 999.
3.23 Цепи управления линейными контакторами
|
|