3.27 Цепи управления электродинамическим тормозом
Каждая секция электровоза имеет собственный, независимый электродинамический тормоз. Для работы ЭДТ на электровозе необходимо:
- в обеих секциях включить АЗВ 340, 384;
- установить выключатель 367 в положение «I», а переключатель 339 в положение «Отключено» (влево); выключатель ЭДТ 337 на пульте в обеих кабинах установить в положение «Включено»; включить блоки ПБЗ 750; при их неисправности ввести в действие скоростные регуляторы ДАКО обеих секций для обеспечения работы цепей ЭДТ через блок-контакты реле давления 336.
Управление ЭДТ осуществляется краном машиниста № 395 или переключателем 358 на пульте управления.
Управление ЭДТ краном машиниста № 395
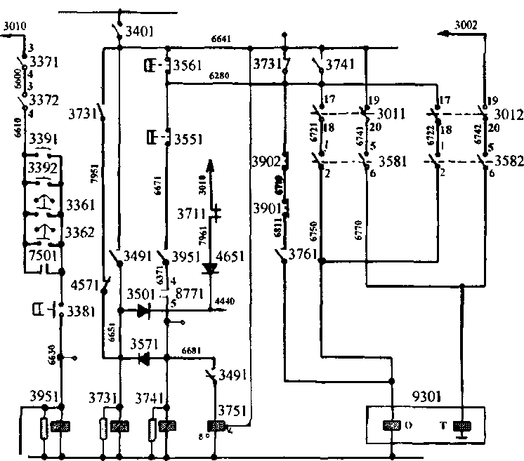
В процессе торможения (пневматического) краном машиниста № 395 при достижении давления воздуха в ТЦ (в имитирующей трубке перед ДАКО) свыше 0,8 кгс/см" включается реле давления 3381. При этом происходит сбор схемы цепей управления ЭДТ (рис.88):
- АЗВ 3001, провод 3001, блок-контакты ВУ 3011, провод ЗОЮ, блок-контакты 3-4 выключателя 3371 (замыкающиеся при включении ЭДТ в кабине №1), провод 6600, блок-контакты 3 -4 выключателя 3372 (замыкающиеся при включении ЭДТ в кабине №2), провод 6610, далее параллельные цепи:
- блок-контакты реле Кб блока ПБЗ 7501 (замкнутые при скорости свыше 20 км/ч);
- блок-контакты реле давления 3361 (замкнутые при скорости свыше 50 км/ч);
провод 6620, блок-контакты реле 3381, замкнутые при давлении в ТЦ свыше 0,8 кгс/см , провод 6631, катушки реле 3951 и 3952.
После включения реле 3951 размыкаются его блок-контакты между проводами 6641 - 6381, в результате чего теряет питание катушка реле времени 8771. Так как задержка времени на отключение реле времени 8771 составляет 6 с, его блок-контакты 1 - 2 между проводами 6981 - 990 в цепи регулятора 3631 и блок-контакты 4-5 между проводами 6371 - 681 в цепи питания реле 3731 и 3741 в течение 6 с будут оставаться замкнутыми.
Одновременно замыкаются блок-контакты реле 3951 между проводами 6671 - 6371, и катушки реле 3731 и 3741 получат питание по следующей цепи:
- провод 5000, АЗВ 340, провод 664, блок-контакты реле давления 356, соединенные параллельно с обратными блок-контактами реле 373, провод 6280 (6290), замкнутые блок-контакты реле давления прямодействующего тормоза 355 (размыкающиеся при давлении в трубопроводах крана № 254 более 1,0 кгс/см^), провод 667, замкнутые блок-контакты реле 395, провод 637, прямые блок-контакты 4-5 реле времени 877, провод 668, катушка реле 374 (управления ЭДТ), а также диод 357 и катушка реле 373 (управления ЭДТ).
От провода 665 через диод 350 (на электровозах серии Е9 - диод 399) и провод 4440 питание поступает на катушки реле 425 для сброса позиций ПБК 330 до нулевой. Реле 425 в режиме ЭДТ
включено постоянно.
После включения реле 3731 размыкаются его блок-контакты в цепи контактора 333, что приводит к отключению всех линейных и реостатных контакторов. Одновременно замыкаются блок-контакты реле 3731 между проводами ЗОЮ и 3540, и через замкнутые блок-контакты реле 323 получают питание катушки электропневматических вентилей «Т» (тормоз) переключателей 071 и 072. При этом тормозные переключатели 071 и 072 разворачиваются из положения «Ход» в положение «Тормоз». После разворота переключателей 071, 072 в положение «Тормоз» замыкаются блок-контакты 63 - 64 переключателя 071, и вентили «Т» получают питание по параллельной цепи в обход блок-контактов реле 3231.

Рис.88 Схема цепей сбора схемы ЭДТ секции №1 электровозов серии Е5 - Е7
Замыкание блок-контактов реле 3731 между проводами 3321 и 7451 вызывает подачу питания на катушки реле 3341, 3351 по цепи: - провод 3240, блок-контакты 61 - 62 переключателя 0711
(замкнутые в положении «Тормоз»), провод 3291, блок-контакты 103 - 104 переключателя 0711 (замкнутые в положении «НЭ»), провод 3301, блок-контакты 61 - 62 переключателя 0721 (замкнутые в положении «Тормоз»), блок-контакты 103 - 104 переключателя 0721 (замкнутые в положении «НЭ»), провод 3321, блок-контакты реле 3731, провод 7451, блок-контакты реле 8041, провод 7461, катушки реле 3341, 3351.
Замыкание контактов реле 3731 между проводами 6641 - 7951 приводит к тому, что через блок-контакты реле 4571 реле 3731 становится на самопитание (рис. 88). В результате чего, пока ПБК 330 не установится на нулевую позицию, схема моторного режима не соберется.
После включения реле 3741 замыкаются его блок-контакты в цепи питания регулятора 3631, а также блок-контакты в параллельной цепи питания катушек реле 3731, 3741.
Включение реле 334, 335 вызывает включение линейных контакторов 0292, 0301, 0302, 0311, 0312, 0402, 0411, 0412, 0571, 0581, 0591, 0602 и электромагнитных контакторов 0991,0992. При этом: замыкаются блок-контакты выше перечисленных контакторов в цепи питания автоматического регулятора 3631, и регулятор начинает получать питание по цепи:
- АЗВ 3401, блок-контакты контакторов 0591, 0571, 0581, 0311, 0411, 0301, 0991, блок-контакты реле времени управления жалюзей 3611, реле 3741, реле времени 8771, провод 6990, вход «Ь5» регулятора 3631. Одновременно питание от провода 6990 через диод 4631 поступает на катушку инверсионного вентиля 3511, который выпускает воздух из ТЦ. От провода 6990 питание поступает также на сигнальную лампу работы ЭДТ «а9» на панели сигнализации 827. Лампа получает питание в импульсном режиме через блок-контакты реле 8332 (рис.72). Мигание сигнальной лампы свидетельствует об окончании процесса подготовки силовой схемы реостатного тормоза.
Получив сигнал на вход «Ь5» о сборе силовой схемы ЭДТ, регулятор 3631 подает сигнал на управляющие электроды тиристоров статического возбудителя 1001 в цепи питания обмоток возбуждения ТЭД и устанавливает ток в обмотках возбуждения в соответствии с сигналами задатчика 343 для получения требуемого тормозного усилия. Когда ток возбуждения, измеряемый измерительным комплектом 3661, достигает 100 А, сигнал от
комплекта 3661 поступает в регулятор 3631, который подает питание на катушку вспомогательного "реле 3491 по проводу 9441 через блок-контакты 65 - 66 переключателя «X - Т» 0721, замкнутые в положении «Тормоз».

Рис.89 Схема цепей питания реле 334 и 335
После включения реле 349 его блок-контакты замыкают цепи питания следующих аппаратов:
- реле времени 877:
- АЗВ 340, провод 664, блок-контакты реле 349, провод 638, клемма 7 реле времени 877, катушка реле времени 877, клемма 8, 9 реле времени 877, провод 999;
- реле 373:
- АЗВ 340, провод 664, блок-контакты реле 349, провод 365, катушка реле 373 (реле 373 становится на самопитание);
- реле времени 3751:
- АЗВ 340, провод 664, блок-контакты реле давления 356 или реле 374, провод 6280 (6290)? блок-контакты реле
давления 355, провод 667, реле 395, провод 637, блок-контакты 4-5 реле времени 877, провод 668, блок-контакты реле 349, клемма 7 реле времени 375, катушка реле времени 375, клемма 8,9 реле времени 375, провод 999.
Одновременно замыкаются блок-контакты реле 349 в минусовой цепи сигнальной лампы ЭДТ на панели 827 и 828, и сигнальная лампа горит, не мигая (рис.72). После включения реле 3751 через его блок-контакты подается питание на катушку инверсионного вентиля 3511 по цепи:
- АЗВ 340, провод 664, блок-контакты 1 - 2 реле времени 375, провод 689, катушка инверсионного вентиля 351.
Процесс реостатного торможения, т. е. регулирования токов в обмотках возбуждения ТЭД, в дальнейшем протекает в соответствии с изменением давления в задатчике тормозной силы 343. При снижении скорости до 60 км/ч происходит включение по сигналам блока 750 контакторов 035 и 045, которые шунтируют часть ПТР, и электровоз переходит в режим торможения «Т1». Сначала получает питание реле 3682 по цепи:
- АЗВ 7522, контакты 65 - 66 переключателя «X - Т» 0712, замкнутые в положении «Тормоз», провод 5822, клемма 14 блока 7502, контакты реле К7 (расположенного внутри блока 7502), замкнутые при скорости менее 60 км/ч, клемма 13 блока, провод 5832, катушка реле 3682, провод 9992.
Реле включается и своими блок-контактами замыкает цепь питания контакторов:
- провод 7502, выключатель 7512, провод 7292, блок-контакты реле 3682:
- провод 3780, катушки РК 035;
- провод 3860, катушки РК 045.
При снижении скорости до 40 км/ч происходит включение контакторов 034, 036, 044, 046, и электровоз переходит в режим торможения «Т2». Сначала получают питание реле 3692 и 3702 по цепи:
- провод 5822, клемма 8 блока 7502, контакты реле К8 (расположенного внутри блока 7502), замкнутые при скорости менее 40 км/ч, клемма 7 блока 7502, провод 5842, катушки реле 3692, 3702 провод 9992.
Реле 3692, 3702 включаются и своими блок-контактами замыкают цепь питания контакторов:
- провод 7502, выключатель 7512, провод 7292, блок-контакты
реле 3692, 3702:
- блок-контакты реле 3692, провод 3370, катушки РК 034;
- блок-контакты реле 3692, провод 3850, катушки РК 044;
- блок-контакты реле 3702, провод 3790, катушки РК 036;
- блок-контакты реле 3702, провод 3870, катушки РК 046;

Рис.90 Схема цепи включения реостатных контакторов в режиме ЭДТ
В режиме экстренного торможения на вход «Ь6» регулятора 363 поступает сигнал экстренного торможения от провода 664 через контакты реле давления 354 и провод 686, что приводит к быстрому (в течение 2 с) нарастанию до требуемого значения тока возбуждения ТЭД. При служебном торможении для обеспечения плавности нарастание тока возбуждения длится 8 с.
То же самое происходит при поступлении сигнала на вход «ЬЗ» регулятора 3631 после включения реле 890 АЛСН.
При торможении ЭПТ краном машиниста № 395 имеются следующие особенности в цепях питания вентилей «О» и «Т».
К зажимам «Л» и «3» БУ-ЭПТ 3881 подключена катушка вспомогательного реле 3761. При I и II положениях ручки крана машиниста № 395 к катушке реле 3761 подводится напряжение переменного тока, и реле не включается. При положениях перекрыши и торможения на зажимы «3» и «Л» подается напряжение постоянного тока, и реле 3761 включается.
В положении торможения катушка вентиля «Т» получает питание от зажима «Л» через диод 3771. Катушка отпускного вентиля «О» получает питание по цепи: в секции №1:
- провод 6280, кнопка отпуска тормозов 3902, провод 6710, кнопка отпуска 3901, провод 6811, блок-контакты реле 3761, провод 6750, катушка вентиля «О» электровоздухораспределителя 9301, провод 9991.
в секции №2:
- провод 6290, кнопка отпуска тормозов 3902, провод 6340, кнопка отпуска 3901, провод 6361, блок-контакты реле 3761, провод 6330, катушка вентиля «О» электровоздухораспределителя 9301, провод 9991.
В результате возбуждения катушек обоих вентилей начинается торможение; после достижения давления в ТЦ 0,8 кгс/см2 срабатывает реле 3381 в цепи управления ЭДТ.
В положении перекрыши вентиль «Т» обесточен, так как полярность подаваемого напряжения изменяется, а в цепи вентиля «Т» стоит запирающий диод 377. Вентиль «О» продолжает получать питание через блок-контакты реле 3761.
Питание катушки вентиля «О» обеспечивается при любом давлении в ТЦ независимо от режима работы электровоза. Так, если электровоз работает в режиме «Ход», питание на вентиль «О» поступает через параллельно соединенные блок-контакты реле 373 и реле давления 356. Когда при давлении более 2,5 кгс/см2 контакты реле давления 356 размыкаются, питание на вентиль продолжает поступать только через блок-контакты реле 373.
В режиме «Тормоз» питание на вентиль «О» подается через блок-контакты реле 356 и 374.
При снижении скорости до 50 км/ч в процессе управления ЭДТ от реле давления 3361 или до скорости 20 км/ч при управлении от блока 7501 размыкаются контакты соответственно реле 3361 или реле Кб в блоке 7501 в цепи реле 395, которые отключаются. Размыкание блок-контактов реле 395 в цепи катушки реле 374 приводит к его отключению. Его блок-контакты разрывают цепь
подачи питания на вход «Ь5» регулятора 363, что служит сигналом для прекращения подачи отпирающих импульсов на тиристоры статического возбудителя 100. Однако силовая цепь реостатного торможения не изменяется, так как реле 373 продолжает получать питание через замкнутые блок-контакты реле 349.
Ток возбуждения ТЭД при этом, уменьшается плавно благодаря большой индуктивности обмоток возбуждения. Реостатное торможение прекращается, когда токи якорей ТЭД снижаются до 50 А. При этом обесточивается реле 349, контакты которого разрывают цепь питания реле 373 и реле времени 375, и происходит переключение силовых цепей с режима «Тормоз» в режим «Ход».
После отключения реле времени 375 его блок-контакты 1-2 с выдержкой времени 2 с размыкают цепь питания вентиля 351, и происходит наполнение тормозных цилиндров (ТЦ) через ДАКО, т. е. замещение реостатного тормоза пневматическим. При этом давление в ТЦ ограничивается 2,5 кгс/см2 с целью недопущения юза. Ограничение давления обеспечивает реле 356, контакты которого разрывают цепь питания катушки вентиля «О» при давлении в задатчике и трубопроводе ТЦ более 2,5 кгс/см2 в период, когда реле 374 уже отключилось, а реле 373 еще остается включенным через блок-контакты реле 349. Замещение реостатного тормоза пневматическим происходит также при отсутствии напряжения на входе «Ь4» регулятора 363 вследствие отключения реле 804 или размыкания блок-контактов 491 двери статического возбудителя 100. Отсутствие напряжения на входе «Ь4» является сигналом для запирания тиристоров возбудителя и прекращения реостатного торможения.
При срабатывании защиты в режиме ЭДТ срабатывает блинкерный сигнализатор «Т» на табло 802, разрывая цепь реле 804 «Защиты тормоза», и на панелях сигнализации 827 и 828 после отключения реле 804 загорается сигнальная лампа «Т».
При отсутствии на входе «Ы2» напряжения 48 В регулятор 363 прекращает работу, и происходит замещение реостатного тормоза пневматическим.
При поступлении из блока 750 на вход «Ь7» сигнала юза регулятор 363 плавно уменьшает ток возбуждения до прекращения юза колесных пар, после чего снова плавно увеличивают ток возбуждения до требуемой величины.
Тормозная сила может оіраничиваться машинистом с помощью переключателя 378 на пульте управления в зависимости от условий
сцепления колес рельсами. В положении:
- «О» тормозное усилие составляет 100 %;
- «1/2» замыкаются контакты 3-4 переключателя 3781, на вход* «Ь7» регулятора поступает сигнал, и тормозное усилие уменьшается на 50 %.
- «3/4» замыкаются контакты 1 - 2 переключателя 378, на вход «Ь9» регулятора 3631 поступает сигнал, и тормозное усилие уменьшается на 25 %;
При поступлении на вход «Ь6» регулятора 363 сигнала экстренного торможения или на вход «ЬЗ» сигнала о срыве ЭПК, сигналы на входы «Ь7» и «Ь9» блокируются, и регулятор обеспечивает максимальное тормозное усилие. Переключатель 378 действует только при давлении на манометре задатчика не менее 2,0 кгс/см2.
Управление ЭДТ переключателем ручного управления 358
При переводе переключателя 358 в положение «Тормоз» от провода 6641 через контакты 19-20 ВУ 3011, провод 6741, контакты 5-6 переключателя 3581, замкнутые в положении «Тормоз», провод 6770 получает питание катушка вентиля «Т» электровоздухораспределителя 9301. Через контакты реле 3741, блок-контакты 17 - 18 ВУ ЗОН, провод 6727, контакты 1 - 2 переключателя 3581, замкнутые в положениях «Перекрыша» и «Тормоз», подается питание на катушку вентиля «О».
При возбуждении катушек «О» и «Т» в ТЦ поступает воздух, давление которого определяется временем выдержки переключателя 3581 в тормозном положении. При давлении в ТЦ 0,8 кгс/см2 срабатывает реле давления 3381, и собирается схема ЭДТ, рассмотренная выше.
При постановке переключателя 3581 в положение «Перекрыша» размыкаются его контакты 5 - 6, и катушка вентиля «Т» обесточивается. Катушка вентиля «О» продолжает получать питание, так как контакты 1 - 2 переключателя 3581 остаются замкнутыми, и в задатчике фиксируется заданное давление.
При постановке переключателя 3581 в положение «Отпуск» размыкаются его контакты 1 - 2 и 5 - 6, и катушки обоих вентилей «О» теряют питание.
Диод 3771 предотвращает при управлении переключателем 3581 срабатывание тормозных вентилей в
электровоздухораспределителях вагонов.
3.28 Цепи управлении контакторами отопления кабины машиниста и кондиционирования воздуха
|
|