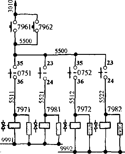
3.29 Цени питания вентилей цилиндров догружающих устройств 797,798
Катушки вентилей получают питание по цепи:
- АЗВ 300, провод ЗОЮ (рис. 96), контакты кнопки 796 догружения осей, провод 5500, контакты 35 - 36 реверсора 075, замкнутые в положении «Вперед» или контакты 23 - 24 реверсора 075, замкнутые в положении «Назад», провод 551 или 552, катушки вентилей 797 и 798, провод 999.

Рис.96 Схема цепей питания вентилей цилиндров догружающих устройств 797. 798
3.30 Цепи управления стеклообогревом
|
|