3.30 Цепи управления стеклообогревом
Переключатель стеклообогрева 718 имеет четыре положения (электровозов серии Е5 - Е7):
1 - «Отключено»;
2 - «Последовательное соединение обеих секций элементов»;
3 - «Включена половина секций элементов»
4 - «Включена параллельно первая и вторая секции элементов

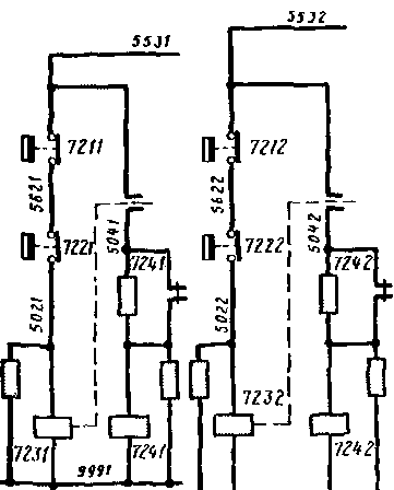
Рис.97 Схема цепей стеклообогрева 720, 721

Рис.98 Схема цепей питания контактора 723, 724
При включении АЗВ 716 образуется цепь (рис.97):
- провод 553, контакты термостата 721 (замкнутые при температуре менее 60 °С). провод 562, контакты термостата 722, провод 502, катушка реле 723, провод 999.
После включения реле 723 его блок-контакты замыкают цепь питания катушки контактора 724 (рис.98):
- провод 553, блок-контакты реле 723, провод 504, блок-контакты контактора 724, катушка контактора 724, провод 999.
При включении контактора 724 замыкаются его контакты между проводами 553 и 544, а также 554 и 549 (рис.97). В результате напряжение подводится к контактам переключателя 718.
В положении «2» переключателя 718 замкнуты его контакты 1 - 2 и 5 - 6, поэтому ток проходит по обеим последовательно соединенным секциям нагревательных элементов 720 и 721.
В положении «3» переключателя 718 замкнуты его контакты 9 - 10 и 11 - 12, и ток проходит только по одной из секций нагревательных элементов 720 и 721.
В положении «4» переключателя 718 замкнуты его контакты 9 - 10, 11 - 12, а также 3 - 4 и 7 - 8, в результате чего секции нагревательных элементов 720 и 721 оказываются соединенными параллельно.
3.31 Цепи сигнализации реле боксования 067, 068 и управления песочницами
|
|