3.31 Цепи сигнализации реле боксования 067, 068 и управления песочницами
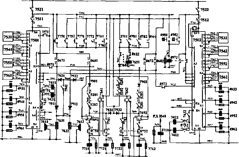
При срабатывании реле боксования образуется следующая цепь (рис.99): Секции №1:
- АЗВ 7521, провод 7490, блок-контакты 1 - 2 якоря №1 РБ 067 или 068, провод 7540, диод 7911, провод 7550, далее две параллельные цепи:
- резистор 7631, провод 7561, зуммер 7611 (сигнализации боксования), провод 9991;
- резистор 7632, провод 7552, зуммер 7612 (сигнализации боксования), провод 9992;
Секции №2:
- АЗВ 7522, провод 7502, блок-контакты 1 - 2 якоря №1 РБ 067 или 068, провод 7680, диод 7912, провод 7550, далее две параллельные цепи:
- резистор 7631, провод 7561, зуммер 7611 (сигнализации
боксования), провод 9991;
- резистор 7632, провод 7552, зуммер 7612 (сигнализации боксования), провод 9992;
Одновременно:
- с провода 7540 (7680) питание поступает на зажим «а5» сигнальной лампы «Боксование» (рис.72) на панелях сигнализации 827 и 828 и через диод 372 и провод 9540 на импульсное реле 8332 и лампу 834 «Сигнализация дефектов» на пульте управления;
- с провода 7550 (рис.99) через контакты кнопки 7941, провод 7660, диод 792 питание подается на провод 304, а от него на катушку реле «Сброса» 327, (рис.61, 62) что приводит к сбросу позиций промежуточного контроллера ПБК 330 до прекращения боксования.
При замыкании блок-контактов 1 - 2 РБ 067 или 068 создается также цепь питания вентилей подачи песка: Секции №1:
- АЗВ 7521, провод 7490, блок-контакты 1 - 2 якоря №1 РБ 067 или 068, провод 7540, диод 790, провод 7611, контакты 5-6 выключателя 5281, провод 7600, контакты 7-8 выключателя 5282, провод 7590, далее две параллельные цепи:
- блок-контакты 37 - 38 реверсора 0751 (замкнутые в положении «Вперед»), провод 7571, вентиль 7711 (подачи песка), провод 9991;
- блок-контакты 25 - 26 реверсора 0751 (замкнутые в положении «Назад»), провод 7581, вентиль 7721 (подачи песка), провод 9991.
Секции №2:
- АЗВ 7522, провод 7502, блок-контакты 1 - 2 якоря № 1 РБ 067 или 068, провод 7680, диод 7902, провод 7612, контакты 5-6 выключателя 5282, провод 7880, контакты 7-8 выключателя 5281, провод 7890, далее две параллельные цепи:
- блок-контакты 37 - 38 реверсора 0752 (замкнутые в положении «Вперед»), провод 7582, вентиль 7712 (подачи песка), провод 9992;
- блок-контакты 25 - 26 реверсора 0752 (замкнутые в положении «Назад»), провод 7572, вентиль 7722 (подачи песка), провод 9992.
Автоматическая полача песка происходит также при экстренном торможении, открытии аварийного клапана «Стоп» или срабатывании автостопа. При экстренном торможении замыкаются
блок-контакты реле 3771, и создается цепь:
- АЗВ 7521, провод 7490, блок-контакты реле 3771, провод 7530, блок-контакты реле 7651, провод 7641, диод 7681, провод 7631, контакты 9-10 выключателя 5281, провод 7620, контакты 9-10 выключателя 5282, далее две параллельные цепи:
- диод 7931, контакты 37 - 35 реверсора 0751 (замкнутые в положении «Вперед»), или 25 - 26 реверсора 0751 (замкнутые в положении «Назад»), вентиль 7711 или
7721 (подачи песка), провод 9991;
- диод 7932, контакты 37 - 35 реверсора 0752 (замкнутые в положении «Вперед»), или 25 - 26 реверсора 0752 (замкнутые в положении «Назад»), вентиль 7712 или
7722 (подачи песка), провод 9992;
При уменьшении скорости электровоза до 10 км/ч замыкаются контакты 2-4 скоростемера 8122 и включается реле 7651, которое размыкает свои блок-контакты между проводами 7530 и 7641, и даже при включении реле АЛСН 8901 или замыкании контактов рукоятки «Стоп» 478 автоматическая подача песка прекращается. При ручном управлении подачей песка образуется цепь (рис.99):
- АЗВ 752, провод 7490 (7502), контакты кнопок подачи песка 775, 776, 777, провод 7520, диод 793, контакты 25 - 26 или 37 -38 реверсора 075, вентили песочниц 771 или 772.

Рис. 99 Схема цепей защиты от боксования электровоза серии Е5-Е7
В промежуточном коридоре на стенке шкафа блока 750 находится кнопка 764, нажатием на которую осуществляется одновременная подача песка песочницами одной секции на оба хода. Вентили данной секции песочниц переднего и заднего хода получают питание одновременно по цепи (рис.99): Секция №1:
- провод 7490. контакты кнопки 7641, далее две параллельные цепи:
- провод 7571, катушка вентиля песочницы 7711, провод 9991;
- провод 7581, катушка вентиля песочницы 7721, провод 9991.
Секция №2:
- провод 7502, контакты кнопки 7642, далее две параллельные цепи:
- провод 7572, катушка вентиля песочницы 7722, провод 9992;
- провод 7582, катушка вентиля песочницы 7712, провод 9992.
На электровозах серии Е9 существует возможность выбора подсыпки песка:
- непрерывную, при помощи переключателя 770;
- автоматически-прерывную, при помощи автоматики подсыпки песка 769.
На ручном управлении 1. Непрерывная подача песка (рис.100): Секции №1:
- АЗВ 7521, провод 7490, контакты кнопок подачи песка 7751, 7761, 7771, провод 7520, далее две параллельные цепи:
- диод 7931, провод 7590, контакты командо-аппарата
7701 (автоматики подсыпки песка), провод 7691, контакты 37 - 38 реверсора 0751 (замкнутые в положении «Вперед»), провод 7571, вентиль песочницы 7711, провод 9991;
- диод 7932, провод 7890, контакты командо-аппарата
7702 (автоматики подсыпки песка), провод 7692, контакты 25 - 26 реверсора 0752 (замкнутые в положении «Назад»), провод 7572, вентиль песочницы 7722, провод 9992;
Секции №2:
- АЗВ 7522, провод 7502, контакты кнопок подачи песка 7752,
7762, 7772, провод 7520, далее две параллельные цепи:
- диод 7932, провод 7890, контакты командо-аппарата 7702 (автоматики подсыпки песка), провод 7692, контакты 37 - 38 реверсора 0752 (замкнутые в положении «Вперед»), провод 7582, вентиль песочницы 7712, провод 9992;
- диод 7931, провод 7590, контакты командо-аппарата 7701 (автоматики подсыпки песка), провод 7691, контакты 25 - 26 реверсора 0751 (замкнутые в положении «Назад»), провод 7581, вентиль песочницы 7721, провод 9991;
При автоматически-прерывистом управлении на блок автоматики подсыпки песка 769 подаётся питание на клеммы:
- 1 - от провода 7590;
- 7 - от провода 7490;
-10 - от провода 7490; к клемме 14 блока автоматики подсыпки песка 769 подключен постоянный минус от провода 999.
2. Автоматически-прерывная подача песка при ручном управлении (рис.100): Секции №1:
- АЗВ 7521, провод 7490, контакты кнопок подачи песка 7751,
7761, 7771, провод 7520, диод 7931, провод 7590, клемма 1 блока автоматики подсыпки песка 7691. При замкнутых контактах клемм 7-8 блока автоматики 7691 питание подаётся на провод 7861, далее через замкнутые контакты командо-аппарата 7701, провод 7691 (автоматики подсыпки песка), блок-контакты 37 - 38 реверсора 0751 (замкнутые в положении «Вперед») или блок-контакты 25 - 26 реверсора
0751 (замкнутые в положении «Назад»), провод 7571 (7581) на вентиль 7711 (7721) подачи песка, провод 9991;
Секции №2:
- АЗВ 7522, провод 7502, контакты кнопок подачи песка 7752,
7762, 7772, провод 7520, диод 7932, провод 7890, клемма 1 блока автоматики подсыпки песка 7692. При замкнутых контактах клемм 7-8 блока автоматики 7692 питание подаётся на провод 7862, далее через замкнутые контакты командо-аппарата 7702, провод 769.2 (автоматики подсыпки песка), блок-контакты 37 - 38 реверсора 0752 (замкнутые в положении «Вперед») или блок-контакты 25 - 26 реверсора
0752 (замкнутые в положении «Назад»), провод 7572 (7582) на вентиль 7712 (7722) подачи песка, провод 9992;
Автоматика производит импульсную подачу песка обеих секций. 3. Автоматически-прерывная подача песка от РБ 067 или 068,
при этом образуется цепь (рис. 100): Секции №1 :
- АЗВ 7521, провод 7490, блок-контакты 1 - 2 якоря №1 РБ 067 или 068, провод 7540, диод 7901, провод 7611, контакты 5-6 выключателя 5281, провод 7600, контакты 7 - 8 выключателя 5282, провод 7590, клемма 1 блока автоматики подсыпки песка 7691, при замкнутых контактах клемм 7-8 блока автоматики 7691 питание подаётся на провод 7861 и через замкнутые контакты командо-аппарата 7701, провод 7691. (автоматики подсыпки песка), блок-контакты 37 - 38. реверсора 0751 (замкнутые в положении «Вперед») или блок-контакты 25 - 26 реверсора 0751 (замкнутые в положении «Назад»), провод 7571 (7581), вентиль 7711 (7721) подачи песка, провод 9991;

Рис. 100 Схема цепей защиты от боксования электровоза серии Е9 Cemjuu №2:
- АЗВ 7522, провод 7502, блок-контакты 1 - 2 якоря №1 РБ 067 или 068, провод 7680, диод 7902, провод 7612, контакты 5-6 выключателя 5282, провод 7880, контакты 7-8 выключателя
5281, провод 7890, клемма 1 блока автоматики подсыпки песка 7692, при замкнутых контактах клемм 7-8 блока автоматики 7692 питание подаётся на провод 7862 и через замкнутые контакты командо-аппарата 7702, провод 7692 (автоматики подсыпки песка), блок-контакты 37 - 38 реверсора 0752 (замкнутые в положении «Вперед») или блок-контакты 25 - 26 реверсора 0752 (замкнутые в положении «Назад»), провод 7572 (7582) на вентиль 7712 (7722) подачи песка, провод 9992;
Автоматика производит импульсную подачу песка только той
секции, где сработал якорь №1 РБ 067 или 068.
3.32 Цепи управления блока противобуксовочной защиты 750
|
|