РИСУНКИ, ЧЕРТЕЖИ, СХЕМЫ (3)
Скачать чертежи в программе "Компас-3D"
Часто при выполнении дипломной или курсовой работы нужны рисунки, отсканированные с учебника. Когда под рукой сканер - no problem, но сканера порой нет. Предлагаем скачать качественно отсканированные чертежи узлов локомотивов и вагонов.
Электрические аппараты электровоза ВЛ-10 |
||
Быстродействующий выключатель БВП-5 |
Дугогасительная камера БВП-5 |
Быстродействующий выключатель БВЗ-2 |
Дугогасительная камера БВЗ-2 |
Быстродействующий выклчатекль БВЗ-ЦНИИ |
Контактор БК-2Б |
Быстродействующий контактор БК-78Т |
Индуктивный шунт ИШ-2К |
Электромагнитный контактор МК-15_01 |
Электромагнитный контактор МК-101 |
Электромагнитный контактор МК-310Б |
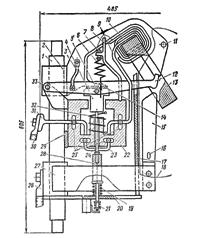
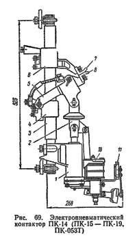
Электропневматический контактор ПК-14 |
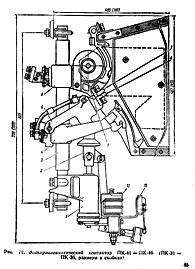
Электропневматический контактор ПК-21 |
Электропневматический контактор ПК -41 |
Токоприемник П-5 |
Отключатель двигателей ОД-8а |
Отключатель двигателей ОД-8Б2 |
Переключатель вентиляторов ПШ-5Г |
Групповой переключатель ПКГ-6 |
Ящик резисторов КФ |
Тормозной переключатель ТК-8Б |
Крышевой разъединитель |
Схема действия БВЗ-2 |
Вилитовый разрядник РМВУ-3,3 |
Смотри картинки ходовой чаcти электровозов типа ВЛ10 и ВЛ80
Смотри картинки электрических машин электровоза ВЛ10







