Тиристорные и тиристорно-диодные выпрямители в цепях обмоток возбуждения.
Такие выпрямители необходимы при независимом возбуждении тяговых двигателей, в частности в режиме электрического торможения. Выпрямительные установки возбуждения (ВУВ) позволяют плавно регулировать напряжение
(плавно изменять момент открытия тиристоров системой управления), а значит, и ток в последовательно соедиенных обмотках возбуждения тяговых двигателей
На электровозах переменного тока ВЛ80Т, ВЛ8015, ЧС4Т тиристорные выпрямительные установки выполнены по однофазным, двухпериодным схемам выпрямления с нулевым выводом.
На электровозах ЧС4 применены диодно-тиристорные выпрямительные установки возбуждения, выполненные по мостовой схеме (рис. 134,г).
Дляэлектро вО3 ов постоянного тока ВЛ10 предложено несколько вариантов исполнения тиристорных возбудителей, находящихся в опытной эксплуатации. Такие возбудители разработаны Московским энергетическим институтом (МЭИ) и Тбилисским электровозостроительным заводом (ТЭВЗ) для электровозов ВЛ10, Уральским электромеханическим институтом инженеров железнодорожного транспорта, Уральским отделением ВНИИЖТа и др.
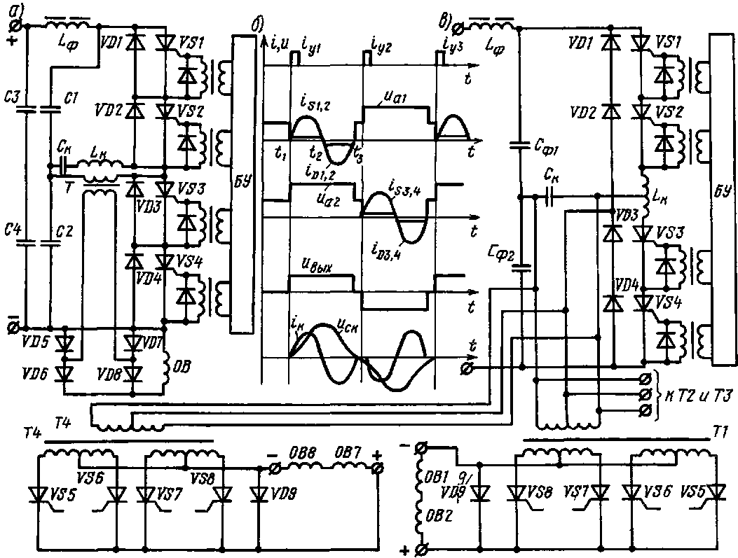
Тиристорный возбудитель, предложенный Уральским отделением ВНИИЖТа, содержит выпрямитель и автономный инвертор напряжения (инвертор, работающий на сеть, не связанную с другими источниками энергии), состоящие из встречно-параллельно соединенных тиристоров и диодов (рис. 135,а). Регулирование напряжения на обмотках воз-

Рис 134 Схемы тиристорных выпрямительных установок (а и г) возбуждения и диаграммы
напряжений (б) и токов (в)

Рис. 135. Схемы инверторов электровозов (айв) и диаграммы напряжений и токов (б)
буждения тяговых двигателей осуществляется плавным изменением частоты инвертирования, а выравнивание тока нагрузки между Тяговыми двигателями, включенными параллельно,— с помощью либо дополнительных управляемых устройств, мощность которых не превышает 20% номинальной, либо стабилизирующих резисторов. Наибольшая частота инвертирования 1000 Гц.
Инвертор выполнен на тиристорах ГО/, ГО2 и УБЗ, УБ4 и диодах У01, УБ2 и УИЗ, УБ4. Коммутация тока тиристоров осуществляется последовательным колебательным контуром ЬКСК, включенным на выходе инвертора. Выпрямитель выполнен по мостовой схеме на диодах У/>5 — Уй8; он питает обмотки возбуждения ОВ группы тяговых двигателей. Конденсаторы С/—С4 и реактор Ьф служат для сглаживания пульсаций тока на входе инвертора.
Перед включением преобразователя конденсаторы С1, С2 заряжены до напряжений, равных половине входного напряжения. При подаче импульса тока
управления іуі на тиристоры ГО/, ГО.2 (или іу2 на тиристоры ГО.З, ГО4) в момент 1Х (рис. 135,6) происходит их отпирание; через тиристоры ГО/, ГО2, диоды КО/, КО.2 и первичные обмотки инвер-торного трансформатора Т начинают протекать токи ік колебательного контура. Напряжение на выходе инвертора ивых и первичной обмотке трансформатора Т без учета падения напряжения в группе ГО/, ГО2 и КО/, К02 равно напряжению на конденсаторе С/ и имеет форму, близкую к прямоугольной. В момент <2 ток в цепи этой группы тиристоров и диодов меняет направление и переходит с тиристоров ГО/, ГО2 на обратные диоды КО/, К02. С этого момента начинается восстановление управляемости тиристоров ГО/, ГО2 Токи іоі 2 и г51 2 в цепи тиристоров и диодов (а также токи ї'оз4, г^зд) синусоидальные
В момент ?3 ток і0] 2 уменьшается до нуля и на тиристорах ГО/, ГО.2 и диодах КО/, УБ2 восстанавливается напряжение, равное половине входного. Напряжение на выходе инвертора и первичной
обмотке трансформатора спадает почти до нуля.
С небольшой паузой относительно момента выключения диодов VD1, VD2b момент г4 включаются тиристоры VS3, VS4. Процесс работы инвертора повторяется, и к первичной обмотке трансформатора Г прикладывается обратная полуволна напряжения с/вых.
После установки на опытном электровозе ВЛ22м-961 тиристорного преобразователя, обеспечивающего меньшую инерционность изменения напряжения на выходе при колебаниях напряжения контактной сети, чем мотор-генератор, появилась возможность уменьшить сопротивление стабилизирующих резисторов до 0,02 Ом. При этом наибольшие значения тока в цепи якоря тягового двигателя при изменении напряжения в контактной сети не превышали тока уставки реле перегрузки.
Тиристорный возбудитель, разработанный для электровоза ВЛ10, состоит из автономного инвертора и выпрямителя (рис. 135,в). Инвертор имеет тиристоры VS1—VS4, обратные диоды VD1—VD4, коммутирующий конденсатор Ск и реактор LK, конденсаторы фильтра Сф1 и Сф2, реактор фильтра и понижающие трансформаторы 77 и Т4, к которым подключены выпрямители на тиристорах VS5 — VS8. К выпрямителям подключены обмотки возбуждения тяговых двигателей OBI—ОВ8. Применение отдельных понижающих трансформаторов 77—Т4 уменьшает влияние одной цепи возбуждения тяговых двигателей на другую и позволяет использовать эти же трансформаторы в качестве делителей тока между параллельно работающими выпрямителями. Диоды VD5 и VD6, шунтирующие обмотки возбуждения, обеспечивают устойчивую работу преобразователя. В автономном инверторе использован принцип импульсной коммутации тока тиристоров энергией конденсатора.Ск.
Номинальная мощность тиристорных преобразователей для возбуждения тяговых двигателей различна на электровозах разных серий. Опытные образцы этих преобразователей для электровозов ВЛ22", ВЛ10 выполнены исходя из условия обеспечения номинальной мощности
ПО кВт при изменениях напряжения в контактной сети от 3 до 4 кВ. Масса тиристорного преобразователя около 600 кг.
Тиристорные регуляторы. Колебания напряжения контактной сети и большие изменения нагрузки электровозов во время их работы приводят к значительному недоиспользованию мощности вентиляторов. Поскольку номинальная мощность двигателей вентиляторов выбрана из условия обеспечения охлаждения тяговых двигателей при наибольшей нагрузке и напряжении контактной сети 3000 В, то снижение нагрузки и увеличение напряжения в контактной сети вызывают значительный перерасход электроэнергии в цепях вспомогательных машин. Удельный расход электроэнергии в этих цепях электровозов постоянного тока составляет 11% полного расхода энергии на тягу поездов; использование номинальной мощности электровозов во время движения не превышает 20%. Применяя тиристорные регуляторы напряжения для двигателей вспомогательных машин, можно значительно снизить расход электроэнергии.
Опытный тиристорный регулятор содержит тиристорный автономный инвертор, повышающий трансформатор и выпрямитель. Инвертор выполнен по схеме однотактного преобразователя постоянного тока в переменный повышенной частоты с включением нагрузки последовательно в цепь колебательного контура и шунтированием тиристора встречным диодом УБ9 (см. рис. 135,в). В установившемся режиме работы инвертора часть энергии проходит через его входную цепь к нагрузке, а другая ее часть через повышающий трансформатор и выпрямитель возвращается в цепь источника питания.
Изменяя частоту подачи импульсов на тиристор, регулируют напряжение на входе инвертора и, следовательно, на нагрузке.
Опытный тиристорный преобразователь постоянного тока для питания электродвигателя компрессора, цепей управления и освещения электропоезда ЭР1. Преобразователь разработан на основе автономного инвертора напряжения повышенной частоты, выполненной1 по
мостовой схеме со встречно-параллельным соединением тиристора и диода. Используя его, можно довольно просто без понижающего трансформатора и выпрямителя получить напряжение 1500 В на выходе. Отбор энергии для цепей управления и освещения салонов электропоезда осуществляется через понижающий трансформатор и выпрямитель с мостовой схемой. Регулируют напряжение на выходе преобразователя в процессе пуска двигателя компрессора и стабилизируют напряжение в установившемся режиме работы, изменяя частоту инвертирования. Такой тиристорный преобразователь по сравнению с машинным делителем напряжения позволяет обеспечить более устойчивое питание вспомогательных цепей электропоездов постоянного тока. Опытый образец его выполнен с принудительным воздушным охлаждением, имеет номинальную мощность 12 кВт, мощность нагрузки на выходе 6 кВт, к. п. д. 0,95 и частоту инвертирования 1000 Гц.
|
|