Тиристорные и тиристорно-диодные выпрямительно-инверторные преобразователи, используемые в цепях якорей тяговых двигателей пульсирующего тока, работают в режиме тяги как выпрямители, а при рекуперативном торможении — как зависимые инверторы, Зависимые инверторы работают параллельно с электростанциями на общую сеть переменного тока, уровень напряжения и частота их обусловлены параметрами генераторов электростанций. Известно несколько схем этих преобразователей, но все они имеют много общего в принципе действия, схемных и конструктивных решениях. Схемы этих преобразователей — однофазные двухполупериодные мостовые — могут быть симметричными и несимметричными В первом случае тиристоры применены во веек «етырех плечах моста, во втором их используют
лишь в двух плечах, в остальных двух плечах ставят диоды.
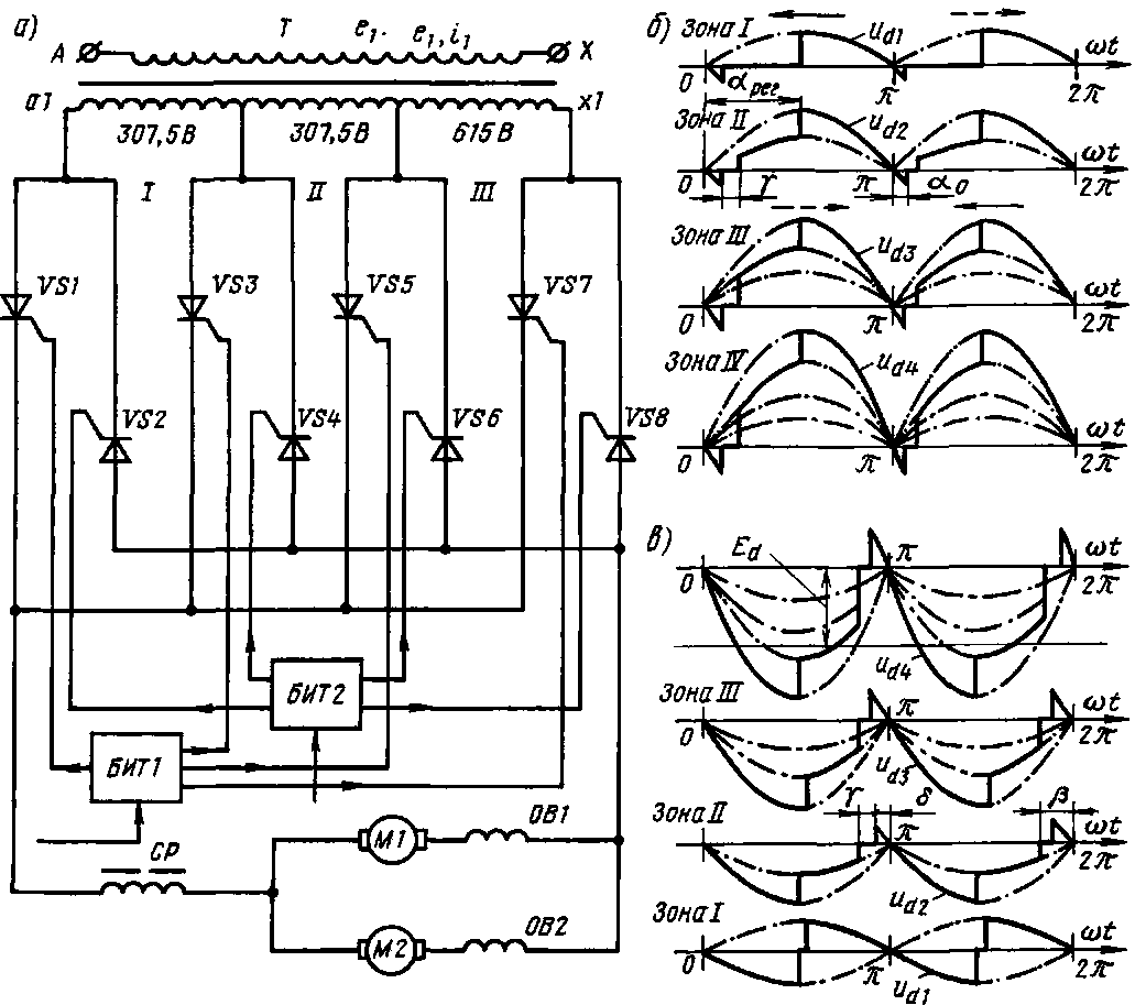
Симметричная схема (рис. 136,а) позволяет создать бесконтактную силовую цепь, в которой нет переключателей ступеней, контакторов и переходных реакторов, и осуществить плавное регулирование напряжения как в тяговом, так и в тормозном режимах. Вследствие этого тяговые характеристики Р(и) занимают всю область скоростей вплоть до характеристики полного возбуждения. Машинист может выбрать любую из бесчисленного их множества и длительно продолжать езду при выбранной характеристике. Это позволяет, с одной стороны, при пуске реализовать большие токи тяговых двигателей и, следовательно, повысить на 8—10% среднюю силу тяги, не превышая ограничения по сцеплению колес с рельсами. Пусковая диаграмма получается плавной, с наибольшим приближением к линии ограничения по сцеплению.
Бесконтактная, безынерционная электронная система управления преобразователем дает возможность быстро изменять режимы движения. Например, на электровозе ВЛвСС переключение до наибольшего напряжения, переход на выбег и повторный выход на последнюю ступень напряжения занимают не более 1—2 с. Переходы из режима тяги в режим электрического торможения и обратно занимают около 9 с.
Чтобы повысить коэффициент МОЩНОСТИ и уменьшить отрицательное влияние на линии связи, в тиристорных выпря-мительно-инверторных преобразователях обычно предусматривают четырехзонное регулирование выпрямленного напряжения как в режиме тяги, так и в режиме электрического торможения.
Регулирование напряжения в тяговом режиме начинается с зоны /. Каждый полупериод напряжения питающей сети при частоте 50 Гц длится 0,01 с и равен 180°. Импульсы управления от БИТ1 и БИТ2, отпирающие тиристоры ГО/— ГО61, имеют ширину, или протяженность во времени, 13—18° и амплитуду тока около 1 А Чтобы в цепи тяговых двигателей М1 и М2 появился выпрямленный ток, необходимо определенное время держать открытыми тиристоры

Рис. 136. Схема тиристорной выпрямительной установки для бесконтактного регулирования напряжения в силовой цепи (а) и диаграммы напряжений (б и в)
сразу двух плеч. Для этого в один из полупериодов питающего напряжения импульсы управления подаются на тиристор VS4 в момент, определяемый углом °рег (Рис' 136,6), а на тиристор VS5 — в моменты, определяемые углами а0 и арег.
В следующий полупериод питающего напряжения импульсы управления подаются на тиристоры VS3 и VS6. На тиристор VS3 импульсы подаются в момент, определяемый углом а0 = 74-8°, что соответствует открытому состоянию тиристоров в течение всего полупериода напряжения. В процессе регулирования этот угол остается почти постоянным. На тиристор VS6 импульсы управления подаются в момент, определяемый регулируемым машинистом углом Орег, который на каждой зоне может изменяться в пределах от 170 до 10—15°. Наименьшее выпрямленное напряжение соответствует
наибольшему углу регулирования. Затем импульсы управления снова подаются на тиристоры УБ4, УБ5, а в следующий полупериод — на тиристоры УБЗ, УБ6, и далее такое чередование продолжается с частотой сети (т.е. 50 Гц). Уменьшая постепенно угол арег (вращением главного штурвала контроллера машиниста), на тяговых двигателях М1 и М2 постепенно увеличивают выпрямленное напряжение от 0 до 1 /4 полного значения. При увеличении тока нагрузки выпрямленное напряжение несколько снижается, что определяется внешними характеристиками выпрямителя.
В зоне// регулирования выпрямленное напряжение плавно повышается от 1 /4 до 1 /2 полного значения в результате открытия на весь полупериод тиристоров УБЗ, У84, УБ5, УБ6 и изменения фазы подачи импульсов на тиристоры УБ1 и УБ2.
Каждый полупериод в момент коммутации тока (переключения тока с одних тиристоров на другие) возникает кратковременное короткое замыкание вторичной обмотки тягового трансформатора на время, определяемое углом коммутации у. В этом интервале времени выпрямленное напряжение близко к нулю.
По окончании регулирования в зоне // и продолжении движения главного штурвала контроллера машиниста автоматически мгновенно переводится нагрузка с двух секций напряжением холостого хода по 307,5 В трансформатора на одну с напряжением 615 В при соответствующем переключении импульсов управления с тиристоров УБ1, УБ2, УБ5, УБ6 на тиристоры УБЗ, УБ4, 1^7, УБ8. После этого, регулируя момент открытия тиристоров УБЗ и У34, выпрямленное напряжение повышают от 1/2 до 3/4, а в зоне IV после полного открытия тиристоров УЗЗ и УБ4 и регулирования момента открытия тиристоров УБ1 и УБ2 выпрямленное напряжение увеличивается от 3/4 до полного значения.
Если необходимо снизить выпрямленное напряжение, штурвал контроллера машиниста вращают в обратную сторону; при этом углы регулирования постепенно увеличиваются и происходит обратное переключение с высших зон на низшие, причем порядок открытия тиристоров сохраняется в соответствии с принятым порядком (алгоритмом) подачи импульсов управления.
При тяговом режиме первичная обмотка А—X (см. рис 136,а) тягового трансформатора Т является приемником энергии, а вторичная а/—х1 — ее источником для тяговых двигателей, в ней э. д. с. и ток по направлению совпадают — их сдвиг по фазе не превышает я/2. У приемников энергии э. д. с. и ток по направлению противоположны — их сдвиг по фазе составляет от я до л/2.
Э. д. с. двигателей зависит от частоты вращения их якорей: с возрастанием частоты увеличивается э. д. с, при этом уменьшается ток 1Л. Когда Еа = еа, ток 1й = 0. Однако при Ел > ел ток 1й остается равным нулю, так как в обратном направлении тиристоры его не проводят; это определяет отсутствие обратимости статических преобразователей. Чтобы
возник генераторный ток 1а, совпадающий по направлению с Ел, необходимо переключить преобразователь в инвер-торный режим, т. е. обеспечить открывание тиристоров в отрицательный полупериод. Для этого нужно увеличить угол отпирания а настолько, чтобы он стал больше л/2, но меньше я (рис. 136,в) Кроме того, необходимо изменить направление э. д. с. Еи, для чего переключают концы обмоток возбуждения двигателей М1 и М2 и пересоединяют их на независимое возбуждение. При этом направление э. д. с. ей должно быть противоположно Ел и току 1й. В этом случае обмотка а/—х1 становится приемником энергии.
Э. д. с. е,, ток /, обмотки А-—X в ии-верторном режиме направлены согласно, и она становится источником энергии для контактной сети Напряжение, получаемое на обмотке А—X, при этом должно иметь ту же частоту (50 Гц), что и напряжение контактной сети. Это достигается путем синхронного с частотой се ти открывания вентилей. Чтобы происходила передача энергии от обмотки А—X в контактную сеть, э д с е, должна быть больше напряжения сети £/с.
Если не изменить полярность тиристоров и тем самым допустить, чтобы э. д. с. Еа совпадала по направлению с э. д. с еа обмотки а!—х1, образуется суммарная э. д. с, в результате чего наступит режим короткого замыкания, называемый опрокидыванием инвертора. Всякое нарушение питания цепей электровоза переменным напряжением (выключение главного выключателя электровоза, тяговой подстанции, отрыв токоприемника от контактного провода и т. д.) приводит к прекращению коммутации в генераторном режиме и к замыканию тяговых двигателей на вторичную обмотку трансформатора и на тиристоры, открытые в соответствующий полупериод. Этот режим близок к короткому замыканию, поскольку э. д. с. вторичной обмотки трансформатора исчезает. При электрическом торможении выпрямнтельно-инверторный преобразователь (ВИП) работает как зависимый инвертор, но чтобы ток от тяговых двигателей, работающих генераторами, протекал в контактную сеть, необходимо импульсы управления подавать
на тиристоры с некоторым углом опережения р в каждый полупериод напряжения сети. Значение этого угла изменяется аппаратурой управления автоматически так, чтобы угол запаса инвертора 6 сохранялся примерно постоянным и равным 20°. Этим поддерживается высокий коэффициент мощности.
Э. д. с. инвертора, а следовательно, и тормозной ток изменяются плавно на всех четырех зонах регулирования вследствие подачи импульсов управления на тиристоры ВИП в соответствии с алгоритмом управления. При этом в зонах //—IV происходит рекуперативное торможение (см. рис. 136,в), а в зоне /—плавный переход в режим торможения про-тивовключением тяговых двигателей.
На каждой зоне в режиме торможения тормозной ток может меняться не только в результате изменения э. д. с. ВИП, но также и регулирования тока возбуждения. Последний машинист задает, перемещая тормозную рукоятку. Чем меньше угол открытия тиристоров выпрямительной установки возбуждения (ВУВ), тем больше выпрямленное напряжение на обмотках возбуждения и ток возбуждения. С увеличением тока возбуждения растет тормозная сила электровоза. Машинист может регулировать работу ВИП и ВУВ раздельно, так как органы управления ими различны. Для облегчения работы машиниста и повышения устойчивости электрического торможения на электровозе ВЛ80Р предусмотрено не только ручное, но и автоматическое регулирование ВИП и ВУВ с помощью специальной системы противокомпаундиро-вания (начиная с электровоза № 1514). Эта система в зависимости от тормозного тока и скорости его изменения постоянно автоматически регулирует углы открытия тиристоров ВИП и ВУВ таким образом, чтобы не происходило резких бросков тормозного тока. Это значительно упрощает для машиниста процесс ввода в рекуперацию, так как нет необходимости следить за быстро изменяющимися токами якоря и возбуждения, регулировать их во избежание возникновения опасных резких толчков тормозных сил. Система осуществляет плавный вход в рекуперацию независимо от скорости движения тормозной рукоятки машинис-
том, а также смягчает резкие колебания тормозных токов (например, из-за бросков и снижения напряжения сети).
Система противокомпаундирования обладает большим быстродействием, позволяющим предотвращать опрокидывания инвертора и срывы рекуперативного торможения. Принцип ее работы заключается в том, что при резком увеличении тормозного тока мгновенно изменяются углы открытия тиристоров ВИП и ВУВ, в результате чего уменьшается и поддерживается постоянным тормозной ток. При регулировании тормозных токов машинистом вручную ток возбуждения и ток якоря изменяются с некоторым запаздыванием, относительно перемещения тормозной рукоятки и главного штурвала, определяемым работой автоматической системы противокомпаундирования.
Выпрямительно-инверторные преобразователи с несимметричным'управлением на отечественном э.п.с. применения не нашли.
|
|