Преобразователи частоты и числа фаз — это автономные инверторы, предназначенные для преобразования постоянного тока в трехфазный и изменения частоты в широких пределах для питания трехфазных асинхронных и синхронных (вентильных) тяговых двигателей. При этом во время пуска и разгона локомотива частота выходного напряжения должна быть наименьшей, а при высшей скорости движения — наибольшей. Известны различные схемы автономных инверторов (с междуфазовой коммутацией, с двухступенчатой коммутацией и др.). Рассмотрим ряд схем, примененных на опытных электровозах.
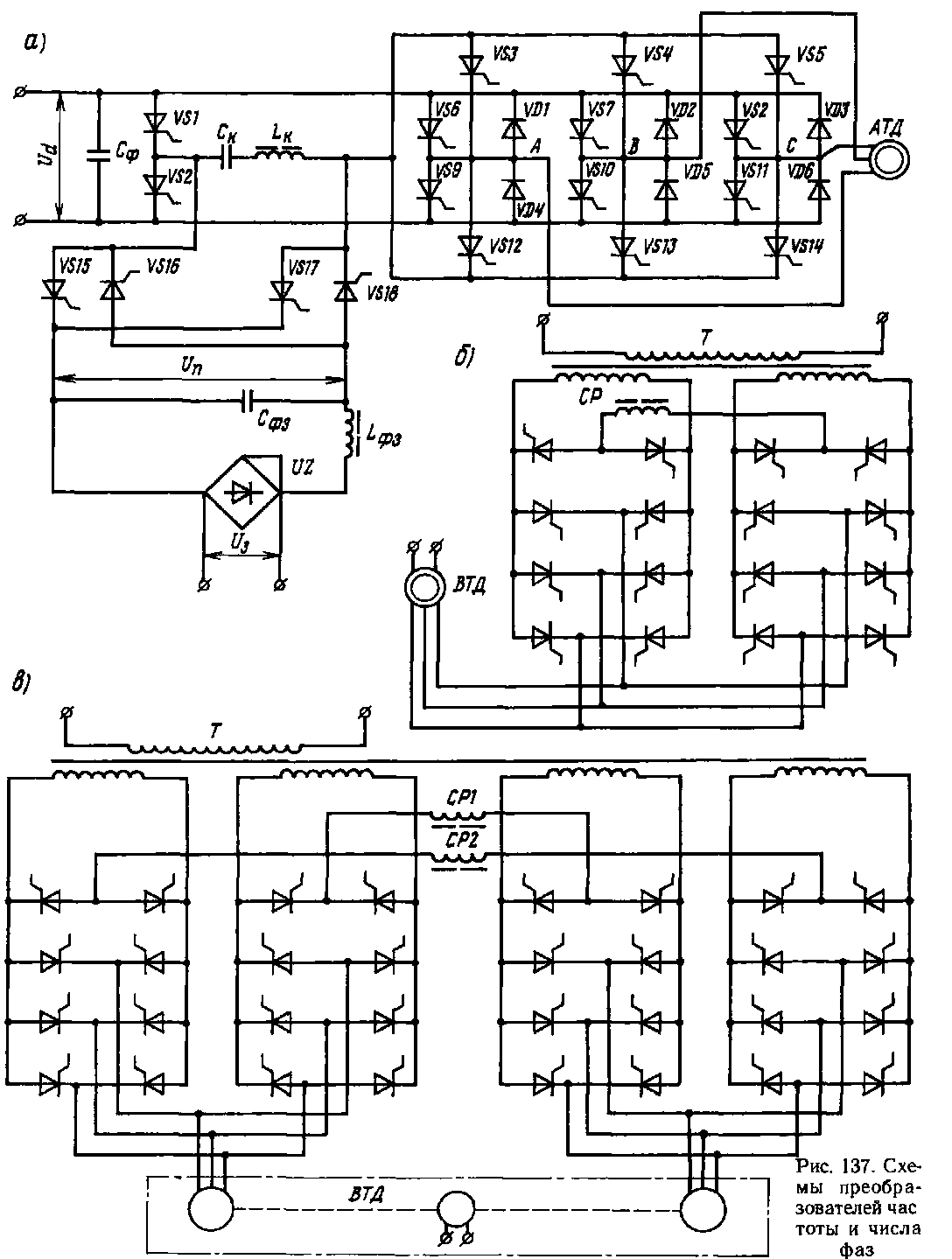
Автономный инвертор напряжения электровоза ВЛ80а выполнен по мостовой схеме (рис. 137,а), имеет шесть главных УЭб — УБП и восемь коммутирующих КЯ/ — УБ5У У512 — \ZS14 тиристоров, шесть обратных диодов КО/ — Уйб и общее коммутирующее устройство в виде колебательного контура Ск£к, получающего энергию через выпрямительный
мост VI небольшой мощности, с тиристорами УБ15 — ГО/в, фильтром £ф3Сф3 (чтобы обеспечить надежную коммутацию тиристоров независимо от значения входного напряжения і/^ и снизить размеры и массу конденсатора Ск). Продол-
жительность работы каждого главного теристора УБб — УБ4 без учета коммутации и времени протекания реактивного тока через обратные диоды (Уй1 — Уйб) составляет '/а периода, т. е. использование тиристоров при двухступен-

чатой коммутации выше, чем при междуфазовой коммутации. Для закрытия, например, тиристора VS6 при полярности конденсатора Ск, показанной на рис. \37,а, открывают тиристоры VS1 и VS3. Это приводит к разряду конденсатора Ск через LK, VS3, VD1 и VS7. Во время разряда на тиристор VS6 действует обратное напряжение, вызывающее почти мгновенное его закрытие. После разряда конденсатора Ск накопленная в реакторе LK магнитная энергия, превращаясь в электрическую, вновь заряжает конденсатор Ск, но с обратной полярностью, необходимой для закрытия очередного тиристора VS7, VS8. Аналогичен процесс и закрытия тиристоров VS9 —VS11.
Напряжение подзаряда Un должно соответствовать наибольшему возможному значению входного напряжения Udmax Исходя из напряжения U„ и учитывая необходимое время действия на главные тиристоры VS6 — VS11 обратного напряжения для восстановления у них после прекращения тока запирающих свойств, параметры коммутирующего контура определяют уравнением
KjB = (я - 2 aresin /тта;//"'/Ск) |/C,i„
С г, min
где к, — коэффициент надежности; tB — время, необходимое для восстановления у главных тиристоров запирающих свойств,
Лтах — ВОЗМОЖНЫЙ НЭИбоЛЬШИЙ ТОК ТИрИСТО-
ра; UHml„ — возможное наименьшее напряжение иа выходе источника подзаряда, частота которого в 3 раза выше частоты выходного напряжения автономного инвертора.
В результате открытия и закрытия тиристоров в определенной последовательности формируется трехфазное напряжение ступенчатой формы, которое подается на обмотку статора асинхронного двигателя AT Д. Уровень напряжения на статорной обмотке определяется выпрямленным напряжением Ud, поступающим на вход инвертора. Частоту питания этой обмотки регулируют, изменяя частоту переключения тиристоров. Чтобы асинхронный двигатель, работающий при разных частотах, имел высокие значения к.п д, коэффициента мощности и перегрузочную способность, необходимо одновременно с изменением частоты примерно в той же степени изменять и значение напряжения.
Автономные инверторы напряжения с двухступенчатой коммутацией имеют ряд преимуществ по сравнению с такими же инверторами с междуфазовой коммутацией. Благодаря разделению процессов в коммутирующих цепях я фазах нагрузки выше надежность коммутации при регулировании частоты и напряжения в широких пределах и изменениях нагрузки и коэффициента мощности. Такие инверторы имеют жесткую внешнюю характеристику, при которой выходное напряжение почти не зависит от нагрузки в широком диапазоне изменения частоты.
Преобразователи вентильных тяговых двигателей опытных электровозов ВЛ80В-П29, ВЛ80В-1130 и ВЛ83-001 выполнены с неявно выраженным звеном постоянного тока соответственно с двух-(рис. 137,6) и четырехзонным (рис. 137,в) регулированием напряжения. В этих преобразователях одни и те же тиристоры осуществляют выпрямление переменного тока на входе в обмотку якоря (расположена на статоре) тягового двигателя (сетевая коммутация) и коммутацию тока в самой якорной обмотке в соответствии с изменением положения ротора (машинная коммутация). Это обеспечивает более высокий к.п.д. по сравнению с к.п.д. системы, имеющей явное звено постоянного тока, где в любой момент времени цепь тока замыкается последовательно через два комплекта вентилей — выпрямляющие и коммутирующие
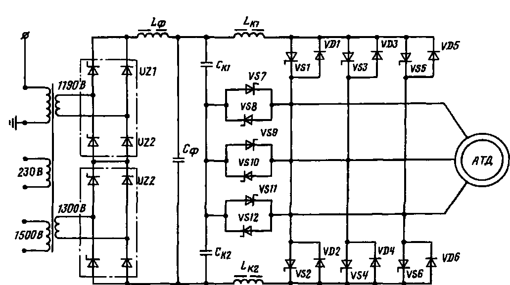
Для 12-осного электровоза при мощности продолжительного режима 10,8 МВт разработано ВЭлНИИ два варианта преобразователя и системы управления. В первом варианте за основу принят автономный инвертор напряжения с амплитудным регулированием, в котором применен тиристорный выпрямитель с принудительной коммутацией (использован опыт разработки электровоза ВЛ80а-751, см. рис. 137,а). Во втором варианте для преобразователя принята схема рис. 138.
Преобразователь состоит из выпрямителя, фильтра £фСф и автономного инвертора напряжения с широтно-импуль-сной модуляцией. Выпрямитель представляет собой два полууправляемых моста 1)11 и 1)12, соединенных последователь-

Рис. 138. Схема преобразователя со звеном постоянного тока
но по цепи постоянного тока Мост £/2/ включен в работу постоянно; при отсутствии нагрузки иа инверторе конденсатор Сф заряжается до амплитуды напряжения вторичной обмотки трансформатора за вычетом падения напряжения Дб'зд в выпрямителе: £/Сф = /Титр — — Д£/во. При работе инвертора напряжение' 1670 В иа фильтровом конденсаторе поддерживается за счет фазового регулирования моста 1Л2. В принципе мост 1Л1 можно было бы выполнить неуправляемым, схема в этом случае является более гибкой, так как в этом случае закрытием моста можно исключить подпитку от трансформатора при коротком замыкании в цепи промежуточного звеиа постоянного напряжения или при опрокидывании инвертора.
К главным тиристорам инвертора может прикладываться только прямое напряжение, так как в обратном направлении оии шунтированы диодами. Коммутирующие тиристоры К57 — УБ12 могут находиться как под прямым, так и под обратным напряжением, равным 1,5[/Сф = = 250 В. Все тиристорные и диодные плечи содержат по три последовательно соединенных вентиля с повторяющимся напряжением 1400 В. Время выключения главных тиристоров 30 мке, коммутирующих 40 мкс. Каждое плечо главных тиристоров и соответствующее ему диодное плечо имеют #С-цепочки. Реакторы
коммутирующие Ьк1 и £к2 и коммутирующие конденсаторы Ск1 и Ск2 общие для всех трех фаз инвертора.
При коммутации одна из групп конденсаторов соединяется последовательно с конденсатором Сф. Период колебаний при индуктивности коммутирующих реакторов, равной, например, 4 мкГн,
Т = 2л^ЬкСкзкв = 152 мкс.
Время выключения будет составлять 152:2 = 76 мкс. Коммутирующие реакторы включены в цепь силового тока и, кроме своего основного назначения, ограничивают скорость нарастания тока.
|
|