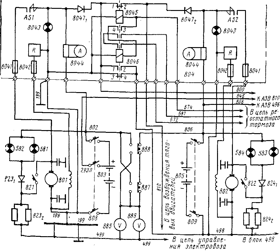
Питание всех низковольтных цепей осуществляется от генераторов управления 801, 802 (рис. 14), а в процессе подготовки электровоза к работе или в случае выхода генераторов из строя — от 'аккумуляторных батарей 803, 805. Кроме того, в момент начала реостатного торможения от источников низкого напряжения получают питание обмотки возбуждения тяговых двигателей. Этим обусловлена необходимость в двух аккумуляторных батареях, которые, как и генераторы управления, для получения напряжения 100 В соединяются последовательно.
К нагрузке аккумуляторные батареи 803, 805 подключаются автоматическими защитными выключателями (АЗВ) 808, 809, а генераторы управления 801, 802 — контактами AS1, AS2 двух реле обратного тока, установленных на распределительном щите 804. Вследствие этого обеспечивается совместная работа каждого генератора с определенной аккумуляторной батареей, причем последние работают в режиме постоянного подзаряда. Заградитель-

Рис. 14. Схема питания низковольтных цепей
ные диоды 8047\, 8047ч исключают возможность перетекания тока от одной группы (генератор—батарея) к другой в режиме тяги, когда замкнуты контакты 1-2 реле 8045. При равенстве напряжений генераторов управления нагрузка между ними (провод 800) распределяется равномерно, а в случае выхода из строя одного из них (пли одной из аккумуляторных батарей) питание осуществляется от исправного. Минусовые выводы генератора 801 п батареи 803 подключены к общему для цепей управления земляному проводу 499. Минусовые выводы генератора управления 802 и батареи 805 соединены с проводом 498, который на электровозах ЧС2т-945—1024 в режиме тяги подключен контактами 3-4 реле 8046 к земляному проводу 199, >а следовательно, к проводу 499. На электровозах ЧС2Т, начиная с № 1025, провод 199 соединен с проводом 498 через диод 8048. Наличие контактов 3-4 реле 8046 или диода 8048 в указанной цепи обусловлено спецификой использования источников питания прн реостатном торможении.
В этом режиме возбуждаются катушки реле 8045 и 8046, в результате чего две самостоятельные группы источников питания соединяются последовательно. Образуется следующая цепь: плюс батареи 803 и генератора управления 801 (через контакты AS1), диод 8047и замкнутые контакты 1-2 реле 8046 (контакты 1-2 реле 8045 разомкнуты), провод 498, отсоединенный от земли разомкнутыми контактами 3-4 реле 8046 или диодом 8048, батарея 805 и генератор управления 802, провод 810. От этого провода напряжение подается на последовательно соединенные обмотки возбуждения, другие концы которых соединены проводом 199 с минусовым выводом батареи 803 и генератора 801. Длительность питания обмоток возбуждения от источников низкого напряжения составляет всего несколько секунд. Однако такая-схема их соединения сохраняется до окончания режима торможения. Питание цепей управления осуществляется при этом только от одной группы — генератора управления 801 или аккумуляторной батареи 803.
От общего провода 800 через индивидуальные автоматические выключатели напряжение подается в следующие цепи: управления электровозом; управления реостатным тормозом; управления разъединителями токоприемников и заземлителем; токоприемником, быстродействующим выключателем; питания промежуточного реле; нагревательных элементов картеров компрессоров; вентиляторов калориферов отопления кабин; мотор-компрессоров в системе кондиционирования воздуха (на электровозах с ЧС2т-1025); питания группы сигнального реле блока 575; питания блока 510 защиты от боксования и управления песочницами, звуковыми сигналами; питания сигнальных ламп срабатывания защит и состояния тормозов состава; питания потенциометров указателя позиций; системы отыскания неисправностей «ПУМ-Шкода»; штепсельных розеток; управления прожекторов; буферных фонарей; освещения машинного помещения и высоковольтной камеры; кабин машиниста; ходовых частей; элементов обо-
грсва лобовых окон; преобразователя радиостанции; системы автоматической локомотивной сигнализации АЛСН (через контакты переключателя 780); вспомогательного мотор-компрессора и вентиляторов охлаждения возбудителя; электроплитки; холодильника; нагревательного элемента умывальника; элементов для обогревания ног; обогревателей влагосборников; вентиляторов кабин и катушки контактора вспомогательного мотор-компрессора.
На электровозах, начиная с ЧС2т-1025, предусмотрен штепсельный разъем 686 для подачи напряжения 50 В на провод 800 от сети депо. Эта цепь защищена АЗВ 685.
Кроме рассмотренных цепей питания от провода 800, напряжение в систему управления электропневматическими тормозами подается через АЗВ 810 от отдельного вывода аккумуляторной батареи 803. Питание преобразователя 498 напряжением 50 В. осуществляется от провода 806 (через АЗВ 496), который подключен к плюсовому выводу аккумуляторной батареи 805- Провод 498, соединенный с минусовым выводом батареи, в режиме реостатного торможения отсоединяется от общего провода 199. Этим обеспечиваются автономность источника питания для электронных устройств реостатного тормоза и гальваническая развязка от остальных цепей управления.
Токовая защита генераторов управления осуществляется плавкими предохранителями 8041 в цепи якоря и 8042 в цепи обмотки параллельного возбуждения. Для измерения тока аккумуляторных батарей как в режиме заряда, так и в режиме разряда служат шунты 8044 с амперметрами, установленными на панели распределительного щита 804. С помощью вольтметров 885, 886 (по одному па панели каждой кабины машиниста) можно определить напряжение 'аккумуляторных батарей. Во всех режимах, кроме реостатного торможения, вольтметр показывает напряжение батареи 805, а при нажатии кнопки 887 или 888 на пульте управления — напряжение батареи 803. В режиме реостатного торможения показание вольтметра соответствует напряжению двух последовательно соединенных аккумуляторных батарей.
Сигнальные лампы 581, 583 в первой кабине машиниста и 582, 584 во второй загораются с нормальной яркостью при включенных аккумуляторных батареях и неработающих генераторах управления, получая питание от плюсового вывода соответствующей батареи через диод 823х или 824ь АЗВ 821 или 822 и якорь генератора управления. Когда работают генераторы, цепи сигнализации замыкаются на землю через резисторы 823% 8242, вследствие чего яркость ламп существенно понижается.
На электровозах, начиная с ЧС2т-1025 параллельно якорю генератора управления 801 включена катушка вспомогательного реле 806, замыкающие контакты 806 (см. рис. 27) которого находятся в цепи питания катушки контактора 719 обмотки параллельного возбуждения двигателя компрессора кондиционера.
|
|