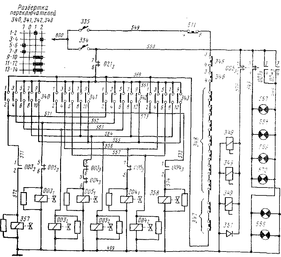
Для подъема одного из токоприемников необходимо подать питание на катушку соответствующего вентиля — 357 или 358 (рис. 15). Управление токоприемниками осуществляют переключатели 340, 341 в первой кабине машиниста и 342, 343 во второй. Переключатели расположены на панелях управления и механически блокируются замком, ключ от которого пригоден только для данного электровоза. Этим исключается возможность управления электровозом одновременно из двух кабин.
Переключатели 340—343 осуществляют также включение и выключение разъединителей 003, 004 и заземлителя 005. Для управления токоприемниками предназначены их контакты 1-2. Па-пряжение к ним подается от общего провода 800 через автоматический защитный выключатель 335, контакты 4-6 переключателя 511 блока отыскания неисправностей системы «ПУМ-Шко-да», контакты 3-4 аварийных выключателей «Стоп» 345 и 346, девять последовательно включенных блокировок безопасности 347, 348.

Рис. 15. Схема цепей управления токоприемниками и разъединителями
Все указанные контакты служат для обеспечения безопасности обслуживающего персонала и движения поездов: контакты переключателя блока отыскания неисправностей исключают возможность подъема токоприемника при пользовании блоком; размы-, каине контактов выключателя «Стоп» приводит к автоматическому опусканию токоприемника в 'аварийной ситуации, вызвавшей необходимость остановки локомотива; наличие блокировок безопасности позволяет осуществить подъем токоприемника только при заблокированных щитах и дверях высоковольтной камеры.
После замыкания контактов 1-2 переключателя получает питание катушка вентиля 357 или 358 через соответствующие блок-контакты 003г или 004ъ разъединителей. Следовательно, подъем токоприемника возможен только, если включен его разъединитель.
Управление разъединителями осуществляется с помощью вентилей 003х, 0032 и 004ь 0042. Питание на катушки вентилей подается автоматическим защитным выключателем 334 через блок-коигакты 021ъ быстродействующего выключателя, замкнутые в его отключенном положении. Это гарантирует возможность управления разъединителями только в обесточенном состоянии.
Включение разъединителей производится при установке соответствующих переключателей 340—343 в положение 2, в котором замыкаются их контакты 3-4. Последовательно в цепи катушек вентилей 003,, 004и предназначенных для включения разъединителей, включены блок-контакты 0053 заземлителей, благодаря чему разъединители можно включить только при выключенном заземлителе. Выключение разъединителей происходит при переводе переключателей 340—343 в крайнее положение 7, в котором замыкаются контакты 5-6 и подается напряжение на катушку вентиля 0032 или 004ч. В этом положении переключателя замыкаются контакты 7-8, которые находятся в цепи питания катушки вентиля 005х заземлителя. Как только разъединители будут выключены, замкнутся их блок-контакты 0033 и 0043 в цепи катушки вентиля 005ъ и заземлитель перейдет в положение, обеспечивающее заземление силовой цепи.
Размыкание цепи заземлителя производится после подачи питания на катушку вентиля 005ч, т. е. при замыкании контактов 9-10 в положениях / или 2 переключателей 340—343.
|
|