ЭПТ ЭЛЕКТРОПОЕЗДОВ
ЭПТ электропоездов, оборудованных краном машиниста усл.№ 334Э
Оборудование ЭПТ электропоездов включает в себя ряд дополнительных устройств, обеспечивающих работу схемы. Так. кран машиниста усл.№ 334Э связан с вентилем перекрыши ВП-4700, на трубопроводах ТЦ (или на самих ТЦ) расположены сигнализаторы отпуска тормозов, а на отводах тормозной магистрали - автоматические выключатели управления, в кабинах управления установлены тормозные переключатели и блок-реле. Каждый вагон электропоезда оборудован электровоздухораспределителем усл.№ 305-001. В схеме ЭПТ используются питающие и линейные провода:
- питающие - № 15 (плюсовой) и № 30 (минусовой);
- линейные - № 43 (обратный), №45 (контрольный, блокировочный), №47 (тормозной), №
49 (отпускной), №51 (сигнальный).

Тормозной переключатель ППТ служит для подключения электрических цепей ЭПТ к источнику питания. По принципу действия он является переключателем барабанного типа и имеет три фиксированных положения рукоятки:
- I - включено (устанавливается на головном вагоне);
- II – нейтральное;
- III - выключено (устанавливается на хвостовом вагоне).
Тормозной переключатель имеет корпус 3, в котором расположен барабан 7 с тремя
медными сегментами 5, 11, 16 и фиксатором 6. Корпус имеет планки 15 для
крепления его к стенке кабины. В корпусе помещена деревянная колодка 4, на
которой смонтированы две контактные губки 1 и 2 для установки предохранителя и
шесть пружинных контактных пальцев 8, 9, 10, 12, 13, 14. Пальцы опираются
свободными концами на барабан 7 обеспечивая контакт с его медными сегментами. К
контактным пальцам и губке 2 подключаются электрические провода. Плюсовой провод
№15 подключается к губке 2 и через установленный в губках предохранитель - к
контактному пальцу 12. К пальцам 13 и 14 подключены соответственно минусовой (№
30) и обратный (№ 43) провода. К пальцу 10 подключается провод, идущий к
контроллеру крана машиниста и сигнальной лампе, к пальцу 9 - отпускной провод (№
49), к пальцу 8 - провод от катушки блок-реле. В положении I переключатель
замыкает пальцы 10 и 12, в положении II все пальцы разомкнуты, а в положении III
замкнуты пальцы 13, 14, 8, 9.

Блок-реле служит для контроля исправности электрических цепей
перекрыши и торможения. Блок-реле включается в схему при постановке тормозного
переключателя в положение III. Конструктивно блок-реле представляет собой
электромагнитный контактор.
На изоляционной панели 1 блок-реле смонтированы катушка 3, магнитная система,
состоящая из ярма 2, сердечника 12 и якоря 13, и контактные шпильки 5 и 6, с
которыми связаны подвижной 8 и неподвижный 7 контакты. Зазор между контактами
регулируется винтом 11, а также гайкой 15, изменяющей усилие пружины 14. Гибкий
шунт 4, соединяющий подвижной контакт 8 с контактной шпилькой 5, закреплен
центрирующим винтом 9. Все элементы блок-реле закрыты металлическим кожухом 10.
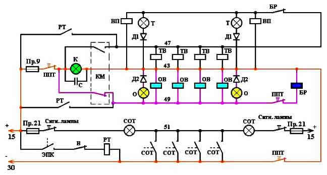
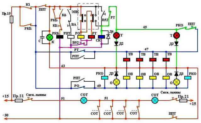
На рисунке показана схема ЭПТ электропоездов ЭР-1, ЭР-2 (до № 1028) и ЭР-9П (до № 345), оборудованных краном машиниста усл.№ 334Э.

Питание цепей тормоза осуществляется от аккумуляторных батарей 50В, подключенных
параллельно к питающим проводам - № 15 и № 30. Включение ЭПТ производится
тормозными переключателями ППТ, рукоятки которых должны быть установлены в
положения, соответствующие направлению движения поезда, то есть в головном
вагоне в положение I (голова), в хвостовом вагоне - в положение III (хвост).
Если тормозные переключатели имеются на промежуточных вагонах, то их рукоятки
должны быть установлены в положение II.
При установке ППТ в обеих кабинах в соответствующие положения его контактами
собираются электрические цепи:
в головной кабине: ППТ соединяет питающий провод (+)15 с лампой «К»
(контроль) и одновременно подает (+) на шину контроллера крана машиниста (ККМ);
в хвостовой кабине: ППТ соединяет обратный провод 43 с питающим проводом
(-)30 и отпускной провод 49 с катушкой блок-реле (БР).
Зарядка и отпуск (1-е положение КМ 334 Э). В пневматической сети
тормоза происходит зарядка УР и ТМ из ГР через кран машиниста, а также зарядка
ЗР из ТМ через ВР № 292-001. ТЦ и РК ЭВР № 305-001 сообщены с атмосферой.
В электрической цепи ЭПТ происходит следующее:
контакты ККМ разомкнуты и ток в отпускной и тормозной провода не поступает.
Катушки вентилей ОВ и ТВ не возбуждены. При этом в кабине головного вагона
загорается сигнальная лампа «К» по цепи:
питающий провод (+)15; предохранитель Пр.9; контакты ППТ головной кабины;
лампа «К»; обратный провод 43; контакты ППТ хвостовой кабины; питающий провод
(-)30.
Эта цепь остается неизменной при всех положениях ручки КМ. Горящая лампа «К»
свидетельствует о том. что ППТ в кабинах включены правильно и электрическая цепь
обратного провода 43 не имеет разрыва по всему поезду.
Блок-реле (БР) питания не получает, контакты сигнализатора отпуска тормозов
(СОТ) разомкнуты.
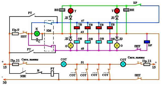
Поездное положение (положение IIА КМ 334 Э) При переводе ручки КМ из 1-го положения в положение IIА контакты ККМ не замыкаются и никаких изменений в электрических цепях ЭПТ не происходит. В этом положении редуктор № 348 КМ 334 Э пополняет утечки из ТМ электропоезда.

Перекрыша с питанием и без питания тормозной магистрали (II-е и III-е положения
КМ 334 Э). При постановке КМ в положение II или III замыкаются
соответствующие контакты ККМ, через которые ток поступает в отпускной провод 49.
При этом возбуждаются ОВ ЭВР всех вагонов, в обеих кабинах загораются сигнальные
лампы «О» (отпуск) и получает питание катушка БР хвостового вагона:
питающий провод (+)15, предохранитель Пр.9, контакты ППТ головной кабины,
контакты ККМ II-III, отпускной провод 49, катушки ОВ ЭВР всех вагонов (лампы «О»
головного и хвостового вагонов), обратный провод 43, контакты ППТ хвостовой
кабины, питающий провод (-) 30.
провод (+)15; Пр.9; контакты ППТ (гол.); контакты ККМ II-III; провод 49;
контакты ППТ (хв.); катушка БР; провод 43; контакты ППТ (хв.); провод (-)30.
Контакты БР хвостового вагона подключают тормозной провод 47 (без тока) к
блокировочному проводу 45. Лампа «О» хвостового вагона сигнализирует о
целостности провода 49, лампа «О» головного вагона сигнализирует только о том,
что на провод 49 подано напряжение.
В положении II ТМ пополняется сжатым воздухом через редуктор № 348 крана
машиниста, в положении III – ГР, ТМ и УР разобщены между собой.

Служебное и экстренное торможение (IV-е и V-е положения КМ 334 Э).
При служебном торможении через замкнувшиеся контакты ККМ IV-V и
ранее замкнутые в перекрыше контакты II-III ток от плюсового вывода источника
питания поступает в тормозной и отпускной провода. При этом возбуждаются катушки
ТВ и ОВ ЭВР всех вагонов:
провод (+)15, Пр.9, контакты ППТ (гол.), контакты ККМ IV-V, провод 47,
катушки ТВ, провод 43, контакты ППТ (хв.), провод (-)30.
Через замкнувшиеся ранее контакты БР хвостового вагона с блокировочного провода
45 по параллельным цепям получают питание вентили перекрыши (ВП) в обеих кабинах
и загораются сигнальные лампы «Т» (торможение) головного и хвостового вагонов:
провод (+)15, ПР.9, контакты ППТ (гол.), контакты ККМ IV-V, провод 47,
контакты БР, провод 45, катушки ВП (лампы «Т» головного и хвостового вагонов),
провод 43, контакты ППТ (хв.), провод (-)30.
Вентиль перекрыши исключает разрядку УР и. следовательно, обеспечивает
торможение ЭПТ без разрядки ТМ.
Лампа «Т» хвостового вагона сигнализирует о целостности тормозного провода 47, а
лампа «Т» головного вагона - о целостности проводов 47 и 45.
Появление давления в ТЦ приводит к срабатыванию СОТ и включению сигнальной лампы
«СОТ» на пульте машиниста:
провод (+)15, предохранитель Пр.21, контакты выключателя «Сигнальные
лампы», лампа «СОТ», провод 51, контакты СОТ, провод (-)30.
Если в процессе служебного торможения (например, при обрыве проводов) потеряет
питание катушка БР хвостового вагона, и. следовательно, потеряет питание ВП, то
произойдет разрядка УР крана машиниста, а значит и разрядка ТМ. Таким образом,
на торможение сработают ВР № 292-001 и произойдет автоматическое замещение ЭПТ
пневматикой.
При экстренном торможении происходит разрядка ТМ через кран машиниста. В этом
случае ВР № 292-001 хотя и придут в действие, но торможения не произведут, так
как наполнение ТЦ будет осуществляться ЭВР № 305-001 за счет более высокого их
быстродействия.
При срабатывании ЭПК автостопа получает питание катушка реле торможения (РТ) по
цепи:
провод (+)15, контакты ЭПК, контакты тумблера («Б») отключения РТ, катушка
реле РТ, провод (-)30.
При этом через замкнувшиеся контакты РТ подается напряжение на отпускной и
тормозной провода напрямую от источника питания (минуя контакты ККМ), то есть в
этом случае имеет место торможение ЭПТ. Одновременно замыкающие контакты РТ
подают напряжение на провод 40 (на схеме не показаны), обеспечивая
автоматическую подачу песка под колесные пары, а размыкающие контакты РТ (на
схеме не показаны) разбирают схему тяги электропоезда.
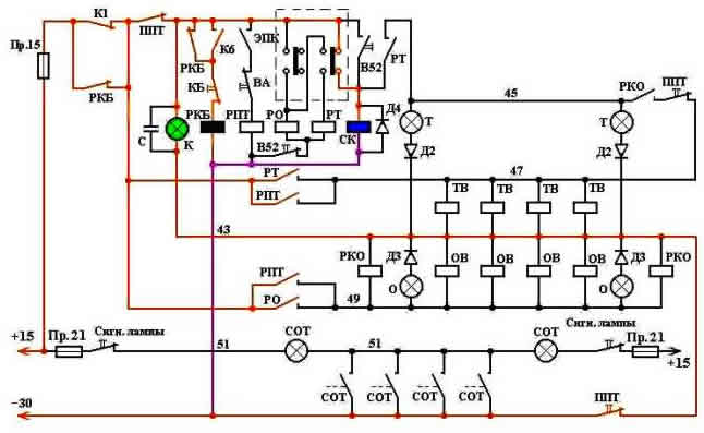
ЭПТ электропоездов, оборудованных краном машнниста усл.№ 595-000-5
Схема ЭПТ электропоездов, оборудованных краном машиниста усл.№ 395-000-5 несколько отличается от рассмотренной выше схемы. В схему ЭПТ дополнительно включено:
- Срывной клапан (СК), подключенный к ЭПК и осуществляющий контроль целостности электрических цепей ЭПТ при всех режимах управления ЭПТ. При обрыве проводов 45, 47, 49 или если машинист отпустит кнопку бдительности «КБ», срывной клапан, воздействуя на ЭПК, вызовет автостопное торможение.
- Отпускное (РО) и тормозное (РТ) реле, которые применяются как промежуточные реле для устойчивого управления ЭПТ, поскольку в контроллере КМ № 395 используются микропереключатели малой мощности.
- Реле контроля отпуска (РКО) - вместо БР.
- Выключатель ЭПТ «В52», имеющий два положения: «ЭПТ» и «Выключено».
- Реле контроля (кнопки) бдительности (РКБ).
На рисунке показана схема подключения СК к электропневматическому клапану автостопа. Срывной клапан представляет собой электромагнитный вентиль включающего типа, клапанная система которого через разобщительный кран 2 сообщена с полостью над срывным клапаном 1 ЭПК 11. Разобщительный кран перекрывается только в случае выключения ЭПТ.

СК состоит из катушки 6, установленной на каркасе 9, сердечника 7 и якоря 10.
Внутри сердечника проходит стержень 8, в нижней части которого расположены
впускной 4 и выпускной 5 клапаны.
При наличии питания на катушке СК якорь, притягиваясь к сердечнику, воздействует
на стержень и перемещает его в нижнее положение. При этом выпускной клапан СК
закрывается и полость над срывным клапаном 1 ЭПК оказывается разобщенной от Ат1.
При отсутствии питания на катушке СК его клапанная система под действием пружины
3 находится в верхнем положении, при котором впускной клапан 4 закрыт, а
выпускной клапан 5 открыт. При этом сжатый воздух из полости над срывным
клапаном ЭПК через разобщительный кран и выпускной клапан СК выходит в атмосферу
Ат1. Избыточным давлением из ТМ срывной клапан ЭПК поднимается вверх и
происходит разрядка тормозной магистрали экстренным темпом в атмосферу Ат2, то
есть срабатывание ЭПК автостопа.

На рисунке показана схема ЭПТ электропоездов ЭР-2 с № 1028 и ЭР-9П с № 345.
При включении в головной кабине ППТ в положение «Головной вагон», а в хвостовой
кабине - «Хвостовой вагон» создается электрическая цепь на сигнальную лампу «К»
- контроля целостности обратного провода:
провод (+)15, Пр.15, контакт К1(0) реверсивного барабана контроллера
машиниста, замкнутый при нейтральном положении реверсивной рукоятки, контакты
ППТ (гол.), лампа «К», провод 43, контакты ППТ (хв.), провод (-)30.
Катушка СК в этом случае будет получать питание по цепи:
провод (+)15, Пр.15, контакт К1(0), контакты 11111 (гол.); контакты В52
(верхние по схеме на рис. 7.13), катушка СК, провод (-)30;
и по параллельной цепи через контакты ККМ V-VI, замкнутые в правом положении.
Чтобы ЭПТ действовал, необходимо перевести выключатель В52 в положение «ЭПТ».
При этом верхний (на схеме) контакт В52 размыкается, а нижний -
замыкается и катушки РО и РТ подключаются к проводу (-)30.
При I-м и II-ом положениях ручки КМ № 395 цепь питания СК будет
следующей:
провод (+)15, Пр.15, контакт К1(0) (или контакт РКБ, если рукоятка
контроллера машиниста находится в ходовом положении), контакты ППТ (гол.),
контакты ККМ V- VI, катушка СК, провод (-)30.
Цепь питания лампы «К» остается прежней.

При III-м и IV-ом положениях ручки КМ № 395 цепь питания СК
сохраняется. Через контакты ККМ III-IV - они переключаются в левое положение (по
рис.) при переводе ручки КМ в перекрышу - подается напряжение на катушку
реле РО, которое замыкает свой контакт в цепи отпускного провода 49. По этому
проводу получают питание вентили ОВ ЭВР всех вагонов и катушки РКО. РКО
хвостового вагона готовит электрическую цепь с провода 47 (без тока) на провод
45.Одновременно по параллельным цепям загораются сигнальные лампы «О» головного
и хвостового вагонов:
провод (+)15, Пр.15, контакты РКБ, контакты ППТ (гол.), контакты ККМ
III-IV, катушка РО, контакты В52 (нижние по схеме на рис.8.13), провод (-)30.
провод (+)15, Пр.15, контакты РКБ, контакты РО, провод 49, катушки ОВ
(лампы «О»), провод 43, контакты ПТ (хв.), провод (-)30.
Лампа «О» головного вагона сигнализирует о подаче напряжения на провод 49, а
лампа «О» хвостового вагона - о целостности провода 49.

При VА, V-ом и VI-ом положениях ручки КМ № 395 контакты V-VI ККМ
переключаются в левое положение (по схеме). Через эти контакты
получает питание катушка реле РТ (цепь питания катушки РО сохраняется), которое
замыкает свои контакт в цепи тормозного провода 47. Следовательно, получают
питание катушки вентилей ТВ ЭВР всех вагонов:
провод (+)15, Пр.15, контакты РКБ, контакты ППТ (гол.); контакты ККМ
III-IV, контакты ККМ V-VI, катушка РТ, контакты В52, провод (-) 30.
провод (+)15, Пр.15, контакты РКБ, контакты РТ, провод 47, катушки ТВ,
провод 43, контакты ППТ (хв.), провод (-)30.
Замкнутые ранее контакты РКО хвостового вагона пропускают ток с тормозного
провода 47 на блокировочный провод 45, с которого включаются лампы «Т»:
провод (+)15, Пр.15, контакты РКБ, контакты РТ, провод 47; контакты ППТ
(хв.), контакты РКО, провод 45, лампы «Т», провод 43, контакты ППТ (хв.); провод
(-)30.
Изменяется и схема цепи питания СК:
провод (+)15, Пр.15, контакты РКБ, контакты РТ, провод 47, контакты ППТ
(хв.), контакты РКО, провод 45, контакты РТ; катушка СК, провод (-)30.
Лампа «Т» хвостового вагона сигнализирует о целостности провода 47, а лампа «Т»
головного вагона - о целостности проводов 47 и 45.
После срабатывания ЭВР на торможение происходит наполнение ТЦ и контакты СОТ
замыкаются, создавая электрическую цепь сигнальной лампы «СОТ»:
провод (+)15, Пр.21, контакты выключателя «Сигнальные лампы», провод 51,
лампы «СОТ», провод (-)30.
В случае срабатывания ЭПК получает питание катушка промежуточного реле
торможения (РПТ) по цепи:
провод (+)15, Пр.15, контакты РКБ, контакты ППТ (гол.), контакты ЭПК,
контакты выключателя ВА, катушка РПТ, провод (-)30.
При этом через замкнувшиеся контакты РПТ подается напряжение на отпускной и
тормозной провода 49 и 47 напрямую от источника питания (минуя контакты ККМ), то
есть имеет место торможение ЭПТ.
Контакты выключателя «ВА» служат для отключения реле РПТ при выходе из строя
ЭПК.
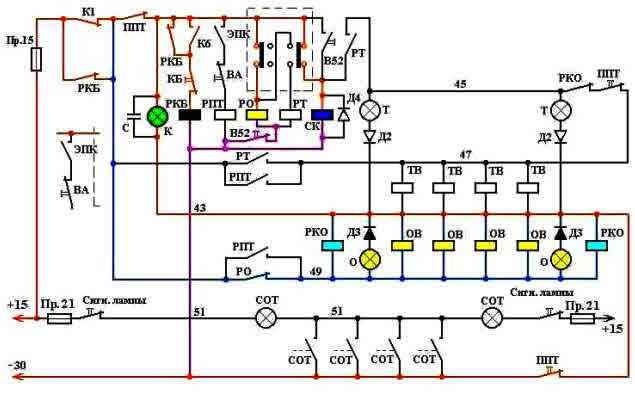
ЭПТ электропоездов с электрическим тормозом
Электропоезда ЭР-2Р, ЭР-2Т, ЭТ-2 оборудованы реостатно-рекуперативным
(электрическим) тормозом на моторных вагонах и ЭПТ и автоматическим тормозом на
каждом вагоне.
Электрическое торможение применяется от любой скорости движения до скорости 10
-15 км/ч, при которой происходит дотормаживание ЭПТ.
В электрических цепях тормоза использован ряд дополнительных электрических
аппаратов, в частности:
- ПРТ - промежуточное реле торможения;
- РВТ - реле выдержки времени;
- РЗТ - реле замещения;
- РКТ - реле контроля электрического тормоза;
- РПТ - реле пневматического тормоза;
- КВТ - контактор выдержки времени торможения; и другие.
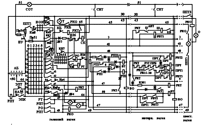
Схема ЭПТ электропоезда ЭР-2Т показана на рисунке.
Контроллер машиниста, с помощью которого можно управлять электрическим тормозом и ЭПТ имеет 5 тормозных положений:
1Т - сбор тормозной схемы и торможение с минимальным тормозным током якоря - 100 А (т.н. минимальная уставка тока якоря); При этом через замкнутые контакты контроллера машиниста и контакты кнопки «Отпуск» от провода 44 (+50В) подается питание на провод 49 и, следовательно, возбуждаются вентили ВО ЭВР всех вагонов;
2Т - торможение моторными вагонами с пониженной уставкой (тормозной ток якоря не превышает 250А);
3Т - торможение с нормальной уставкой, при котором тормозной якорный ток не превышает 350 А;
4Т - комбинированное торможение, при котором на моторных вагонах действует электрический тормоз с нормальной уставкой, а на головных и прицепных вагонах – ЭПТ. В этом случае от провода 44 (+50В) через контакты контроллера машиниста и контакты кнопки «Торможение» подается питание на провод 8, по которому через размыкающий контакт (р.к.) РТП1 возбуждаются ВТ ЭВР головных и прицепных вагонов. Давление в ТЦ головных и прицепных вагонов зависит от времени выдержки рукоятки контроллера машиниста в положении 4Т, поэтому этим положением пользуются кратковременно, периодически возвращая контроллер в положение ЗТ или 2Т.
5Т - моторные вагоны работают в режиме электрического торможения с нормальной
уставкой с одновременным включением ЭПТ на всех вагонах, при этом через
замкнутые контакты контроллера машиниста от провода 44 (+50В) подается
напряжение на провод 47, по которому возбуждаются вентили ВТ ЭВР головных и
прицепных вагонов. Одновременно с провода 47 подается напряжение на катушки реле
РКТ всех вагонов. Реле РКТ на моторных вагонах встает на самопитание от провода
40 и замыкает свой контакт в цепи ВТ ЭВР. Таким образом, вентили ВТ ЭВР на
моторных вагонах получают питание от провода 47 через замкнувшиеся контакты РКТ.
Размыкающий контакт РКТ отключает контактор «III» (контактор «III» управляет
шунтировкой цепи возбуждения тяговых электродвигателей), а при давлении в ТЦ
более 1.3 - 1.5 кгс/см2 срабатывают пневматические выключатели управления ПВУ
(«АВТ»), контакты которых также размыкаются в цепи контактора «III». При этом
происходит разборка схемы электрического тормоза, а во всем поезде работает
только ЭПТ.
Основное назначение этого положения - немедленная остановка поезда ЭПТ (при
действии ЭПТ всех вагонов поезда) при скорости менее 30 - 40 км/ч в режиме
электрического торможения, то есть когда ЭПТ действует более эффективно, чем
электрический тормоз.
Цепи включения реле контроля безопасности (РКБ). Питание на контроллер машиниста
подается выключателем управления ВУ через контакты ППТ-1 и замкнутые контакты
кнопки «Возврат защиты» по цепи:
(+)АБ 110 В, провод 15, контакты ВУ, предохранитель Пр.54, контакты ППТ-1
тормозного переключателя, кн. «Возврат защиты», провод 22А, провод 22В, контакты
реверсного вала контроллера машиниста, замкнутые в положении «Вперед» или
«Назад», контроллер машиниста.
При нажатой кнопке безопасности «КБ» получает питание катушка реле РКБ по цепи:
(+)АБ 110 В, провод 15, предохранитель Пр.51, провод 15А, контакты
контроллера машиниста, замкнутые при 0-м положении рукоятки, контакты кн. «КБ»,
катушка РКБ, провод (-)30.
Реле РКБ через свой один замыкающий контакт (между проводами 15А - 15АС) встает
на самопитание, шунтируя контакты контроллер машиниста, находящегося в 0-м
положении, а другим замыкающим контактом между проводами 30 - 30ТВ создает
минусовую цепь на катушку срывного клапана СК.
Цепи включения СК. При нейтральном положении реверсивной рукоятки контроллера
машиниста, нулевом положении рукоятки контроллера и поездном положении КМ №395
(при условии, что включена АБ и замкнуты контакты выключателя В26 в цепи СК, что
соответствует выключенному ЭПТ) СК и лампа «К» получают питание по
соответствующим электрическим цепям:
(+)АБ 50 В, провод 44, контакты контроллера машиниста, контакты ППТ-1
тормозного переключателя, диод Д54, контакты (верхние по схеме) контроллера
крана машиниста ККМ, размыкающие контакты РКТ, катушка СК, провод 30ТВ,
замыкающие контакты РКБ, провод (-)30.
(+)АБ 50 В, провод 44, контакты контроллера машиниста, провод 44А,
контакты ППТ-1 тормозного переключателя, провод 44Б, лампа «К», провод 43,
контакты ППТ-3 (хвостового вагона), провод (-)30.
При постановке рукоятки контроллера машиниста в любое тормозное положение 1Т -
4Т срывной клапан СК получает питание после включения контактора КВТ через его
замыкающие контакты между проводами 22В - 40Я.
Цепь включения контактора КВТ:
(+)АБ 110 В, провод 15, контакты выключателя управления ВУ, предохранитель
Пр.54, контакты ППТ-1, контакты кнопки «Возврат защиты», провод 22А, контакты
реверсивного вала контроллера машиниста, находящегося в одном из рабочих
положений «Вперед» или «Назад», провод 22В, пара контактов контроллера
машиниста, катушка КВТ, провод (-)30.
Цепь питания СК:
(+)АБ 110 В, провод 15, контакты выключателя управления ВУ, предохранитель
Пр.54, контакты ППТ-1, контакты кнопки «Возврат защиты», провод 22А, контакты
реверсивного вала контроллера машиниста, находящегося в одном из рабочих
положений «Вперед» или «Назад», контакты КВТ, диод Д53, резистор R42,
размыкающие контакты (р.к.) РКТ, катушка СК, замыкающие контакты (з.к.) РКБ,
провод (-)30.
Резистор R42 понижает приложенное напряжение до 50 В.
Дотормаживание. После включения контактора КВТ через его замыкающие контакты и
контакты нажатой кнопки «Торможение» с провода 22В подается напряжение на провод
40 - основной провод управления электрическим торможением.
При снижении скорости движения электропоезда, следующего в режиме электрического
торможения, тормозной ток якорей тяговых электродвигателей поддерживается
постоянным, благодаря выводу из цепи пуско-тормозных резисторов вращающимся
валом реостатного контроллера РК. На 11-й позиции РК, когда электрический тормоз
становится неэффективен (это соответствует скорости движения менее 15 км/ч)
замыкаются контакты РК 11-20 в цепи реле ПРТ1 одного из моторных вагонов, РК
которого достигает 11-й позиции раньше остальных. В этой же цепи находятся
контакты реле РЗТ, которое включено до тех пор, пока тормозной ток якорей ТЭД не
упадет ниже 55 + 10 А. Реле ПРТ, наоборот, остается выключенным до тех пор, пока
ток якорей не уменьшится до 55 + 10 А.
Таким образом, с провода 40 получает питание реле ПРТ1 одного из моторных
вагонов:
(+)АБ 110 В, провод 15, контакты выключателя управления ВУ, предохранитель
Пр.54, контакты ППТ-1, контакты кнопки «Возврат защиты», провод 22А; провод 22В,
з.к. КВТ, провод 40Я, контакты кнопки «Торможение», провод 40, р.к. РКТ; р.к.
РВТ1, з.к. РК 11-20, з.к. РЗТ, р.к. ПРТ, резистор R300, катушка ПРТ1, провод
(-)30.
Реле ПРТ1 встает на самопитание от провода 40 за счет включения контактов между
проводами 40 - 40ЭМ, размыкающим контактом между проводами 40 - 40ЭК
обесточивает катушку РБТЗ, а замыкающим контактом между проводами 44 - 44ЭБ
подает напряжение на секционной провод 50, то есть фактически на вентили ВТ ЭВР
моторного и прицепного вагонов данной секции. Приблизительно через 1с реле РВТЗ
обесточивается и своим контактом между проводами 44ЭБ - 50 разрывает цепь с
провода 44 на провод 50, то есть отключает вентили ВТ ЭВР своей секции. Время
питания вентилей ВТ ЭБР в течение 1 с соответствует давлению в ТЦ приблизительно
1 кгс/см2.
Аналогично происходит дотормаживание на всех секциях поезда, поскольку от
первого довернувшегося до 11-й позиции РК подается напряжение в провод 9,
соединяющий только моторные вагоны, по которому и получают питание
соответствующие реле ПРТ1.
Таким образом, весь поезд дотормаживается ЭПТ с давлением в ТЦ около 1 кгс/см2
при одновременном ослаблении действия электрического тормоза.
ЭПТ действует до полной остановки или до момента перевода машинистом рукоятки
контроллера в 0-е положение, при котором провод 49 будет обесточен.
Замещение. Если при постановке рукоятки контроллера машиниста в тормозное
положение ( 2Т или ЗТ ) на одном из моторных вагонов схема электрического
торможения не соберется, то реле РЗТ не включится, в результате чего остаются
замкнутыми контакты РЗТ между проводами 40ЭТ - 40ЭЖ, а контакты РЗТ между
проводами 40эл - 9 не замкнутся, что исключает проход тока с провода 40 в провод
9 на другие моторные вагоны для возбуждения реле ПРТ1. С другой стороны,
контакты РЗТ 40ЭТ - 40ЭЖ подготавливают цепь питания реле ПРТ, поскольку начиная
с положения 2Т соответствующим контактом контроллера машиниста снимается
напряжение с провода 42 и, следовательно, обесточивается реле РВТ1, контакты
которого в цепи ПРТ также замкнутся через 3,0 - 3,5 с. Таким образом, реле ПРТ
получит питание по цепи:
провод 40, последовательно включенные р.к. РКТ, РВТ1, РЗТ, ПРБ, ПРТ1,
резистор R60, катушка реле ПРТ, провод (-)30.
Реле ПРТ своим размыкающим контактом разрывает цепь питания реле РВТ2, которое
остается включенным еще 1,8- 2,0 с. В течение этого времени ток от провода 44
через замыкающие контакты ПРТ (44- 44ЭА) и еще не разомкнувшиеся контакты РВТ2
поступает в провод 50 и далее на вентили ВТ ЭВР моторного и прицепного вагонов
данной секции:
провод 44, з.к. ПРТ, контакты РВТ2, провод 50, ВТ ЭВР моторного вагона,
провод 4; провод 43, контакты ППТ-3; провод (-)30.
провод 50, р.к. РТП, провод 50ПА, диод, провод 50А, вентиль ВТ ЭВР
прицепного вагона, провод 43, контакты ППТ-3, провод (-)30.
Таким образом, в течение 1,8 – 2,0 с вентили ВТ ЭВР только
неисправной секции будут возбуждены, что соответствует давлению в ТЦ этой секции
приблизительно 1,8 – 2,0 кгс/см2.
В положении 1Т дотормаживания и замещения не происходит, поскольку в этом
положении контактами контроллера машиниста подается напряжение в провод 42 и,
следовательно, получает питание реле РБТ1, которое своими контактами между
проводами 40ЭВ - 40ЭТ разрывает цепи питания реле ПРТ и ПРТ1.
Электрическая схема электропоезда исключает одновременное действие процессов
дотормаживания и замещения на данной секции.
Так, например, если на какой-то секции происходит замещение электрического
тормоза и давление в ТЦ достигает 1,8 – 2,0 кгс/см2, то на этой секции
дотормаживания не происходи, поскольку реле ПРТ1 не включится вследствие разрыва
его цепи питания размыкающими контактами реле ПРТ между проводами 9 - 40эм. То
есть на этой секции не произойдет дополнительного увеличения давления в ТЦ на
1,0 кгс/см2.
Для отпуска ЭПТ в режиме электрического торможения необходимо установить
рукоятку контроллера машиниста в 0-е положение или воспользоваться кнопкой
«Отпуск», (при поездном положении ручки крана машиниста № 395) при нажатии
которой исключается подача напряжения в отпускной провод 49, то есть
обесточиваются вентили ВО ЭВР.
Управление ЭПТ краном машиниста усл.№ 395. Управлять ЭПТ краном № 395 можно при любых положениях рукоятки контроллера
машиниста при включенном в положение «ЭПТ» выключателе В26, что соответствует
замкнутому положению его контактов в цепи ККМ. Напряжение на контроллере крана
машиниста (ККМ) на ходовых и на 0-й позициях подается от источника напряжения
(+)50 В, а на тормозных позициях 1Т - 5Т - от источника напряжения (+)110 В
через понижающий резистор R42:
(+)50В, провод 44, контакты контроллера машиниста, провод 44А, контакты
ППТ-1, диод Д54, провод 401И, ККМ.
(+)110В, провод 15, контакты выключателя «ВУ», предохранитель Пр.54,
контакты ППТ-1, контакты кнопки «Возврат защиты», контакты реверсивного барабана
контроллера машиниста, находящиеся в одном из рабочих положений «Вперед» или
«Назад», провод 22В, з.к. КВТ, провод 40Я, диод Д53, резистор R42, провод 401И,
ККМ.
Перекрыша. При III-м и IV-м положениях ручки КМ № 395 получает питание отпускное реле РО:
провод 401И, средние (по схеме) контакты ККМ, катушка РО, контакты
выключателя «В26» (ЭПТ), провод 43, контакты ППТ-3, провод (-) 30.
Контакты реле РО подают напряжение с провода 44 на отпускной провод 49, по
которому возбуждаются вентили ВО ЭВР всех вагонов. Одновременно от провода 49
через контакты ППТ-3 хвостового вагона получают питание катушки реле РКО
головного и хвостового вагонов и загораются лампы «О» в обеих кабинах. Контакты
РКО через ППТ-3 хвостового вагона соединяют между собой тормозной провод 47 (без
тока) и провод 45.
Торможение. В положениях VА, V и VI ручки крана № 395 замыкаются нижние (по
схеме) контакты ККМ и в дополнение к РО от провода 401И получает питание
тормозное реле РТ, замкнувшиеся контакты которого подают напряжение от провода
44 на тормозной провод 47, по которому возбуждаются вентили ВТ ЭВР головных и
прицепных вагонов. На моторных вагонах от провода 47 получают питание реле РКТ:
(+)50В, провод 44, контакты РТ, провод 47 головного вагона, провод 47
моторного вагона, диод, провод 47Э, диод, катушка реле РКТ, провод 43, контакты
ППТ-3, провод (-)30.
Контактами РКТ, расположенными между проводами 47Э - 50 подается питание на
вентили ВТ ЭВР моторных вагонов, а размыкающими контактами РКТ между проводами 3
- ЗА разрывается цепь контактора «Ш», что исключает возможность использования
электрического тормоза. С провода 47 через контакты ППТ-3 включается лампа «Т»
хвостового вагона. Лампа «Т» головного вагона включается от провода 45 через
замыкающие контакты РКО.
Непосредственно от провода 47 возбуждаются реле РКТ головного и хвостового
вагонов, размыкающие контакты которых разрывают цепь питания СК, но он не
отключается, так как одновременно собирается цепь на СК через контакты реле РКО
хвостового вагона и замыкающие контакты реле РКТ (45 - 45 А) в головном вагоне:
(+)50В, провод 44, контакты РТ, провод 47, контакты ППТ-3, контакты РКО,
провод 45, контакты РКТ, катушка СК, провод 30ТВ, контакты РКБ, провод (-)30.
Наполнение ТЦ контролируется по манометру ТЦ и лампе «СОТ»:
(+)110 В, провод 15, контакты выключателя «ВУ», предохранитель Пр.52,
лампа «СОТ», провод 51, контакты сигнализаторов СОТ, провод (-)30.
При неисправности цепей управления ЭПТ от КМ № 395 для возбуждения вентилей ВО и
ВТ ЭВР используют кнопку «Аварийный ЭПТ».
При нажатии этой кнопки получает питание реле РПТ, замкнувшиеся контакты
которого подают напряжение с провода 44 на отпускной 49 и тормозной 47 провода.
При этом на всех вагонах возбуждаются вентили ВО и ВТ ЭВР, что приводит к
наполнению ТЦ электропоезда сжатым воздухом.
При выходе из строя ЭПТ его необходимо отключить выключателем В26. Контакты
этого выключателя отключают «минусовую» часть цепи катушек РО и РТ от провода 43
и одновременно собирают цепь питания СК от провода 44:
(+)50 В, провод 44, контакты контроллера машиниста 0-го положения, провод
44А, контакты ППТ-1, диод ДМ, провод 401И, контакты В26, р.к. РКТ, катушка СК,
провод 30ТВ, контакты РКБ, провод (-)30.
В тормозных электрических схемах электропоездов последующих выпусков, в
частности серии ЭТ-2, могут быть незначительные отличия, которые не изменяют
общего характера работы схемы.






