СХЕМЫ ТОРМОЗНОГО ОБОРУДОВАНИЯ ТЕПЛОВОЗОВ
Схема тормозного оборудования тепловоза 2ТЭ10М
Тепловоз 2ТЭ10М
имеет автоматический, вспомогательный (неавтоматический) и ручной тормоз.
Отличительной особенностью пневматической системы тормоза тепловозов ТЭ10М
является обеспечение автоматического торможения секций при их саморасцепе.
На каждой секции тепловоза 2ТЭ10М установлен компрессор (К) типа КТ-7, который
нагнетает сжатый воздух в четыре последовательно соединенных главных резервуара,
объемом по 250 л каждый. Главные резервуары (ГР) оборудованы спускными кранами
для удаления конденсата. Между 3-м и 4-м ГР включена адсорбционная установка -
система осушки сжатого воздуха (СОВ). При работающей СОВ разобщительный кран 1
открыт, а разобщительный кран 2 -закрыт. При выходе из строя системы осушки
разобщительный кран 1 закрывают, а разобщительный кран 2 открывают.

На напорном трубопроводе между компрессором и ГР установлены два
предохранительных клапана № Э-216 (КП1, КП2), отрегулированных на давление 9,5
кгс/см2. Поступающий из ГР в питательную магистраль (ПМ) сжатый воздух очищается
маслоотделителем (МО) № Э-120.
Работой компрессора управляет регулятор давления (РГД) № 3РД, установленный на
отводе ПМ. РГД переводит компрессор в режим холостого хода при давлении в ГР 7,5
кгс/см2 и производит обратный перевод компрессора в рабочий режим при давлении в
ГР 9,0 кгс/см2.
Пневматическая схема тепловоза обеспечивает синхронизацию работы компрессоров,
для чего она снабжена магистралью блокировки компрессоров (МБК).
Из питательной магистрали через обратный клапан № Э-155 (КО1) сжатый воздух
поступает в питательный резервуар (ПР) объемом 250 л, из которого через
разобщительные краны 3 и 4 и редукторы давления РЕД1 и РЕД2 № 348 подходит к
двум реле давления (повторителям № 404) соответственно РД1 и РД2. Редукторы РЕД1
и РЕД2 понижают давление с 9,0 кгс/см2 до 5,0 кгс/см2. Воздух из ПМ через фильтр
(Ф) № Э-114 подходит к электропневматическому клапану автостопа (ЭПК) № 150, а
также через устройство блокировки тормозов (БТ) № 367м к поездному крану
машиниста (КМ) № 395 и к крану вспомогательного локомотивного тормоза (КВТ) №
254. Кран вспомогательного локомотивного тормоза включен по независимой схеме.
Через ПКМ заряжается уравнительный резервуар (УР) объемом 20 л и тормозная
магистраль (ТМ) тепловоза, по отводам которой сжатый воздух подходит к
скоростемеру (СЛ) и к воздухораспределителю (ВР1) № 483, включенному на горный
режим отпуска. Воздухораспределитель осуществляет зарядку запасного резервуара (ЗР)
объемом 20 л из тормозной магистрали.
На тормозной магистрали установлен датчик-реле давления (РДВ) типа РД-1-ОМ5-02,
который осуществляет контроль величины давления в ТМ. При падении давления в ТМ
ниже 2.7 – 3,2 кгс/см2 контакты РДВ размыкаются и происходит сброс нагрузки
дизеля.
Тормозная магистраль может сообщаться с питательной через обратный клапан (КО2)
№ Э-175 и разобщительный кран 5 (кран холодного резерва). При движении тепловоза
с составом или при следовании резвом разобщительный кран 5 закрыт.
При торможении КВТ воздух из ПМ через устройство блокировки тормозов БТ
поступает в магистраль вспомогательного тормоза (МВТ) и далее через дроссель Др1
и переключательный клапан № 3ПК в управляющие камеры реле давления РД1 и РД2,
которые, сработав на торможение, наполняют тормозные цилиндры ТЦ1, ТЦ2 обеих
тележек из питательного резервуара ПР. Каждая тележка тепловоза имеет по шесть
тормозных цилиндров № 553 диаметром 8". При постановке КВТ в поездное положение
управляющие камеры РД1 и РД2 сообщаются с атмосферой через кран вспомогательного
локомотивного тормоза, при этом воздух из ТЦ обеих тележек выходит в атмосферу
через реле давления. Происходит отпуск тормоза.
При снижении давления в ТМ поездным краном машиниста срабатывает на торможение
ВР1, который пропускает сжатый воздух из ЗР к переключательному клапану № 3ПК и
далее в управляющие камеры реле давления РД1 и РД2. Повторители РД1 и РД2,
сработав на торможение, наполняют тормозные цилиндры ТЦ1, ТЦ2 обеих тележек из
питательного резервуара ПР. Отпуск тормоза производится постановкой ручки КМ в
отпускное пли поездное положение. При этом повышается давление в ТМ и
воздухораспределитель срабатывает на отпуск, сообщая управляющие камеры РД1 и РД2
с атмосферой. Воздух из ТЦ обеих тележек выходит в атмосферу через реле давления.
На магистралях ТЦ обеих тележек расположены датчики-реле давления (сигнализаторы
отпуска тормозов - СОТ1 и СОТ2) типа Д250Б, которые при давлении в ТЦ более 0,4
кгс/см2 замыкают свои контакты и на пульте управления загорается сигнальная
лампа.
При необходимости отпуск автоматического тормоза может быть произведен кнопкой
на пульте управления с помощью специального отпускного устройства, связанного с
ВР1. Это устройство включает воздухораспределитель ВР2, соединенный через
дроссель Др2 с рабочей камерой воздухораспределителя № 483 (ВР1) и
электропневматический вентиль (ЭПВ) типа ВВ-32. При нажатии кнопки отпуска электропневматический
вентиль начинает пропускать сжатый воздух из пневматической цепи управления к ВР2,
который, в свою очередь, открывает клапан для выпуска в атмосферу (на ряде
локомотивов - в тормозную магистраль) воздуха из рабочей камеры ВР1. Вследствие
этого воздухораспределитель № 483 срабатывает на отпуск и выпускает в атмосферу
сжатый воздух из управляющих камер РД1 и РД2. Далее процесс отпуска протекает
аналогично описанному выше.
Торможение секций при их саморасцепе или при разъединении соединительных рукавов
между секциями обеспечивается срабатыванием на торможение ВР1 при падении
давления в ТМ и дальнейшим наполнением ТЦ из питательного резервуара ПР через
реле давления РД1, РД2. Воздух из питательного резервуара при этом не может
выйти в атмосферу, благодаря наличию обратного клапана КО1.
Для вождения соединенных поездов тепловоз оборудован устройством пневматической
синхронизации работы кранов машиниста. Это устройство включает в себя
разобщительные краны 6 и 7 и отвод от ПМ с установленным на нем стоп-краном 8,
который соединен с УР штуцером.
При управлении тормозами соединенного поезда по системе синхронизации на
локомотиве в середине состава концевой рукав 10 питательной магистрали соединяют
с тормозной магистралью хвостового вагона и открывают концевые краны.
Разобщительный кран 6 перекрывают, кран 7 открывают, ручку крана машиниста КМ
переводят в IV положение и закрепляют специальной скобой для исключения
перемещения ее в положения I, II и III. Ручку крана 8 устанавливают в положение
синхронизации. Таким образом, уравнительный резервуар УР сообщается с атмосферой,
а полость над уравнительным поршнем крана машиниста КМ с тормозной магистралью
хвостового вагона первого поезда.
Для следования тепловоза в холодном состоянии необходимо в обеих кабинах
установить ручки КМ в положение экстренного торможения, а ручки КВТ в крайнее
тормозное (VI) положение, выключить устройство блокировки тормозов БТ,
установить комбинированный кран 9 в положение двойной тяги и перекрыть
разобщительные краны на ЭПК. На каждой секции установить ВР1 на средний режим
торможения и равнинный режим отпуска и открыть кран холодного резерва 5.
Скоростемеры и пневматические цепи вспомогательных аппаратов должны быть
отключены от источников сжатого воздуха соответствующими разобщительными кранами,
концевые краны питательной магистрали закрыты, а соединительные рукава ПМ сняты.
После подготовки тепловоза к следованию в недействующем состоянии все ручки
разобщительных кранов должны быть опломбированы.
Если тепловоз ТЭ10М выполнен в трехсекционном исполнении (тепловоз ЗТ310М), то
тормозное оборудование средней секции несколько отличается от оборудования
крайних секций. На средней секции отсутствуют кран машиниста с уравнительным
резервуаром, устройство блокировки тормозов, устройство синхронизации работы
кранов машиниста, электропневматический клапан автостопа.
Схема тормозного оборудования тепловоза ТЭМ2 Изображение Описание
Схема тормозного оборудования тепловоза 2М62 Изображение до 1985 г. Изображение после 1985 г. Описание
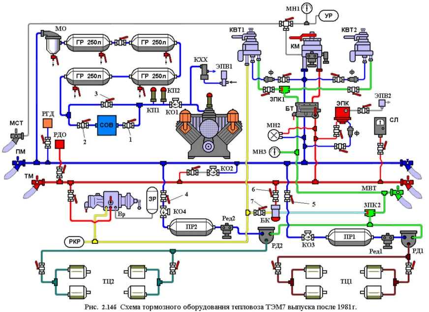
Схема тормозного оборудования тепловоза ТЭМ7 Изображение до 1981г. Изображение после 1981 г. Описание
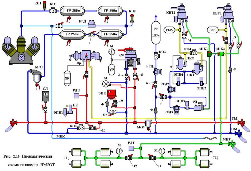
Схема тормозного оборудования тепловоза ЧМЭ3Т Изображение Описание
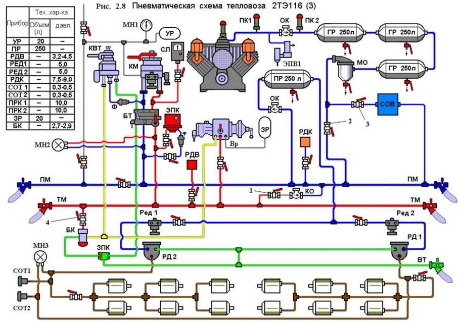
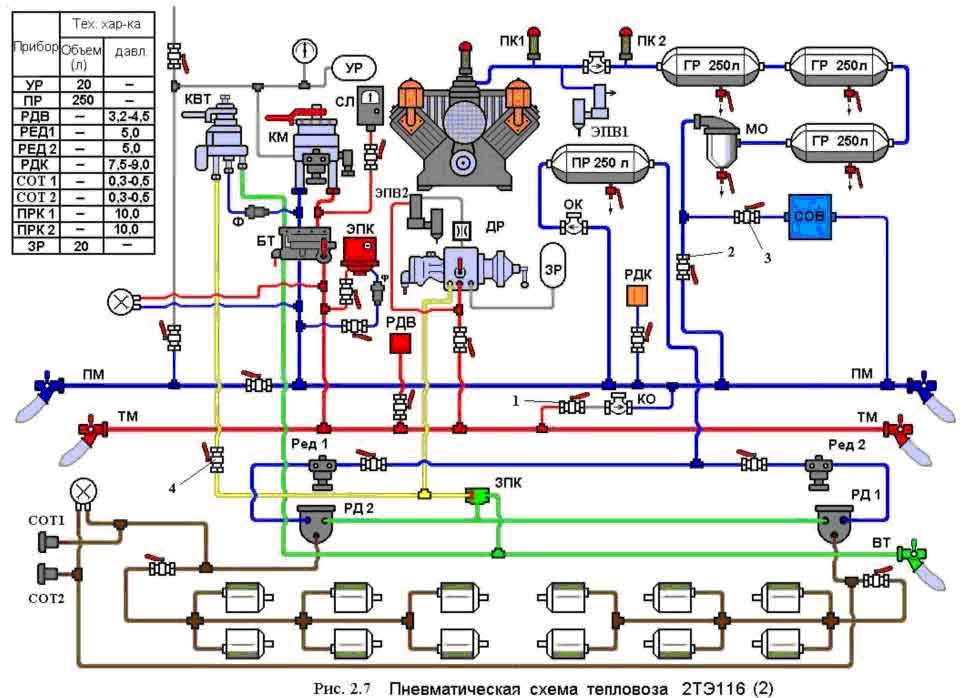
Схема тормозного оборудования тепловоза 2ТЭ116 Описание Изображение схемы тепловоза
разных лет выпуска (1) (2) (3)
Схема тормозного оборудования тепловоза ТЭП70 Изображение Описание
В начало статьи
<<Назад --------------------------------- Дальше >>






