ТЯГОВЫЕ ТРАНСФОРМАТОРЫ. РЕГУЛИРОВАНИЕ НАПРЯЖЕНИЯ
Трансформаторы.
Как известно, трансформаторы способны повышать или понижать подведенное напряжение переменного тока. Напомним, что на дорогах, электрифицированных на переменном токе, номинальное напряжение в контактной сети равно 25 кВ, а тяговые двигатели работают при номинальном напряжении 900—1600 В. Тяговые трансформаторы электровозов понижают напряжение до значения, наиболее благоприятного для работы тяговых двигателей. Известно, что отношение напряжения первичной обмотки U1 к напряжению вторичной обмотки U2 при холостом ходе может быть принято равным отношению чисел их витков (соответственно w1 и w2), т. е.
U1 : U2 = w1 : w2.
Таким образом, выбирая необходимое соотношение между числом витков первичной и вторичной обмоток, можно менять соотношение напряжений и тем самым регулировать частоту вращения якорей тяговых двигателей. Это проще и экономичнее, чем регулировать ее, включая в цепь тяговых двигателей пусковые резисторы и применяя различные группировки двигателей. Следовательно, то или иное вторичное напряжение можно получить, изменяя число витков в первичной (рис. 52, а) или вторичной (рис. 52, б) обмотке. Какой же способ лучше?
Рис. 52. Схемы, поясняющие регулирование напряжения
на первичной (а) и вторичной (б) сторонах тягового трансформатора
Казалось бы, удобнее изменять число витков в первичной обмотке понижающего трансформатора, так как ток в ней меньше. Однако регулировать напряжение U1 в широких пределах трудно по следующей причине.
Если необходимо постепенно повышать напряжение на вторичной обмотке, то нужно, переключая соответствующие контакты 1, 2, 3, 4, уменьшать число витков первичной обмотки (см. рис. 52, а). Напряжение, приходящееся в этом случае на один виток, будет по мере выполнения переключений увеличиваться. Одновременно магнитный поток в магнитопроводе трансформатора будет индуцировать э. д. с. и в отключенных витках. Поэтому по мере уменьшения числа витков первичной обмотки напряжение между ее началом и концом будет возрастать. Если, например, число витков последней секции меньше числа витков всей обмотки в 5 раз, то при напряжении контактной сети 25 кВ напряжение между началом и концом первичной обмотки составит 25 * 5 = 125 кВ. На это напряжение должна быть рассчитана изоляция трансформатора. Понятно, что такой способ на электровозах, где требуется регулировать напряжение в широких пределах, не применяют.
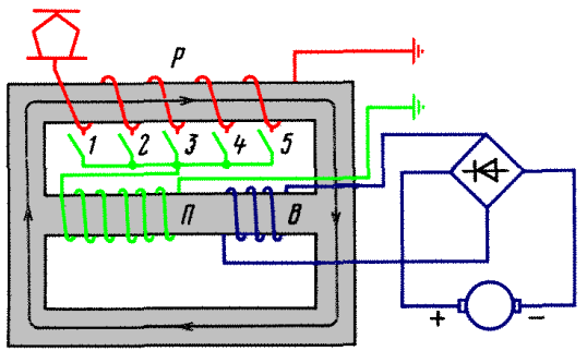
Регулирование на стороне высшего напряжения тягового трансформатора. Как уже было отмечено (см. рис. 52, а), практически это регулирование нельзя осуществить изменением числа витков обмотки высшего напряжения. Приходится применять трансформаторы с регулировочной обмоткой Р (рис. 53). Эту обмотку размещают на дополнительном стержне сердечника трансформатора, площадь сечения которого вдвое больше, чем у остальных. Выводы (отпайки) регулировочной обмотки, представляющей собой автотрансформатор, используют для регулирования напряжения на первичной обмотке Р трансформатора, имеющего постоянный коэффициент трансформации, а значит, и на вторичной обмотке В.
Рис. 53. Схема регулирования напряжения
на первичной стороне трансформатора с дополнительной регулировочной обмоткой
В начале пуска двигателей замкнут контактор 5 и весь магнитный поток, создаваемый обмоткои Р, замыкается через нижний стержень трансформатора. Напряжение на обмотке В равно нулю. Повышают напряжение на обмотках П и В, переключая контакторы 1—5. В результате этого часть магнитного потока, создаваемого обмоткой Р, ответвляется в средний стержень, а часть проходит через нижний. Число витков обмотки Р вдвое больше, чем обмотки В. Поэтому, когда переключатель секций обмотки Р займет среднее положение и число ее витков, подключенных к обмотке П, станет равным числу витков обмотки В, весь магнитный поток будет замыкаться через средний стержень. Дальнейшее уменьшение числа витков обмотки Р, подключенных к обмотке П, приведет к тому, что магнитный поток в среднем стержне станет больше, чем в верхнем, и избыточная часть его будет замыкаться через нижний стержень. Когда напряжение на обмотке Я достигнет напряжения контактной сети, половина магнитного потока среднего стержня пойдет через верхний и половина через нижний стержень. Следовательно, в верхнем стержне при любой позиции переключателя магнитный поток не изменяется, и поэтому в обмотке Р не возникнет напряжение, превосходящее напряжение в контактной сети, как это происходит в схеме, показанной на рис. 52, а. Регулировочная обмотка электровозных трансформаторов состоит из 32 — 35 секций.
Достоинства системы регулирования на стороне высшего напряжения заключаются в сравнительно малых габаритных размерах переключающих аппаратов, так как токи здесь в 10—20 раз меньше, чем при регулировании на стороне низшего напряжения. Кроме того, напряжения секций регулировочной обмотки не должны быть обязательно равны, как сопротивления секций пусковых реостатов в параллельных ветвях силовой тяговой цепи электровозов постоянного тока. Ступени напряжения можно выбирать в зависимости от условий работы, на которые рассчитан электровоз.
Однако при такой системе регулирования усложняется конструкция трансформатора и переключающей аппаратуры, рассчитанной на напряжение контактной сети. Кроме того, в этом
случае сравнительно невысок коэффициент мощности.
Регулирование на стороне высшего напряжения использовано на электровозах ЧС4 и ЧС8, поставляемых в Советский Союз из Чехословакии. Электрическое оборудование, а также принятый принцип регулирования напряжения этих электровозов отражают традиции, существующие в зарубежном электровозостроении.
Регулирование на стороне низшего напряжения. На отечественных электровозах переменного тока всех серий регулируют напряжение на вторичной стороне трансформаторов (см. рис. 52, б). Осуществить практически это не так просто, как кажется на первый взгляд. Допустим, что в начале пуска был замкнут контактор 1 и к потребителю подводилось напряжение секции а. Чтобы увеличить напряжение, нужно к этой секции подсоединить секцию б, выключив контактор 1 и включив контактор 2. Но при этом на определенный промежуток времени потребитель был бы отключен от источника питания, т. е. электровоз работал бы рывками. Можно сделать и так: не отключая контактор 1, включить контактор 2 и только после этого выключить контактор 1. Однако и это плохо, потому что на некоторое время секция б окажется короткозамкнутой, что недопустимо. Поэтому секции трансформатора переключают, используя переходные реакторы (рис. 54, а) или резисторы.
Рис. 54. Схема переключения секций трансформатора с помощью переходного реактора
Реактор может быть выполнен без стального сердечника с обмоткой, имеющей вывод от средней точки. Особенность такого реактора заключается в том, что его индуктивное сопротивление зависит от направления токов в полуобмотках: при встречном включении сопротивление невелико, а при согласном (или при прохождении тока только в одной из полуобмоток) оно значительно больше.
В исходном положении начало и конец реактора подключены к одному выводу вторичной обмотки трансформатора (допустим, к выводу 2). Ток нагрузки делится между полуобмотками реактора поровну и направлен в них
встречно, поэтому индуктивное сопротивление реактора равно нулю. Чтобы увеличить напряжение, подводимое к потребителю, один вывод реактора отсоединяют от вывода 2 трансформатора и присоединяют к выводу 3 (рис.54, б), замыкая тем самым секцию 2—3 на переходной реактор. Ток в короткозамкнутом витке i0 не опасен для обмотки секции, так как он ограничен соответственно выбранным индуктивным сопротивлением реактора. Затем вывод реактора отсоединяют от вывода 2 трансформатора и присоединяют к выводу 3. В таком же порядке осуществляют последующие переключения секций трансформатора.
Переходной реактор используют также и для увеличения числа ступеней регулирования напряжения, подводимого к тяговым двигателям. Для этого присоединяют к каждому выводу обмотки трансформатора два контактора (рис. 55, а).
Рис. 55. Схема включения перходного реактора
на различных ступенях регулирования напряжения
Нечетные и четные контакторы соединяют соответственно с двумя шинами, между которыми включен переходной реактор. Если замкнуты контакты 1 и 2, к тяговым двигателям подводится напряжение первой секции, и ток в полуобмотках реактора направлен встречно так, как показано на рис. 54, б.
Чтобы повысить напряжение, а знаит, к скорость электровоза, отключают контактор 2 и включают контактор 4 (рис. 55, б). При этом реактор работает как автотрансформатор и делит напряжение секции Uск пополам: к тяговым двигателям подводится напряжение Uск +0,5Uск = 1.5 Uск.Затем отключают контактор 1 н замыкают контактор 3: к тяговым двигателям подводится напряжение 2Uск и т. д. (потом 2,5Uск, 3Uск). Такой способ перехода позволяет получить числе ступеней, вдвое большее числа выводов трансформатора.
Как видим, при регулировании напряжения контакторы 1—8 (см. рис. 55,а) разрывают и замыкают электрические цепи под током. Поэтому они должны быть снабжены дугогасящими устройствами. Однако обычно применяют несколько десятков контакторов; большое число дугогасящих устройств усложнило бы их размещение на электровозе н обслуживание в процессе эксплуатации. Поэтому на электровозах для переключения секций трансформатора устанавливают дополнительные контакторы с дугогашением, которые, включаясь и выключаясь в определенной последовательности, обеспечивают переключение остальных контакторов при обесточенной цепи.
Для увеличения числа ступеней регулирования напряжения при небольшом числе выводов трансформаторов вторичная обмотка разделена на две. В каждой вторичной обмотке имеется некционированная (нерегулируемая) часть и секционированная (регулируемая); последняя состоит из четырех секций с одинаковым числом витков, а следовательно, одинаковым напряжением Uск.
Вначале регулируемую и нерегулируемую части включают встречно (рис. 56, а).
Рис. 56. Схема включения нерегулируемой и регулируемой
обмоток трансформатора
Напряжение нерегулируемой части обмотки Uн несколько больше суммарного напряжения секции регулируемой части, поэтому подводимое к двигателям напряжение Uд = Uн — 4Uск. Далее последовательно уменьшают число встречно включенных секций. При переключении их используют переходной реактор. Когда все секции выключены, напряжение, подводимое к тяговым двигателям, равно Uн. Для дальнейшего повышения напряжения нерегулируемую и регулируемую части обмотки включают согласно (рис. 56, б), последовательно подключая к нерегулируемой части одну за другой секции регулируемой. Наибольшее напряжение, подводимое к тяговым двигателям, Uд = Uн +4 Uск.
Все переключения обмоток и секций с помощью контакторов с дугогашением и без него должны производиться в строго определенной последовательности. Осуществляют эти переключения групповым аппаратом, называемым главным контроллером.
В начало статьи
<<Назад --------------------------------- Дальше >>







