ЗАЩИТА ОБОРУДОВАНИЯ ОТ КОРОТКИХ ЗАМЫКАНИЙ И ПЕРЕГРУЗОК
В процессе эксплуатации любой электрической установки в ней могут возникнуть короткие замыкания, недопустимые перегрузки или может резко
снизиться напряжение. Последствиями этих режимов могут быть серьезные повреждения оборудования электровозов; чтобы предотвратить их, применяют различные защиты.
С двумя аппаратами защиты от коротких замыканий и перегрузок мы уже познакомились — это быстродействующий выключатель на электровозах постоянного тока и главный выключатель на электровозах переменного тока.
Быстродействующий и главный выключатели не могут защищать силовую цепь во всех ненормальных режимах. Поэтому для контроля за действиями электротехнических устройств, работой сигнализации о нарушении нормального режима их работы, автоматическим отключением цепей или всей установки применяют специальные защиты. Основным аппаратом в них являются реле.
По принципу действия реле могут быть электромагнитными, тепловыми, электродинамическими и др. Благодаря простоте устройства, возможности применения как при постоянном, так и при переменном токе наибольшее распространение в электрических системах, в том числе и на электровозах, получили электромагнитные реле.
Рис. 96 Схема включения электромагнитного реле
Принцип действия такого реле, защищающего, например, электрический двигатель М (рис. 96) от перегрузки, заключается в следующем. В случае возрастания тока в двигателе сверх максимального допустимого якорь реле, по катушке которого проходит ток защищаемой цепи, притягивается к сердечнику, преодолевая усилие пружины. При этом контакты а и б, замыкаясь, включают сигнальную лампу; загораясь, она сигнализирует машинисту о перегрузке тяговых двигателей. Контакты в и г вызывают отключение главного или быстродействующего выключателя, разрывая цепи удерживающих катушек.
Ток, при котором срабатывает реле, называют током уставки. Его регулируют, изменяя натяжение пружины. Электромагнитное реле при соответствующей уставке может быть использовано как реле максимального напряжения или как реле пониженного тока либо напряжения. В первом случае при повышении напряжения сверх допустимого якорь притягивается и контакты реле, допустим, замыкаются, во втором — якорь отпадает и контакты, наоборот, размыкаются.
На электровозах ВЛ11, ВЛ10, ВЛ8 контакты реле перегрузки не введены в цепь удерживающей катушки быстродействующего выключателя. При замыкании они включают сигнальную лампу, загорание которой свидетельствует о перегрузке какой-либо цепи тяговых двигателей. Если перегрузка произошла в режиме ослабленного возбуждения, то под действием реле выключаются контакторы ослабления возбуждения. Число реле перегрузки соответствует числу цепей параллельно включенных двигателей. Если короткое замыкание на электровозах постоянного тока произойдет в цепи за тяговыми двигателями, соединенными последовательно, то быстродействующий выключатель может не сработать, так как э. д. с. исправных двигателей, включенных в начале цепи, возрастет вследствие увеличения тока. Ток короткого замыкания будет невелик. Учитывая это, на электровозах ВЛ11, ВЛ10, ВЛ8, ВЛ23 применяют чувствительную дифференциальную защиту, выполненную на специальном реле.
Рассмотрим принцип действия этого реле. Через окно магнитопровода дифференциального реле РДф проходят кабели начала и конца защищаемого участка силовой цепи двигателей, ток которых направлен встречно (рис. 97).
Рис. 97. Схема дифференциальной защиты электровозов постоянного тока
На одном конце магнитопровода установлена включающая катушка, питающаяся от источника электроэнергии напряжением 50 В. Под действием ее магнитного потока притягивается якорь, в результате чего замыкаются контакты, включенные в цепь удерживающей катушки быстродействующего выключателя. При нормальном режиме магнитные потоки, возникающие вокруг кабелей ввода и вывода, взаимно уничтожаются. На рис. 97 условно сечение кабелей, проходящих через окно магнитопровода, показано окружностями; на остальных участках цепи кабели изображены в виде соединительных линий электрической связи. Направление тока в кабелях из плоскости чертежа к нам, как принято в электротехнике, показано точкой, а от нас в плоскость чертежа — крестиком.
В случае короткого замыкания на землю, например в точке К, ток, проходящий по кабелю ввода, а следовательно, и создаваемый им магнитный поток резко возрастут. В кабеле вывода, наоборот, ток и магнитный поток уменьшатся до нуля. Магнитный поток кабеля ввода направлен встречно по отношению к потоку включающей катушки.
Вследствие этого якорь реле под действием пружины оторвется от магнитопровода и разорвет цепь удерживающей катушки БВ.
Ток короткого замыкания прерывается быстродействующим выключателем не сразу и после срабатывания дифференциального реле некоторое время продолжает увеличиваться. Поэтому магнитный поток, создаваемый током кабеля ввода, может вновь притянуть якорь реле. Чтобы не допустить этого, в средней части магнитопровода реле установлен магнитный шунт. Воздушные зазоры этого шунта меньше, чем зазор между отключенными якорем и торцом магнитопровода. Поэтому после отключения реле магнитный поток, создаваемый током кабеля ввода, будет замыкаться через магнитный шунт.
Дифференциальное реле не может защитить тяговые двигатели от перегрузки, так как неравенства, или, как говорят, небаланса токов, в кабелях при этом не будет. Небаланс токов возможен только при коротком замыкании на землю.
На электровозах переменного тока дифференциальная защита тяговых двигателей не нужна, так как они соединены всегда параллельно и в их цепь включено реле перегрузки. Она используется для защиты от коротких замыканий выпрямительных установок. В этом случае катушку блока дифференциальных реле (БРД) вместе с дросселем включают между двумя точками цепи вторичных обмоток тягового трансформатора, имеющими равные потенциалы. Не останавливаясь подробно на действии защиты, отметим, что она реагирует на скорость нарастания тока короткого замыкания в выпрямительной установке. При быстром нарастании тока дроссель в цепи, где он установлен, задержит нарастание тока. Поэтому основная часть тока будет проходить по цепи катушек реле. Следовательно, магнитный поток удерживающей катушки будет значительно отличаться от магнитного потока, вызванного током короткого замыкания. Реле сработает и его контакты разорвут цепь удерживающей катушки главного выключателя.
На электровозах переменного тока необходимо защищать силовые цепи от замыканий на землю, точнее, на корпус (кузов) электровоза. Это объясняется тем, что вторичная обмотка трансформатора, выпрямители и тяговые двигатели не соединены с землей, как на электровозе постоянного тока, где замыкание на землю вызывает срабатывание быстродействующего выключателя или дифференциальной защиты. Нарушение изоляции в одной точке силовой цепи не приведет к повреждению, но замыкание в двух точках уже создает аварийный режим. Поэтому нужно контролировать состояние изоляции силовой цепи.
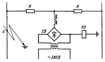
Это осуществляют с помощью реле заземления РЗ — так называемой земляной защиты. Обмотка реле РЗ (рис. 98) соединена с корпусом локомотива и включена в цепь выпрямленного напряжения селенового выпрямителя СВ.
Рис. 98. Схема защиты силовой цепи от замыканий на землю
Выпрямитель питается от вторичной обмотки напряжением 380 В тягового трансформатора. Чтобы можно было использовать одно и то же реле для двух групп тяговых двигателей, его подключают через два одинаковых резистора R к точкам силовой цепи, имеющим равные потенциалы. В случае короткого замыкания, допустим, в точке а образуется цепь выпрямленного тока, реле срабатывает и отключает главный выключатель.
Цепи вспомогательных машин защищают с помощью реле перегрузки, которые вызывают отключение главного или быстродействующего выключателя, а также плавкими предохранителями и дифференциальной защитой. Асинхронные двигатели вспомогательных машин электровозов переменного тока имеют тепловую защиту РТ от перегрузки. В тепловом реле (рис. 99) использованы биметаллические пластины, на которых установлены размыкающие блокконтакты.
Рис.99. Схема тепловой защиты
Металлы, из которых изготовлены пластины, имеют разные коэффициенты линейного расширения. В случае длительной перегрузки или короткого замыкания элементы нагреваются и изгибаются. После того как прогиб пластин достигнет определенного значения, блокконтакты разорвут цепь включающей катушки и контактор отключится. Когда установится нормальная температура, элементы займут исходное положение. Реле тепловой защиты включают в каждые два провода, подводимые к двигателю.
Особенности нарушений режимов электрического торможения зависят от системы торможения — реостатного или рекуперативного, схемы соединения и системы возбуждения двигателей.
В режиме реостатного торможения при последовательном возбуждении двигателей перегрузка может возникнуть, как и в тяговом режиме, в случае чрезмерно быстрого выключения ступеней реостата. Чтобы предотвратить такую перегрузку, обычно используют те же реле, что и в тяговом режиме.
При защите от токов короткого замыкания в режиме реостатного торможения, как и в режиме тяги, могут быть использованы дифференциальные реле и реле заземления.
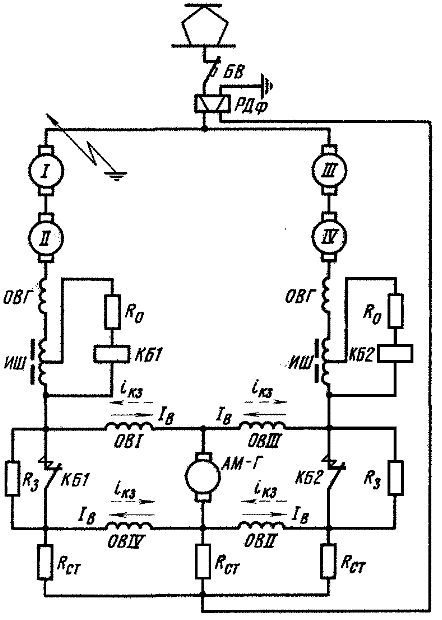
Защита от коротких замыканий в режиме рекуперативного торможения на электровозах ВЛ8, ВЛ10 и ВЛ11 осуществляется быстродействующими электромагнитными контакторами КБ, имеющими дугогасительные камеры. При их выключении меняется направление тока в обмотках возбуждения тяговых двигателей и происходит интенсивное гашение магнитного потока. Способ включения быстродействующих контакторов в схеме циклической стабилизации при возбудителе с противовозбуждением, создаваемым обмотками ОВГ в цепи якорей тяговых двигателей, пояснен на рис. 100.
Рис. 100. Схема защиты тяговых электродвигателей
от токов короткого замыкания в рекуперативном режиме
Отключающие катушки быстродействующих контакторов КБ1 и КБ2 через ограничивающие резисторы Ro включены параллельно катушкам индуктивных шунтов ИШ. Увеличение тока короткого замыкания в цепи тяговых двигателей вызывает резкое повышение напряжения на индуктивных шунтах. По отключающей катушке проходит ток, превышающий ток уставки контактора, в результате чего его силовые контакты размыкаются. Контакторы не размыкают цепь полностью, а вводят в нее резисторы R3, сопротивление которых выбирают таким, при котором не возникают опасные перенапряжения. После размыкания контактов контакторов КБ большая часть тока тяговых двигателей проходит через их обмотки возбуждения встречно по отношению к току возбуждения, вызывая быстрое размагничивание двигателей.
Для защиты от короткого замыкания на электровозах переменного тока с рекуперативным торможением устанавливают быстродействующие выключатели в цепи выпрямленного тока. На электровозах ВЛ80р в цепь каждого двигателя введены индивидуальные быстродействующие выключатели.
В начало статьи
<<Назад --------------------------------- Дальше >>







