КОМПРЕССОРЫ И ПНЕВМАТИЧЕСКАЯ ЦЕПЬ УПРАВЛЕНИЯ
На электровозах тормоза, аппараты управления, песочницы, звуковые сигналы приводятся в действие сжатым воздухом. Получают его с помощью компрессоров. Как правило, устанавливают два поршневых двухступенчатых компрессора.
Двухступенчатые компрессоры (рис. 72) имеют один или два цилиндра низкого и один цилиндр высокого давления.
Рис. 72. Схема двухступенчатого компрессора
Во время движения поршня сверху вниз в цилиндре низкого давления создается разрежение (вакуум) и автоматически открывается всасывающий клапан. В полость между крышкой цилиндра и поршнем засасывается воздух. При обратном ходе поршня всасывающий клапан закрывается и воздух сжимается; когда его давление достигает определенного значения, открывается нагнетательный клапан. Давление регулируют, изменяя сжатие пружины, прижимающей нагнетательный клапан к седлу.
Из цилиндра низкого давления сжатый воздух проходит через охладитель и поступает в цилиндр высокого давления, поршень которого в это время движется вниз, способствуя всасыванию поступающего воздуха. Охладителем служит радиатор или воздухопровод, соединяющий цилиндры низкого и высокого давления и размещаемый обычно на крыше электровоза. Учитывая, что воздух предварительно сжимается в цилиндре низкого давления и объем его при этом уменьшается, цилиндр высокого давления делают меньшего диаметра. Воздух из цилиндра высокого давления нагнетается в главные резервуары, которые чаще всего располагают на крыше электровоза.
Почему на электровозах применяют двухступенчатые компрессоры? Это объясняется тем, что в одноступенчатом компрессоре максимально можно сжать воздух до давления 0,8МПа. В конце сжатия между крышкой цилиндра и поршнем остается некоторое количество сжатого воздуха — воздушная подушка.
При обратном движении поршня этот воздух расширяется и процесс всасывания начинается несколько позже.
Вполне понятно, что чем больше давление сжатого воздуха в цилиндре, тем больше воздушная подушка и тем меньше объем вновь всасываемого воздуха. Кроме того, при сильном сжатии в одной ступени температура воздуха повышается настолько, что смазка в цилиндре может загореться. На электровозах воздух обычно сжимают в первой ступени до давления 3-4 МПа и во второй — до 9-10 МПа.
Вал приводного электрического двигателя соединяют с коленчатым валом компрессора, используя зубчатый редуктор или муфту (рис. 73).

Рис. 73. Общий вид компрессора электровоза
Источники сжатого воздуха и потребители его вместе с соответствующими аппаратами, трубопроводами, арматурой объединяют в различные пневматические системы в зависимости от их назначения. В электровозах по назначению различают три пневматические цепи с общими источниками сжатого воздуха — двумя компрессорами: тормозную, вспомогательную и пескоподачи. Так же как и электрические, пневматические цепи изображают графически в виде пневматических схем. Машины и аппараты, трубопроводы и другое оборудование показывают, используя условные графические изображения, предусмотренные ЕСКД.
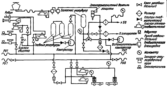
Рис. 74. Принципиальная пневматическая схема вспомогательных цепей
Рассмотрим принципиальную пневматическую схему вспомогательных цепей одной секции восьмиосиого электровоза (рис. 74). Сжатый воздух нагнетается компрессором в три главных воздушных резервуара. Резервуары соединены один с другим и с питающей магистралью РУ1-РУ2. От питающей магистрали через соответствующие приборы воздух поступает в тормозную и вспомогательную системы, а также в систему подачи песка под колесные пары электровоза для прекращения боксования.
К вспомогательной системе относятся звуковые сигналы, аппараты управления быстродействующим выключателем (или главным выключателем на электровозах переменного тока), токоприемниками, электропневматическими и нагрузочными устройствами. О назначении нагрузочных устройств будет рассказано позднее. Звуковых сигналов на электровозе два — тифон и свисток. Тифон подает громкий низкого тона гудок, свисток — тихий высокого тона; тифоном пользуются в пути следования, свистком — при маневрах. На электровозах последних выпусков устанавливают ревун — аппарат, в котором объединены тифон и свисток. Однако принцип действия и порядок пользования ими те же, что и у предшествующих им сигналов. Давление сжатого воздуха, поступающего в приводы аппаратов управления, стеклоочистителей и токоприемников, с помощью редуктора понижают до 5 МПа (50 Н/см2).
В воздухопровод, подводящий воздух к приводу токоприемника, включены специальные блокировки. Они не позволяют поднять токоприемник, если не закрыты двери в камеру, где расположено электрическое оборудование, находящееся под напряжением, опасным для жизни.
Для очистки окон на лобовых окнах кабины установлены стеклоочистители, которые включаются и выключаются только запорно-регулировочными кранами.
Сжатый воздух от питающей магистрали одновременно поступает к электромагнитному вентилю защиты, быстродействующему выключателю, электропневматическим аппаратам и в запасной резервуар. Резервуар перед остановкой компрессора электровоза заряжается до давления 9 МПа и сохраняет сжатый воздух длительное время. Если воздуха в питающей магистрали нет, можно поднять токоприемники, либо подав к ним сжатый воздух из запасного резервуара, либо нагнетая его компрессором другой секции электровоза. Компрессоры на электровозе включены в одну магистраль, соединенную между секциями рукавами РУ7—РУ8.
Все вспомогательные пневматические цепи имеют фильтры для очистки воздуха от механических примесей, масла, влаги. Во вспомогательные цепи включены краны различного назначения (разобщительные, редукторные, трехходовые), манометры.
Примерно так же построены вспомогательные цепи электровозов переменного тока.
В начало статьи
<<Назад --------------------------------- Дальше >>







