УПРАВЛЕНИЕ ВСПОМОГАТЕЛЬНЫМИ ЦЕПЯМИ
Вспомогательными цепями электровоза управляют вручную с помощью кнопочных выключателей (рис. 92). В отличие от управления тяговыми двигателями, где строгая последовательность тех или иных операций обеспечивается конфигурацией шайб контроллера машиниста, при управлении вспомогательными цепями заранее заданная последовательность операций в большинстве цепей не предусматривается. Если это необходимо, в цепь управления аппаратом включают различные блокировки, обеспечивающие безопасность обслуживающего персонала или не разрешающие привести в действие аппарат при каких-либо определенных условиях.
Рис. 92. Кнопочный выключатель
Питание цепей управления осуществляют постоянным током напряжением 50 В от тех же генераторов управления или статических выпрямителей.
Для примера рассмотрим несколько упрощенную цепь управления токоприемником восьмиосного электровоза (рис. 93).
Рис. 93. Схема цепи управления токоприемником
Чтобы поднять один из токоприемников, машинист нажимает кнопку Токоприемники (или Пантографы, на электровозах, выпущенных до введения нового обозначения). При этом через катушку защитного вентиля ЗВ проходит ток и его клапан открывает доступ сжатому воздуху из главных резервуаров. Сжатый воздух проходит к двум цилиндрам пневматических блокировок ПБ1, ПБ2 и опускает их поршни (см. рис. 93). Поршни могут опуститься только в случае, если закрыты двери в высоковольтной камере, где расположено оборудование, находящееся под напряжением, опасным для обслуживающего персонала. Затем воздух поступает в цилиндр реле давления РД и под клапан токоприемника КТ. Однако токоприемник не поднимается, так как клапан еще закрыт. Для подъема токоприемника машинист должен включить еще одну кнопку, например Токоприемник передний. Тогда цепь катушки клапана КТ замкнется и он откроет доступ сжатому воздуху в цилиндр привода соответствующего токоприемника. Однако это возможно только при замкнутых контактах реле давления РД.
Необходимость использования реле давления объясняется следующим. Если разорвется пневматическая цепь токоприемников или случайно выключится кнопка Токоприемники, токоприемник опустится. При этом образуется мощная электрическая дуга, так как работают тяговые двигатели и вспомогательные машины. Такая дуга может пережечь контактный провод и повредить токоприемник. Прежде чем это произойдет, реле давления своими контактами разорвет цепь удерживающего электромагнита главного выключателя и последний, обладая большим быстродействием, чем привод токоприемника, разорвет силовую цепь.
Защитный вентиль ЗВ имеет и вторую катушку, соединенную с обмоткой собственных нужд 380 В. Само собой разумеется, что эта катушка получит питание только при поднятом токоприемнике. Если токоприемник не опустися при выключенных кнопках, например приварится к контактному проводу на стоянке, то обслуживающий персонал может попытаться войти в высоковольтную камеру при неснятом напряжении. Однако защитный вентиль в этом случае по-прежнему открывает доступ сжатому воздуху в цилиндры пневматических блокировок, и их штоки не позволят открыть двери высоковольтной камеры.
На рис. 93 показаны также контакты блокировочного устройства БУ. Это устройство позволяет шунтировать контакты реле давления РД, если подъем токоприемника производится при минимальном возможном для этого давлении воздуха, содаваемом вспомогательным компрессором. В цепи управления токоприемниками включены еще блокировки разъединителей Р и некоторые другие.
Кнопочными выключателями осуществляют пуск вспомогательных машин. Это выполняют обычно после подъема токоприемников и включения главных или быстродействующих выключателей. На электровозах переменного тока сначала включают расщепители фаз. Очередность включения двигателей остальных вспомогательных машин не имеет принципиального значения. Специальный контактор подает напряжение к кнопкам двигателей вспомогательных машин только после пуска и установления необходимой частоты вращения расщепителей фаз.
На пульте управления расположены также кнопочные выключатели, позволяющие включать звуковые сигналы, радиосвязь, прожекторы, а также освещение измерительных приборов, кабины, ходовых частей, электроплитки, электропечи для обогрева кабины, санузла и т. п.
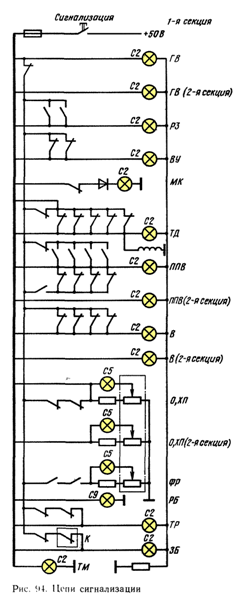
Лампы, включенные во вспомогательные цепи сигнализации, расположены также на пульте машиниста; загораясь и погасая, они показывают, в каком состоянии находится оборудование. Для примера на рис. 94 приведена схема цепей сигнализации электровоза ВЛ80т. Эти цепи подключают к напряжению 50 В, нажав кнопку Сигнализация. Сигнальные лампы с обозначением ГВ, ППВ, В и 0, ХП установлены по две на сигнальной панели пульта. Одна из них сигнализирует о состоянии оборудования 1-й секции, другая—о состоянии аналогичного оборудования 2-й секции.
Каждая сигнальная лампа имеет на пульте буквенно-цифровое условное обозначение: С2 — красная, С5 — зеленая, С9 — белая. Свечение ламп с красным стеклом означает следующее: лампа ГВ — отключен главный выключатель; РЗ — сработала земляная защита; ВУ—сработала защита выпрямителя от коротких замыканий; МК — отключился контактор мотор-компрессора; ТД — отключился линейным контактором какой-либо из тяговых двигателей или сработало реле перегрузки двигателя; ППВ — произошло переключение из режима тяги в режим торможения (если она горит, то какое-либо из переключенных устройств находится в неправильном положении); В — отключились контакторы мотор-вентилятора; ТР — отключился масляный насос тягового трансформатора; ЗБ — отключился контактор К на распределительном щите, т. е. заряд аккумуляторной батареи прекратился и от нее производится питание цепей управления; ТМ — нарушена целостность тормозной магистрали.
Загорание лампы ФР с зеленым стеклом свидетельствует о пуске расщепителей фаз обеих секций, а зеленой лампы О, ХП — о нахождении группового переключателя ступеней на нулевой или ходовой позиции. В цепях ламп с зеленым стеклом, которые постоянно светятся, имеется регулировочный резистор, с помощью которого машинист устанавливает ту или иную яркость их свечения.
В начало статьи
<<Назад --------------------------------- Дальше >>







