ПРИНЦИПИАЛЬНЫЕ СХЕМЫ СИЛОВЫХ ЦЕПЕЙ
Познакомившись с отдельными участками силовой цепи электровоза переменного тока и ее электрическим оборудованием, рассмотрим теперь для одной секции восьмиосного электровоза с неуправляемыми выпрямителями принципиальную несколько упрощенную силовую схему (рис. 68). Ток от токоприемника проходит через дроссель ДП, снижающий уровень помех радиоприему, разъединитель Р, главный выключатель ГВ, первичную обмотку тягового трансформатора на рельсы через колесные пары.
Рис. 68. Принципиальная силовая схема секции восьмиосного электровоза
переменного тока с неуправляемыми выпрямителями
Две вторичные обмотки al-01 и 02-а2 имеют несекционнрованную и секционированную части, которые могут включаться встречно и согласно. От каждой вторичной обмотки питается отдельный выпрямитель. Наименьшее напряжение 58 В подводится к тяговым двигателям при встречном включении обмоток, наибольшее 1218 В — при их согласном включении. Все переключения во вторичной цепи трансформатора, обеспечивающие ступенчатое регулирование напряжения, подводимого к тяговым двигателям, выполняют с помощью главного контроллера. Переключение выводов секционированной обмотки трансформатора производится без разрыва цепи тяговых двигателей; с этой целью применен переходной реактор ПР.
Для того чтобы знать, какие контакторные элементы замкнуты на каждой позиции главного контроллера, пользуются диаграммой, часть которой показана на рис. 69.
Рис. 69. Диаграмма замыкания контакторов главного контроллера
Зеленые жирные линии на диаграмме соответствуют замкнутому положению контакторного элемента. Контакторные элементы с дугогащением обозначают на схемах буквами А, Б, В, Г. В число 30 контакторных элементов без дугогашения входят и четыре для переключения обмоток трансформатора на встречное или согласное соединение.
В силовых цепях электровозов переменного тока обычно применяют небольшое число индивидуальных контакторов и все необходимые переключения осуществляют с помощью групповых аппаратов. Поэтому условные обозначения, указывающие принадлежность контактов к групповым переключателям, не делают. Благодаря тому что пуск и регулирование скорости тяговых двигателей осуществляют изменением выпрямленного напряжения, оказалось возможным применить постоянное параллельное соединение тяговых двигателей. Отпала также необходимость в пусковых резисторах. Однако при наличии реостатного торможения силовая схема содержит тормозные резисторы (см. рис. 67).
Так как к тяговым двигателям подводится пульсирующий ток, то конструкция их имеет некоторые особенности. Для уменьшения пульсаций (для сглаживания тока) в цепь каждых двух тяговых двигателей после выпрямителя включен сглаживающий реактор СР (см. рис. 68). Он представляет собой
катушку, навитую на стальной сердечник, имеет значительное индуктивное сопротивление и очень малое омическое.
Рис.70. Кривые выпрямленного тока без сглаживающего реактора
(штриховая линия) и при наличии его (сплошная)
В процессе нарастания тока (участок аб, рис. 70) в реакторе накапливается электромагнитная энергия, что препятствует резкому увеличению тока. С уменьшением тока (участок бв) реактор отдает накопленную энергию в цепь, поддерживая уменьшающийся ток. В результате этого значительно сглаживаются пульсации тока (сплошная линия на рис. 70), однако полностью сгладить их реактор не в состоянии. Поэтому, чтобы еще больше уменьшить пульсацию тока в обмотках возбуждения, параллельно им постоянно включают шунтирующий резистор R1 (см. рис. 68). Так как обмотки возбуждения обладают относительно большим индуктивным сопротивлением, переменная составляющая тока почти полностью проходит через резистор, имеющий чисто омическое сопротивление, и лишь незначительная часть ее — через обмотку возбуждения. Постоянная составляющая тока распределяется между обмоткой возбуждения и шунтирующим резистором обратно пропорционально омическим сопротивлениям параллельных цепей. Для того чтобы большая часть переменной составляющей тока проходила через резистор, омическое сопротивление его должно быть значительно больше, чем у обмотки возбуждения, и соответствовать ослаблению возбуждения двигателя на 3-5%.
Следовательно, тяговые двигатели электровозов переменного тока постоянно работают в режиме несколько ослабленного возбуждения. Кроме того, предусмотрено три ступени ослабления его, которые получают, включая параллельно обмоткам возбуждения с помощью контакторов (см. рис. 68) резистор R2 (первая ступень), затем часть его (вторая ступень) и, наконец, только индуктивный шунт ИШ.
Как и на электровозах постоянного тока, направление вращения якорей тяговых двигателей изменяют, переключая их обмотки возбуждения реверсором, контакты PI—PIV которого показаны на схеме. С помощью отключателя ОД можно отсоединить любой из тяговых двигателей в случае его неисправности. Если выйдет из строя какой-либо выпрямитель, его также можно отключить соответствующими отключателями вентилей ВВ. Одновременно отключают и линейные контакторы ЛК в цепи этой же группы двигателей.
Отметим одну особенность подключения тяговых двигателей к выпрямительным установкам. Проще всего, казалось бы, включить их так, как показано на рис. 62, б, т. е. так, чтобы каждый выпрямитель питал одни и те же тяговые двигатели. Практически этого делать нельзя, поскольку на части позиций (на четных) главного контроллера напряжения на двигателях будут неодинаковы.
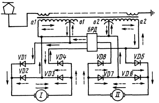
Чтобы тяговые двигатели были нагружены одинаково и обеспечивали наибольшую силу тяги без нарушения сцепления колес с рельсами, плечи выпрямителей разомкнуты и включены так, как показано на упрощенной схеме рис. 71.
Рис. 71. Упрощенная силовая схема с разомкнутыми плечами выпрямительных установок
Когда напряжение на вторичных обмотках действует слева направо, ток обмотки а1-01 проходит через плечо VD1 выпрямителя, тяговый двигатель I (на схеме для упрощения показано по одному тяговому двигателю вместо двух), плечо VD3 и в обмотку а1-01.
Ток от обмотки 02-а2 проходит через плечо VD5, тяговый двигатель II, плечо VD7 и возвращается в обмотку 02-а2. Пути токов, соответствующие этому полупериоду, показаны на рис. 71 сплошными стрелками.
В следующий полупериод напряжение в обмотках действует справа налево. Ток из обмотки 01-а1 проходит через плечо VD6, двигатель II, плечо VD8 и возвращается в обмотку 01-а1 трансформатора. Ток из обмотки а.2-02 идет через плечо VD2, двигатель I, плечо VD4 и возвращается в обмотку а2-02. Следовательно, двигатели в течение одного периода изменения тока поочередно подключаются сначала к одной («своей») вторичной обмотке, а затем к другой («чужой»). Тем самым обеспечивается одинаковое среднее напряжение на всех тяговых двигателях при неравных напряжениях во вторичных обмотках трансформатора.
В начало статьи
<<Назад --------------------------------- Дальше >>







